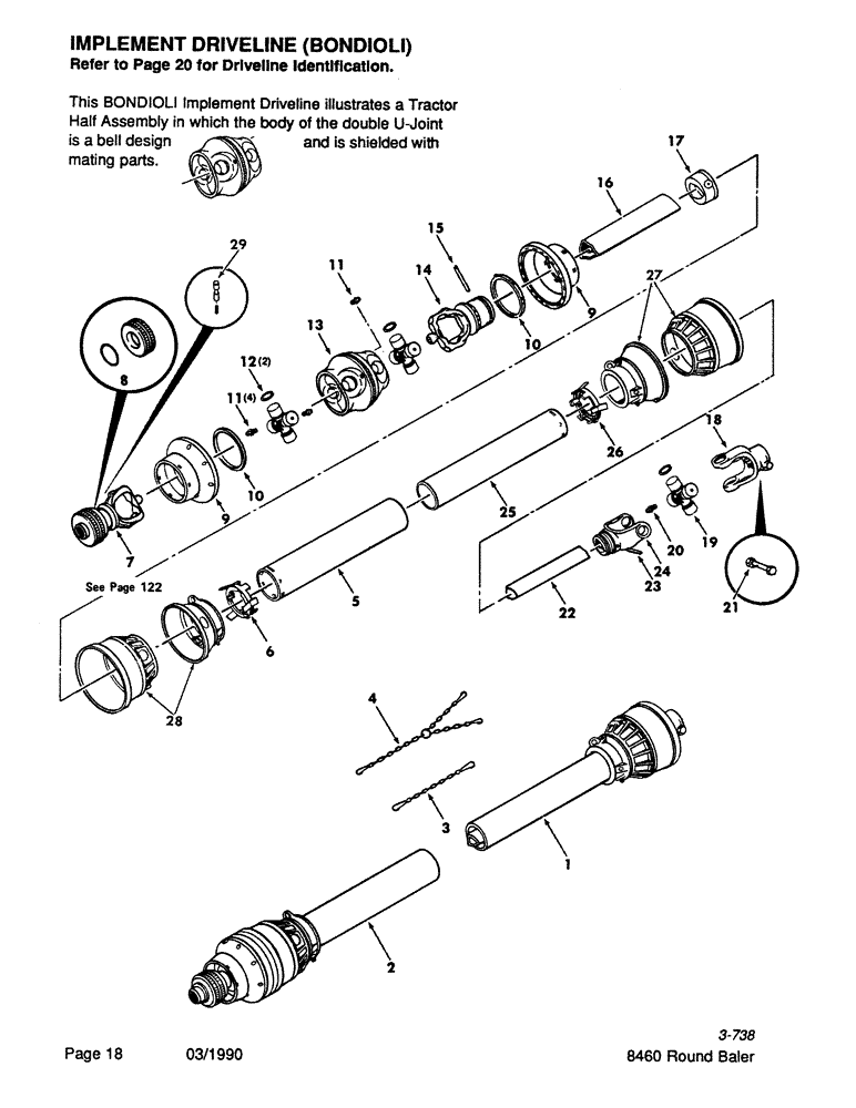
Запчасти Case IH 8460 (018) - IMPLEMENT DRIVELINE, BONDIOLI, REFER TO PAGE 20 FOR DRIVELINE IDENTIFICATION Driveline

Схема запчастей Case IH 8460 - (018) - IMPLEMENT DRIVELINE, BONDIOLI, REFER TO PAGE 20 FOR DRIVELINE IDENTIFICATION Driveline
13
15
21
11
11
4
1
24
9
28
9
14
18
6
7
10
26
12
20
29
5
10
3
16
17
19
2
22
25
27
23
FIT
1:1
100%

Артикул

Название

Примечание

Количество

1

700707184

PTO

IMPLEMENT HALF ASSEMBLY

1шт.

2

700707185

SHAFT

TRACTOR HALF ASSEMBLY

1шт.

3

700707183

CHAIN (AG)

CHAIN - safety

1шт.

4

700707192

CHAIN (AG)

CHAIN - safety "Y"

1шт.

5

700707180

SHIELD

TUBE - shield, outer

1шт.

6

700707189

SHIELD

BEARING - shield, outer

1шт.

7

700707169

YOKE

- quick disconnect

1шт.

8

700707181

COLLAR

- yoke

1шт.

9

700707191

SHIELD

CONE - shield

1шт.

10

700707495

NUT

RING - bearing

2шт.

11

700707187

NIPPLE, LUBE

ZERK

5шт.

12

700707179

CROSS

JOURNAL REPAIR KIT

2шт.

13

700707178

BODY

- CVJ

1шт.

14

700707177

FORK

YOKE

1шт.

15

763847

PIN

- spring

1шт.

16

700707176

TUBE

- drive, outer

1шт.

17

700707175

NUT

RING - center

1шт.

18

700707170

FORK

YOKE - clamp

1шт.

19

700707171

CROSS

JOURNAL REPAIR KIT

1шт.

20

700707193

NIPPLE, LUBE

ZERK

1шт.

21

700707496

SCREW

M12 x 1.75 x 70 C

1шт.

22

700707173

TUBE

- drive, inner

1шт.

23

700707194

PIN

flexible

1шт.

24

700707172

TUBE

YOKE, tube, inner

1шт.

25

700707186

SHIELD

TUBE - shield, inner

1шт.

26

700707188

INNER SHIELD

BEARING - shield, inner

1шт.

27

700709108

SHIELD

- cone, implement

1шт.

28

700709107

SHIELD

- cone, tractor

1шт.

29

700708790

KIT

PIN - puch

1шт.

HFI Built approx. 10 prototypes with NEAPCO drive lines. The tractor and implement halves are splined. Rather than triangular tubes like the "bondioli" has. If DLR runs accross one of these, there are no service parts per marv head and HFI. Should replace with both halves of the bondioli.

1шт.

Выбрано товаров: 0