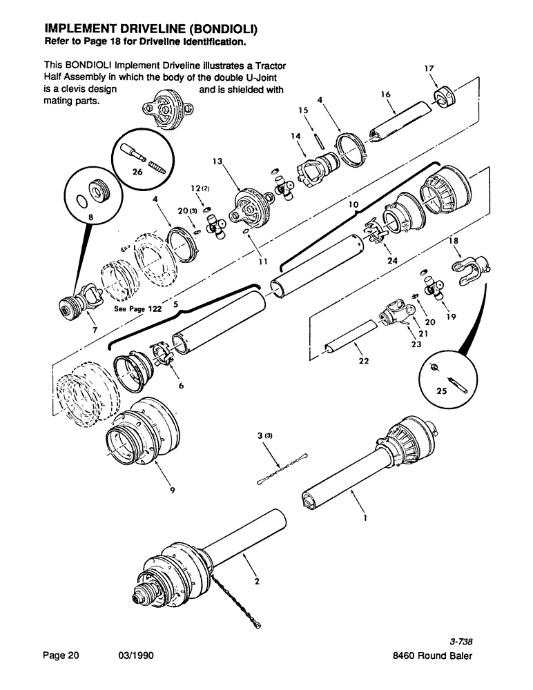
Запчасти Case IH 8460 (020) - IMPLEMENT DRIVELINE, BONDIOLI, REFER TO PAGE 18 FOR DRIVELINE IDENTIFICATION Driveline

Схема запчастей Case IH 8460 - (020) - IMPLEMENT DRIVELINE, BONDIOLI, REFER TO PAGE 18 FOR DRIVELINE IDENTIFICATION Driveline
5
3
18
1
24
13
23
6
20
19
15
14
8
17
12
11
26
4
25
7
4
2
9
20
21
10
16
22
FIT
1:1
100%

Артикул

Название

Примечание

Количество

1

700709855

PTO

IMPLEMENT HALF ASSEMBLY

1шт.

2

700709854

PTO

TRACTOR HALF ASSEMBLY

1шт.

This P/N 70070984 is 540 rpm, to convert to 1000 rpm, see Figure 122, or service bulletin nhf 019 90.

1шт.

3

700707183

CHAIN (AG)

CHAIN - safety

3шт.

4

700709047

SHIELD

RING - bearing (set of two)

1шт.

5

700709856

SHIELD

ASSEMBLY (less CV)

1шт.

6

700707189

SHIELD

BEARING - shield, outer

1шт.

7

700709040

FORK

YOKE ASSEMBLY - tractor

1шт.

8

700707181

COLLAR

- and snap ring

1шт.

9

700709053

CONE

SHIELD - CV

1шт.

10

700709858

SHIELD

- assembly - implement

1шт.

11

700707187

NIPPLE, LUBE

ZERK

1шт.

12

700709041

CROSS

JOURNAL REPAIR KIT

2шт.

13

700709042

BODY

- CV

1шт.

14

700709851

FORK

YOKE

1шт.

15

763847

PIN

- spring

1шт.

16

700709852

TUBE

- drive, outer

1шт.

17

700707175

NUT

COLLAR - grease

1шт.

18

700709853

FORK

YOKE - implement

1шт.

19

700707171

CROSS

JOURNAL REPAIR KIT

1шт.

20

700707193

NIPPLE, LUBE

ZERK

3шт.

21

700707172

TUBE

YOKE - tube, inner

1шт.

22

700707173

TUBE

- drive, inner

1шт.

23

700707194

PIN

- spring

1шт.

24

700707188

INNER SHIELD

BEARING - shield, inner

1шт.

25

700709860

PIN

- special, yoke

1шт.

26

700708790

KIT

PUSH PIN AND SPRING

1шт.

Выбрано товаров: 0