Запчасти Case IH 8460 (050) - DRIVE SHAFT, CLUTCH, ASSEMBLY Driveline

Схема запчастей Case IH 8460 - (050) - DRIVE SHAFT, CLUTCH, ASSEMBLY Driveline
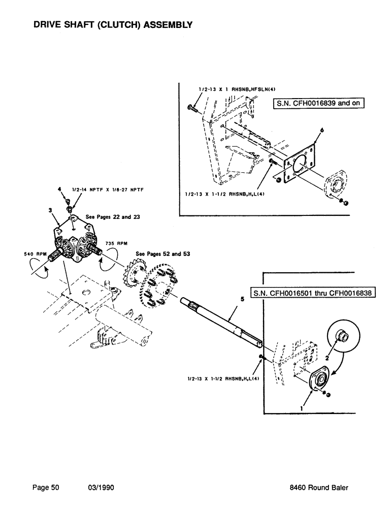
5
3
2
1
6
4
FIT
1:1
100%

Артикул

Название

Примечание

Количество

1

700109753

BEARING ASSY,97 mm ID x 108 mm OD x 33 mm

FLANGE BEARING ASSEMBLY

1шт.

2

712158

SPHERICAL BEARING,2" ID x 100 mm OD

BEARING - spherical

1шт.

3

6500540

GEARBOX

(S.N. CFH0016501 thru CFH0016838)

1шт.

700709190

GEARBOX ASSY

GEARBOS (S.N. CFH0016839 and on)

1шт.

4

7751605

BREATHER

1шт.

5

700116068

SHAFT

cross

1шт.

6

700119086

PLATE

(S.N. CFH0016839 and on)

1шт.

433-816

CARRIAGE BOLT,Sq Nk, 1/2" - 13 x 1", Gr 5

1/2-13 x 1 RHSNB

4шт.

7700156

CARRIAGE BOLT,Sq Nk, 1/2" - 13 x 1 1/2", Gr 5

1/2-13 x 1-1/2 RHSNB

4шт.

Выбрано товаров: 0