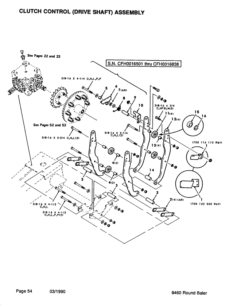
Запчасти Case IH 8460 (054) - CLUTCH CONTROL, DRIVE SHAFT, ASSEMBLY Driveline

Схема запчастей Case IH 8460 - (054) - CLUTCH CONTROL, DRIVE SHAFT, ASSEMBLY Driveline
4
3
1
9
6
14
13
10
16
1
8
11
3
5
7
3
4
2
12
15
FIT
1:1
100%

Артикул

Название

Примечание

Количество

1

700116110

ANCHOR

MOUNT - magnet (S.N. CFH0016501 thru CFH0017432)

1шт.

700122550

MOUNTING PARTS

MOUNT - magnet (S.N. CFH0017432 and on)

1шт.

2

700116072

SHIM

- link

4шт.

3

700116071

SPACER

3шт.

4

700116070

SPACER

4шт.

5

6212740

SPACER

1шт.

6

700116085

LATCH

(S.N. CFH0016501 thru CFH001683)

1шт.

7

52183

BUSHING

3/4 x 18 GAUGE MACHINERY BUSHING (S.N. CFH0016501 thru CFH001683)

1шт.

8

700707979

SPRING

- torsion (S.N. CFH0016501 thru CFH001683)

1шт.

9

700116062

SPACER

(S.N. CFH0016501 thru CFH001683)

1шт.

10

700116063

GUIDE

(S.N. CFH0016501 thru CFH001683)

1шт.

11

700116066

ROLLER

ASSEMBLY

4шт.

12

700116064

ARM

- clutch

4шт.

13

700116065

SPACER

4шт.

14

700116069

SPACER

1шт.

15

700707402

BEARING, ROLLER, CYL,10 mm ID x 30 mm OD x 9 mm

BEARING - cylindrical

4шт.

16

700707403

RING

- retainer, internal

4шт.

703199

BOLT,Hex, 3/8" - 16 x 3/4", Gr 5, Full Thd

3/8-16 x 3/4 C

3шт.

873174

BOLT,Hex, 3/8" - 16 x 3 1/4", Gr 5

3/8-16 x 3-1/4 C

2шт.

701342

BOLT

3/8-16 x 3-3/4 C

2шт.

700702141

BOLT,Hex, 3/8"-16 x 4 1/4", G5

3/8-16 x 4-1/4 C

1шт.

701714

BOLT,Hex, 3/8" - 16 x 4 1/2", Gr 5

3/8-16 x 4-1/2 C

3шт.

Выбрано товаров: 0