Качественные детали и логистика
Оригинальные и аналоговые запчасти с доставкой по России, Казахстану и Беларуси
©2022 PartSell ООО "Система" ИНН 2463123282 ОГРН 1212400004838
Центральный офис: г. Красноярск, Академика Киренского, д.87, пом.4
Телефон: 8 (800) 777-65-74 Email: zakaz@partsell.ru
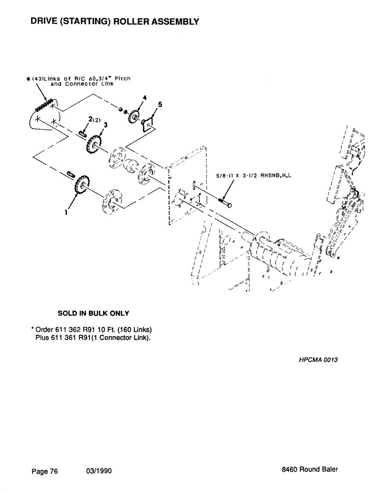
(076) - DRIVE, STARTING, ROLLER ASSEMBLY
№
Артикул
Название
Примечание
Количество
1
6867667
SPROCKET ASSY.
SPROCKET - 60-P, 23-tooth
1шт.
2
61432
BUCKET TOOTH KEY
3/8 x 3/8 x 1-1/2 GIB KET
2шт.
3
6621155
SPROCKET - 60-P, 19 tooth
4
541857R92
SPROCKET,15T
- idler, 60P, 15-tooth
5
700116040
SUPPORT
- sprocket
7870215
CARRIAGE BOLT,Short NK, 5/8"-11 x 3 1/2", G5
5/8-11 x 3-1/2 RHSNB
Выбрано товаров: 0