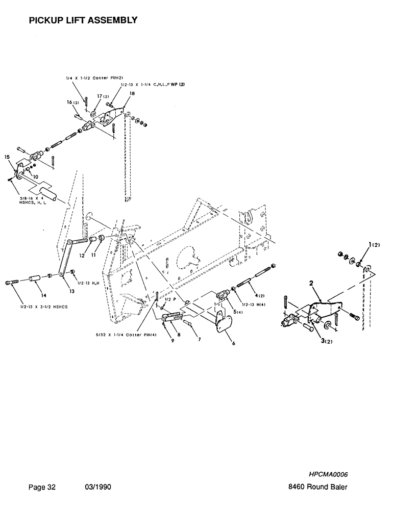
Запчасти Case IH 8460 (032) - PICKUP LIFT ASSEMBLY Pickup

Схема запчастей Case IH 8460 - (032) - PICKUP LIFT ASSEMBLY Pickup
12
2
1
13
9
15
11
3
7
4
17
10
8
5
6
18
14
16
FIT
1:1
100%

Артикул

Название

Примечание

Количество

1

296038

SPECIAL TOOL

2шт.

2

700114185

CRANK

BELLCRANK - left

1шт.

3

77032

FITTING

1/4-28 ZERK

2шт.

4

700114196

STEM

ROD - link

2шт.

5

066183

CLEVIS

- 1/2-13 thread

4шт.

6

700114177

TUBE ASSY.

TUBE ASSEMBLY - torque

1шт.

7

63966

PIN

1/2 x clevis pin

1шт.

8

700114190

CLEVIS

1шт.

9

87415

LUBE NIPPLE,90 Degree, 1/4" NPT x 3/4" L, Drive

1/4-28 x 90 deg. ZERK

1шт.

10

6869382

SPACER

1шт.

11

700707873

THRUST BEARING

BEARING - thrust

1шт.

12

6292387

SPACER,31.75 mm OD, 44.5 mm Length

1шт.

13

700114193

CRANK

ARM - crank

1шт.

14

700114197

TUBE,21 mm ID, 25.4 mm OD, 72 mm Length

- crank

1шт.

15

700114183

LEVER

ARM - torque, end

1шт.

16

IH63677

CLEVIS PIN

1/2 x 1-27/64 CLEVIS PIN

3шт.

17

52258

BUSHING

1 x 14 GAUGE MACHINERY BUSHING

2шт.

18

700114186

CRANK

BELLCRANK - right

1шт.

7701188

BOLT,Hex, 1/2" - 13 x 1 1/4", Gr 5

1/2-13 x 1-1/4 C

2шт.

702019

SCREW

3/8-16 x 4 HSHCS

1шт.

9406829

HEX SOC SCREW,1/2" - 13 x 3 1/2"

1/2-13 x 3-1/2 HSHCS

1шт.

Выбрано товаров: 21