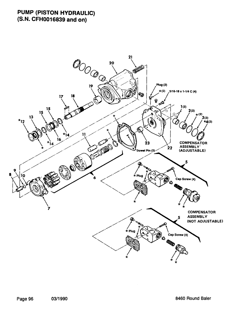
Запчасти Case IH 8460 (096) - PUMP, PISTON HYDRAULIC, SERIAL NUMBER CFH0016839 AND ON (07) - HYDRAULICS

Схема запчастей Case IH 8460 - (096) - PUMP, PISTON HYDRAULIC, SERIAL NUMBER CFH0016839 AND ON (07) - HYDRAULICS
7
5
16
18
11
8
23
15
22
15
14
10
1
13
2
6
9
3
14
20
12
5
4
19
21
17
FIT
1:1
100%

Артикул

Название

Примечание

Количество

700708580

PUMP

- hydraulic, piston (CFH0016839 and on)

1шт.

1

700709120

RACE

- inner

2шт.

2

700709129

BEARING

- trunnion

2шт.

3

700709124

COVER

- trunnion

2шт.

4

740720

RING

- retainer, trunnion

2шт.

5

700709151

PUMP

COMPENSATOR ASSEMBLY - adjustable (S.N. CFH0016501 thru CFH0017638)

1шт.

700709151

PUMP

COMPENSATOR ASSEMBLY - not adjustable (S.N. CFH0017639 and on)

1шт.

6

700709123

KIT

- rotating

1шт.

7

700709128

LARGE PLATE

CAM PLATE

1шт.

8

700709126

COLLAR

- spring

1шт.

9

700709127

BUTTON

- pivot

1шт.

10

700706559

ROLL PIN

1шт.

11

700709125

PISTON

- control

1шт.

12

7035983

RING, SNAP

RING - retainer

1шт.

13

700709135

WASHER

1шт.

14

738633

RING, SNAP

RING - retainer

2шт.

15

700700941

RACE

- bearing, thrust

2шт.

16

700700942

BEARING

- thrust

1шт.

17

700709131

KEY

1шт.

18

700709119

SHAFT

- drive

1шт.

19

700700949

NEEDLE BEARING

BEARING - housing

1шт.

20

700709122

HOUSING

1шт.

21

700709130

SPRING

1шт.

22

700709134

BACK PLATE

BACKPLATE

1шт.

23

700709133

BEARING

- backplate

1шт.

24

700709132

KIT

SEAL AND O-RING REPAIR KIT, Includes items in art marked with asterisk

1шт.

7701568

BOLT,Hex, 5/16" - 18 x 1 1/4", Gr 5

5/16-18 x 1-1/4 C

4шт.

Выбрано товаров: 0