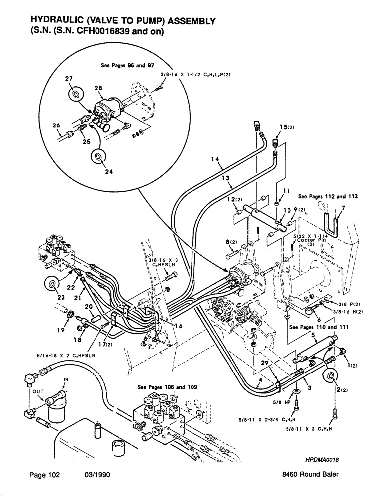
Запчасти Case IH 8460 (102) - HYDRAULIC, VALVE TO PUMP, ASSEMBLY, SERIAL NUMBER CFH0016839 AND ON (07) - HYDRAULICS

Схема запчастей Case IH 8460 - (102) - HYDRAULIC, VALVE TO PUMP, ASSEMBLY, SERIAL NUMBER CFH0016839 AND ON (07) - HYDRAULICS
20
6
5
13
7
26
8
23
21
3
19
24
11
25
29
14
10
22
28
16
27
15
4
17
18
2
12
9
FIT
1:1
100%

Артикул

Название

Примечание

Количество

1

7746555

ELBOW

90 deg. ELBOW WITH O-RING

2шт.

2

738468

O-RING

2шт.

3

700707390

HYDRAULIC HOSE,6.35 mm ID x 2475.00 mm, SAE 100R1

6.35 mm ID x 2475.00 mm, SAE 100R1

1шт.

4

700707389

HYDRAULIC HOSE,6.35 mm ID x 2275.00 mm, SAE 100R1

6.35 mm ID x 2275.00 mm, SAE 100R1

1шт.

5

700707410

CYLINDER

- hydraulic, threader

1шт.

700709416

CYLINDER

- hydraulic, threader

1шт.

6

700116206

SPECIAL BOLT

DRAWBOLT

1шт.

7

700117736

ADHESIVE STRIP

TRIM - edge

1шт.

8

863498

CLEVIS PIN

5/8 x 3-1/2 CLEVIS PIN

2шт.

9

254409

SPACER

2шт.

10

7075625

CYLINDER

- hydraulic, pickup

1шт.

11

700119118

SPACER

1шт.

12

312801

SPACER

2шт.

13

700707387

HYDRAULIC HOSE,6.35 mm ID x 1825.00 mm, SAE 100R1

6.35 mm ID x 1825.00 mm, SAE 100R1

1шт.

14

700708944

HYDRAULIC HOSE,6.35 mm ID x 1875.00 mm, SAE 100R1

6.35 mm ID x 1875.00 mm, SAE 100R1

1шт.

15

846170

ELBOW

90 deg. ELBOW

2шт.

16

700117735

ADHESIVE STRIP

TRIM - edge

1шт.

17

700116123

CLAMP

2шт.

18

756486

CLAMP

- line

1шт.

19

7720055

HOSE CLAMP

CLAMP - hose

1шт.

20

6501076

SPACER

1шт.

21

700709241

HYDRAULIC HOSE,12.70 mm ID x 1400.00 mm, SAE 100R1

12.70 mm ID x 1400.00 mm, SAE 100R1

1шт.

22

7846801

ELBOW,45 Degree, 3/4"-16, 37 Degree x 3/4"-16, O-Ring

45 deg. ELBOW WITH O-RING

1шт.

23

279706

O-RING

1шт.

24

7037799

O-RING,14-1, 90 Duro, 1.048" ID x .116" Thk

1шт.

25

700708938

FITTING

CONNECTOR WITH O-RING, flared

1шт.

26

700708999

TUBE,25.4 mm OD, 783, 400 mm Length

LINE - hydraulic

1шт.

27

738484

O-RING

1шт.

28

700708580

PUMP

- hydraulic, piston

1шт.

29

722470

MOUNTING CLIP

TIE - cable

1шт.

30

700118716

WASHER

- special, S.N. CFH0017433 and on

3шт.

31

700709533

ORIFICE

S.N. CFH0017433 and on

1шт.

413-532

BOLT,Hex, 5/16" - 18 x 2", Gr 5

5/16-18 x 2 C

1шт.

703603

SCREW

3/8-16 x 1-1/2 C

2шт.

413-648

BOLT,Hex, 3/8" - 16 x 3", Gr 5

3/8-16 x 3 C

1шт.

703561

BOLT,Hex, 5/8" - 11 x 2 3/4", Gr 5

5/8-11 x 2-3/4 C

1шт.

7703819

5/8-11 x 31/4 C

1шт.

703632

5/8 NP

2шт.

The hose next to #26(in circle is 700709241 - 7/23/98

1шт.

Выбрано товаров: 0