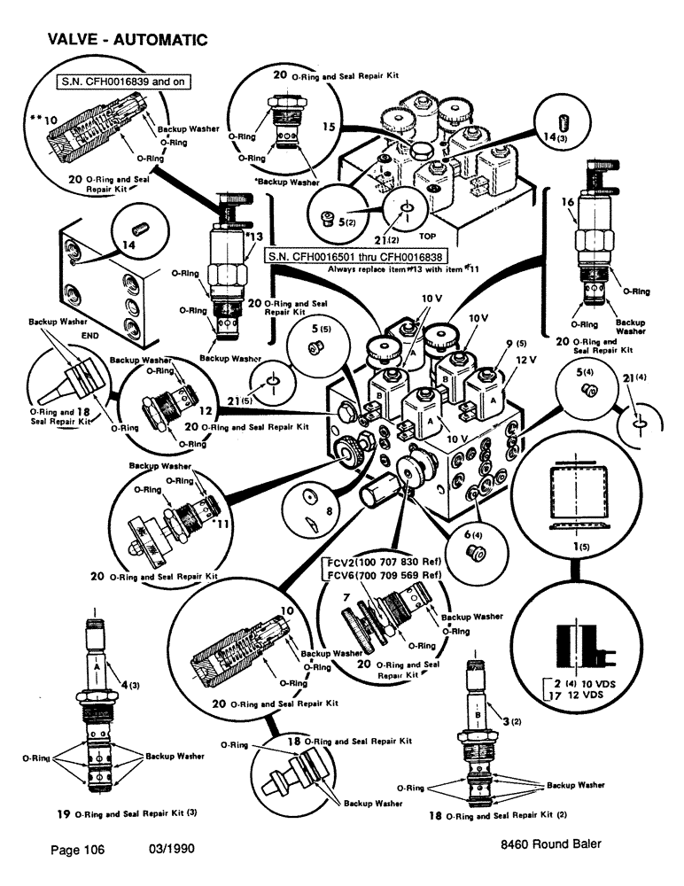
Запчасти Case IH 8460 (106) - VALVE, AUTOMATIC (07) - HYDRAULICS

Схема запчастей Case IH 8460 - (106) - VALVE, AUTOMATIC (07) - HYDRAULICS
12
10
18
21
18
18
20
1
7
20
10
10
16
9
21
14
20
14
13
2
20
20
10
11
19
5
17
8
11
3
12
15
4
5
21
10
20
20
20
5
6
FIT
1:1
100%

Артикул

Название

Примечание

Количество

700707444

VALVE

- automatic, complete

1шт.

1

700707826

REPAIR KIT

KIT - coil housing

5шт.

2

700707825

COIL

(10V DS)

4шт.

3

700706148

CARTRIDGE

(2-pos., 3-way)

2шт.

4

700706610

CARTRIDGE

(2-pos., 4-way)

3шт.

5

700706603

PLUG

(2 SAE)

11шт.

6

700707835

PLUG

(4 SAE)

4шт.

7

700707830

VALVE, CONTROL

FLOW CONTROL - knob adustment (S.N. CFH0016501 thru CFH0016838) sub. 700121500 service kit with orifice

1шт.

700121500

KIT

SERIVICE KIT - flow control see page 109

1шт.

700709569

VALVE

FLOW CONTROL - knob adjustment (S.N. CFH0016839 and on) use orifice int threader cylinder

1шт.

8

700709384

ORIFICE

(.02) (S.N. CFH0016839 and on)

1шт.

S.N. CFH0016501 thru CFH0016838. Use Ref. 13 and only one Ref. 10. Ref. 21 is not used. S.N. CFH0016839 and on, Use Ref. 21 and two Ref. 10. Ref. 13 is not used in its.

1шт.

9

7007065151

NUT

5шт.

10

700706157

HYDRAULIC VALVE

VALVE - relief (2000 PSI) (S.N. CFH0016501 thru CFH0016838)

1шт.

S.N. CFH0016501 thru CFH0016838. Use Ref. 13 and only one Ref. 10. Ref. 21 is not used. S.N. CFH0016839 and on, Use Ref. 21 and two Ref. 10. Ref. 13 is not used in its.

1шт.

700706157

HYDRAULIC VALVE

VALVE - relief (2000 PSI) (S.N. CFH0016839 and on)

2шт.

S.N. CFH0016501 thru CFH0016838. Use Ref. 13 and only one Ref. 10. Ref. 21 is not used. S.N. CFH0016839 and on, Use Ref. 21 and two Ref. 10. Ref. 13 is not used in its.

1шт.

11

700706158

DRAINCOCK/TAP SUPPLY

VALVE - needle

1шт.

12

700707833

VALVE, CHECK

VALVE - check, poppet (15 PSI spring)

1шт.

13

700707827

VALVE, PRESSURE RELI

VALVE - relief, knob adjustment (always sub. 700706157 relief valve)

1шт.

700706157

HYDRAULIC VALVE

VALVE - relief

1шт.

14

8046716

PLUG

4шт.

15

700707832

VALVE PRESSURE RELIE

VALVE - check, ball (5 PSI spring)

1шт.

16

700707829

VALVE, PRESSURE RELI

VALVE - relief, knob adjustment (2000 PSI)

1шт.

17

700710176

COIL

(12V DS)

1шт.

18

700706152

SEAL KIT

O-RING AND SEAL REPAIR KIT

4шт.

ref #18 (P/N 700706152) - piston 700710891

1шт.

19

700707215

SEAL KIT

O-RING AND SEAL REPAIR KIT

3шт.

20

700706154

SEAL KIT

O-RING AND SEAL REPAIR KIT

11шт.

21

238-5228

O-RING,0.139" Thk x 2.234" ID, -228, Cl 5, 75 Duro

11шт.

Выбрано товаров: 0