Запчасти Case IH 8460 (136) - PUMP CONVERSION KIT (07) - HYDRAULICS

Схема запчастей Case IH 8460 - (136) - PUMP CONVERSION KIT (07) - HYDRAULICS
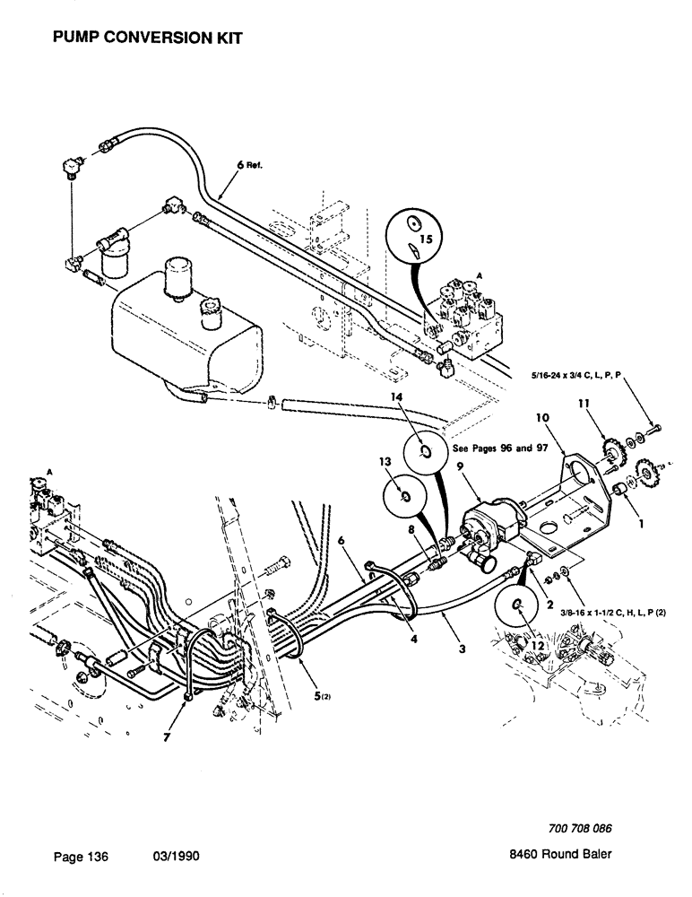
8
10
7
12
13
9
15
11
14
2
6
6
5
1
3
4
FIT
1:1
100%

Артикул

Название

Примечание

Количество

700120769

KIT

PUMP CONVERSION KIT COMPLETE

1шт.

1

700118822

SPACER

1шт.

2

7746555

ELBOW

90 deg. ELBOW WITH O-RING

1шт.

3

700708996

HYDRAULIC HOSE,9.65 mm ID x 2025.00 mm, SAE 100R1

9.65 mm ID x 2025.00 mm, SAE 100R1

1шт.

4

700708999

TUBE,25.4 mm OD, 783, 400 mm Length

HOSE HYDRAULIC

1шт.

5

529070

CABLE TIE,368.3mm L

CABLE - tie

2шт.

6

700709241

HYDRAULIC HOSE,12.70 mm ID x 1400.00 mm, SAE 100R1

12.70 mm ID x 1400.00 mm, SAE 100R1

1шт.

7

722470

MOUNTING CLIP

CABLE - tie

1шт.

8

700708938

FITTING

C0NNECTOR WITH O-RING - flared

1шт.

9

700708580

PUMP

- hydraulic, piston

1шт.

10

700119133

MOUNTING PARTS

MOUNTING - pump

1шт.

11

700708998

SPROCKET ASSY.

SPROCKET - pump, 40-P, 17 tooth

1шт.

12

738468

O-RING

1шт.

13

7037799

O-RING,14-1, 90 Duro, 1.048" ID x .116" Thk

1шт.

14

738484

O-RING

1шт.

15

700709384

ORIFICE

1шт.

7773914

BOLT,Hex, 5/16" - 24 x 3/4", Gr 5

5/16-24 x 3/4 C

1шт.

703603

SCREW

3/8-16 x 1-1/2 C

2шт.

Выбрано товаров: 18