Запчасти Case IH 8460 (060) - MAINFRAME, FRONT, ASSEMBLY AND AXLE ASSEMBLY (12) - MAIN FRAME

Схема запчастей Case IH 8460 - (060) - MAINFRAME, FRONT, ASSEMBLY AND AXLE ASSEMBLY (12) - MAIN FRAME
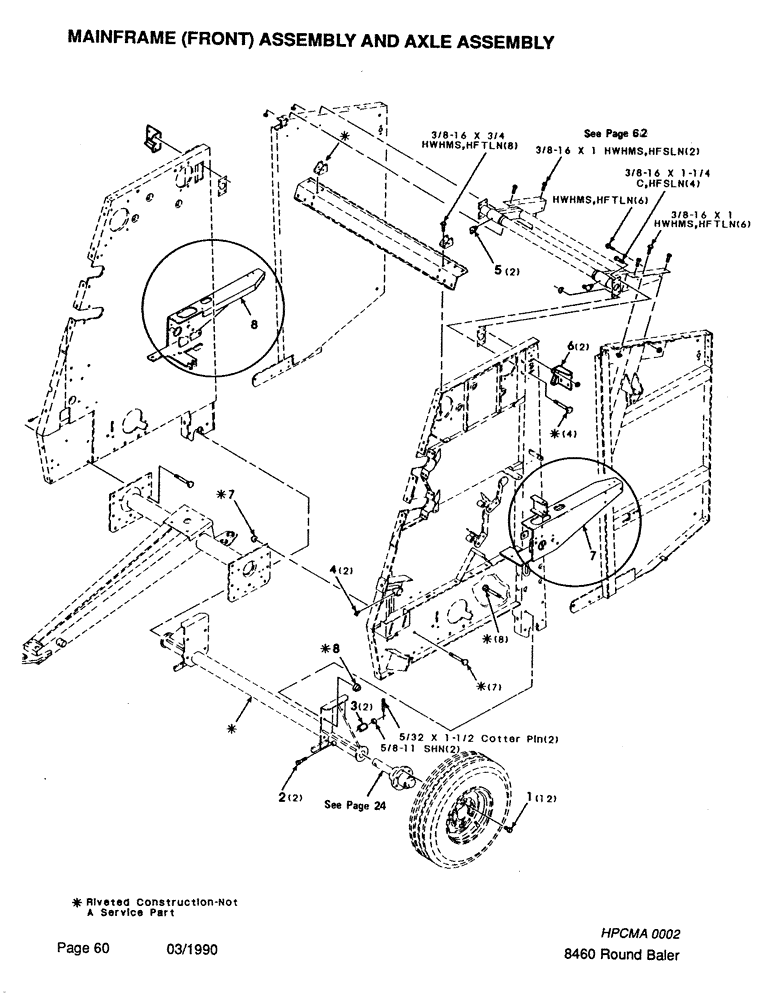
5
1
6
4
8
3
7
2
8
7
FIT
1:1
100%

Артикул

Название

Примечание

Количество

1

T52730

WHEEL BOLT

9/16-18 x 1-1/8 wheel bolt (S.N. CFH0016501 thru CFH0017432)

12шт.

826313

NUT

9/16-18 wheel nut (S.N. CFH0017433 and on)

12шт.

2

700114344

SCREW

- special

2шт.

3

300830

SPACER

2шт.

4

77057

1/4-28 x 90 deg. ZERK

2шт.

5

77040

FITTING

1/4-28 x 45 deg. ZERK

2шт.

6

700116214

SUPPORT

2шт.

7

700114238

ARM

SUPPORT - left (Weldment)

1шт.

8

700114239

ARM

SUPPORT - right (Weldment)

1шт.

702035

BOLT,Hex, 3/8" - 16 x 1 1/4", Gr 5, Full Thd

3/8-16 x 1-1/4 C

7шт.

7883374

SCREW,Hex Washer, 3/8" - 16 x 3/4"

3/8-16 x 3/4 HWHMS

8шт.

7883382

BOLT,Hex, 3/8" - 16 x 1", Gr 120M

3/8-16 x 1 HWHMS

12шт.

704916

SLOTTED NUT,5/8"-11, G5

5/8-11 SHN

2шт.

704734

FLANGE NUT,Flg, 3/8"-16

3/8-16 HFTLN

28шт.

Выбрано товаров: 14