Запчасти Case IH 8460 (064) - SHIELDS, UPPER CENTER, ASSEMBLY (12) - MAIN FRAME

Схема запчастей Case IH 8460 - (064) - SHIELDS, UPPER CENTER, ASSEMBLY (12) - MAIN FRAME
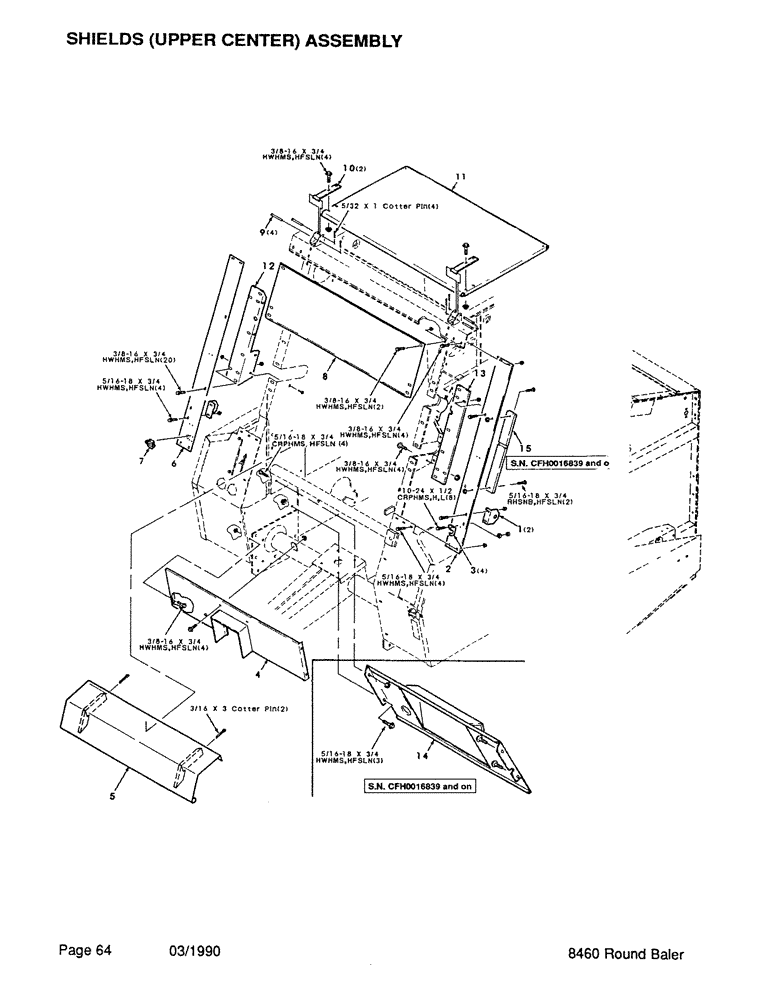
1
9
11
15
14
4
3
10
2
13
7
6
8
12
5
FIT
1:1
100%

Артикул

Название

Примечание

Количество

1

700117068

SUPPORT

2шт.

2

700117050

PANEL

- vertical, left

1шт.

3

7025075

BRACKET

- hook

4шт.

4

700116022

SHIELD

- front, drive shaft

1шт.

5

700116011

SHIELD

1шт.

6

700117057

PANEL

- right

1шт.

7

700707437

COUNTER

- bale

1шт.

8

700117094

SHIELD

front, upper

1шт.

9

763557

PIN

3/8 x 2-3/4 clevis pin

4шт.

10

700117096

HINGE

- shield, top

1шт.

11

700117095

SHIELD

- top

1шт.

12

700116216

SHIELD

- right

1шт.

13

700116215

SHIELD

- left

1шт.

14

700119100

SHIELD

(S.N. CFH0016839 and on)

1шт.

15

700709195

BUMPER

BOARD - chain (S.N. CFH0016839 and on)

1шт.

700013

CARRIAGE BOLT,Sq Nk, 5/16" - 18 x 3/4", Gr 5

5/16-18 x 3/4 RHSNB

2шт.

7883325

BOLT,Hex, 5/16" - 18 x 3/4", Gr 120M

5/16-18 x 3/4 HWHMS

32шт.

7883374

SCREW,Hex Washer, 3/8" - 16 x 3/4"

3/8-16 x 3/4 HWHMS

34шт.

700700628

SCREW,Cross Pan Hd, #10-24 x 1/2"

NO. 10-24 x 1/2 CRPHMS

8шт.

700701069

SCREW,Cross Pan Hd, 5/16"-18 x 3/4"

5/16-18 x 3/4 CRPHMS

4шт.

Выбрано товаров: 0