Качественные детали и логистика
Оригинальные и аналоговые запчасти с доставкой по России, Казахстану и Беларуси
©2022 PartSell ООО "Система" ИНН 2463123282 ОГРН 1212400004838
Центральный офис: г. Красноярск, Академика Киренского, д.87, пом.4
Телефон: 8 (800) 777-65-74 Email: zakaz@partsell.ru
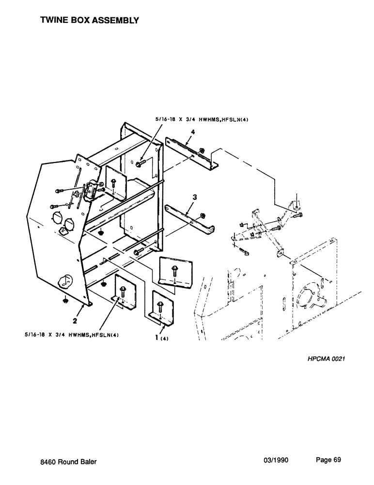
(069) - TWINE BOX ASSEMBLY
№
Артикул
Название
Примечание
Количество
1
6868459
DIVIDER
4шт.
2
700117731
BOX
- twine
1шт.
3
700115975
ANGLE
- support
4
700115979
SUPPORT
700013
CARRIAGE BOLT,Sq Nk, 5/16" - 18 x 3/4", Gr 5
5/16-18 x 3/4 RHSNB
7883325
BOLT,Hex, 5/16" - 18 x 3/4", Gr 120M
5/16-18 x 3/4 HWHMS
7шт.
230-4215
NUT,5/16"-18, GA
5/16-18 HCLN
Выбрано товаров: 0