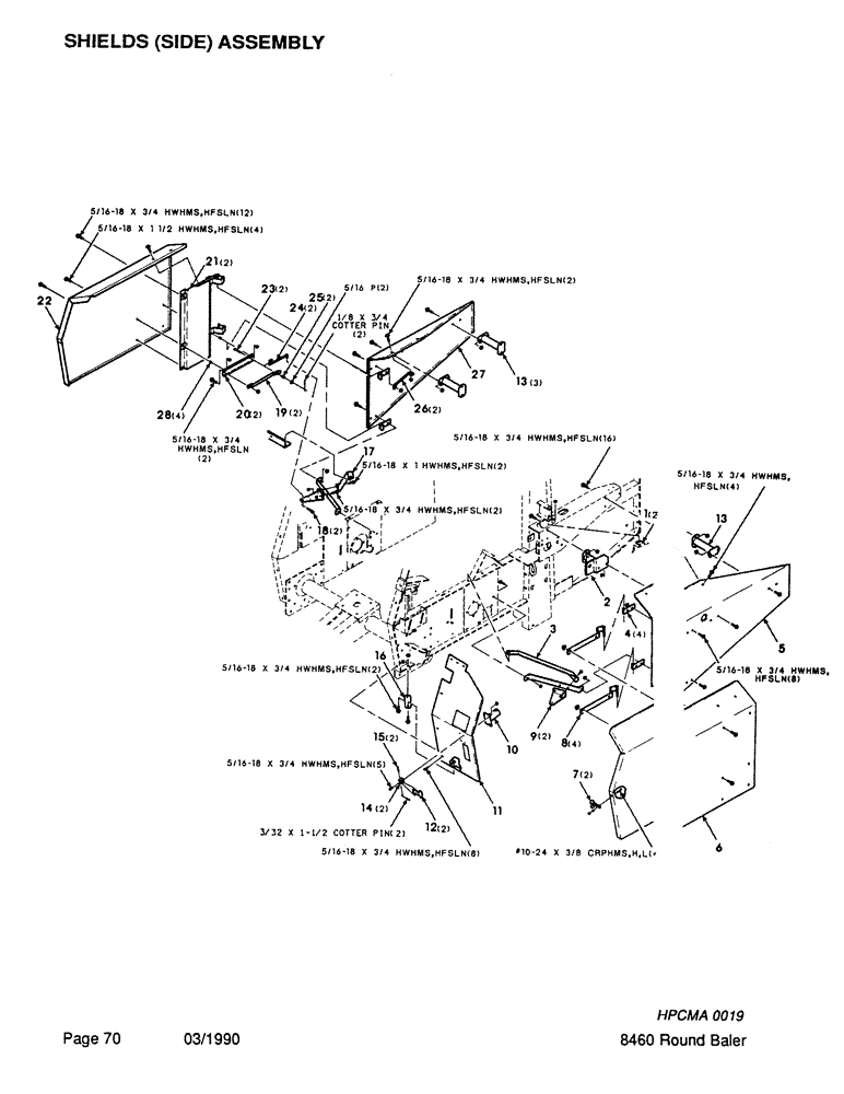
Запчасти Case IH 8460 (070) - SHIELDS, SIDE, ASSEMBLY (12) - MAIN FRAME

Схема запчастей Case IH 8460 - (070) - SHIELDS, SIDE, ASSEMBLY (12) - MAIN FRAME
4
28
2
7
17
5
20
19
6
25
23
13
14
16
22
13
27
10
15
12
18
1
11
9
8
26
21
24
3
FIT
1:1
100%

Артикул

Название

Примечание

Количество

1

700114084

STRAP

2шт.

2

700115994

SUPPORT

- front, shield

1шт.

3

700116000

STRAP

- left

1шт.

4

700115986

HINGE

- shield, rear

4шт.

5

700117070

SHIELD

left, rear

1шт.

6

700116002

DOOR

- left

1шт.

7

7025075

BRACKET

- hook

2шт.

8

700115984

HINGE

- door

4шт.

9

700117082

SUPPORT

2шт.

10

700115991

SUPPORT

- jack

1шт.

11

700117071

PANEL

- left, front

1шт.

12

776682

HOOK

- rubber

2шт.

13

700115999

SUPPORT

- shield

3шт.

14

776674

SUPPORT

ANCHOR - hook

2шт.

15

63784

CLEVIS PIN

1/4 x 1-1/2 CLEVIS

2шт.

16

700115977

STRAP

- corner

1шт.

17

700116001

STRAP

brace

1шт.

18

S120261

PIN

.149 HAIRPIN COTTER

2шт.

19

700117079

LATCH

- lower

2шт.

20

700117080

CHANNEL

- reinforcement

2шт.

21

700116028

SUPPORT

- door

2шт.

22

700116003

DOOR

- right

1шт.

23

763565

PIN

5/16 x 2 clevis pin

2шт.

24

700117078

SUPPORT

ROD - detent

2шт.

25

754606

SPRING

- compression

2шт.

26

700117083

STRAP

- brace

2шт.

27

700117074

SHIELD

- right, rear

1шт.

28

700117081

SPACER

4шт.

7883325

BOLT,Hex, 5/16" - 18 x 3/4", Gr 120M

5/16-18 x 3/4 HWHMS

67шт.

7883333

BOLT,Hex, 5/16" - 18 x 1", Gr 120M

5/16-18 x 1 HWHMS

2шт.

7883358

SCREW,Hex Washer, 5/16" - 18 x 1 1/2"

5/16-18 x 1-1/2 HWHMS

4шт.

700704837

SCREW,Cross Pan Hd, #10-24 x 3/8"

NO. 10-24 x 3/8 CRPHMS

4шт.

Выбрано товаров: 32