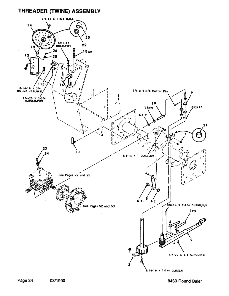
Запчасти Case IH 8460 (034) - THREADER, TWINE, ASSEMBLY (14) - BALE CHAMBER

Схема запчастей Case IH 8460 - (034) - THREADER, TWINE, ASSEMBLY (14) - BALE CHAMBER
21
23
16
1
25
4
8
6
11
2
20
26
24
22
14
10
5
15
18
17
9
19
13
12
3
7
FIT
1:1
100%

Артикул

Название

Примечание

Количество

1

700707665

LARGE PLATE

LEAF - spring

2шт.

2

700107980

ARM

- threader, twine

1шт.

Ref #2-To change to DUAL TWINE ARM, can order p/n 700125692. This kit will contain everything needed.

1шт.

3

700115955

SHAFT

JACKSHAFT - gear

1шт.

4

740159

RING, SNAP

RING - retainer

2шт.

5

700107978

PLATE

1шт.

6

700107977

GUIDE

- twine

2шт.

7

219-8

LUBE NIPPLE,1/4" - 28 NPTF

NIPPLE, LUBE, 1/4"-28 NPT x .54" lg

2шт.

8

52266

WASHER

1-1/4 x 14 GAUGE MACHINERY BUSHING

4шт.

9

52613

RING, SNAP

RING - retainer

2шт.

10

700107974

INDICATOR

- threader arm

1шт.

11

6549869

SUPPORT

BRACKET - tension

2шт.

12

700107969

PLATE

SUPPORT - pulley, twine

1шт.

13

6869382

SPACER

1шт.

14

700116222

PULLEY ASSY.

PULLEY - feeder, twine

1шт.

15

700707677

SPRING

- compression

2шт.

16

7745003

GUIDE

- twine

1шт.

17

51200861

U-BOLT

5/16-18 thread

1шт.

18

214-1406

HOSE CLAMP,#06, 0.44" - 0.78", Type F Worm

CLAMP - hose

2шт.

19

700707201

HOSE

- flex

1шт.

20

700707402

BEARING, ROLLER, CYL,10 mm ID x 30 mm OD x 9 mm

BEARING - cylindrical

1шт.

21

740514

BUSHING,31.81mm ID x 38.2mm OD x 50.8mm L

- oilite

2шт.

22

700707403

RING

- retainer

1шт.

23

7751605

BREATHER

VENT - breather

1шт.

24

846642

BUSHING

- reducer

1шт.

25

858183

SPRING

- compression, S.N. CFH0017639 and on

1шт.

26

700122575

BUTTON

- nylon, S.N. CFH 0017639 and on

1шт.

700707343

SCREW

1/4-20 x 5/8 C

2шт.

7773856

BOLT,Hex, 1/4" - 20 x 2 3/4", Gr 5

1/4-20 x 2-3/4 C

2шт.

413-520

BOLT,Hex, 5/16" - 18 x 1-1/4", Gr 5

5/16-18 x 1-1/4 C (shear bolt)

1шт.

703249

BOLT,Hex, 3/8" - 16 x 1", Gr 5

3/8-16 x 1 C

2шт.

7701055

LEVER,Hex, 3/8" - 16 x 1 3/4", Gr 5

3/8-16 x 1-3/4 C

1шт.

700864

CARRIAGE BOLT,Sq Nk, 3/8" - 16 x 2 1/4", Gr 5

3/8-16 x 2-1/4 RHSNB

1шт.

7883325

BOLT,Hex, 5/16" - 18 x 3/4", Gr 120M

5/16-18 x 3/4 HWHMS

2шт.

704783

SHIM,.020" Thk

1/4-20 HCLN

4шт.

230-4215

NUT,5/16"-18, GA

5/16-18 HCLN

3шт.

PER RPINTS THE KNIFE FOR THIS DUAL TWINE ARM IS P/N 700710761. OAL OF 5", WIDTH OF 1.4/1.5", AND IT HAS CUTTING EDGES ON BOTH SIDES.

1шт.

Выбрано товаров: 37