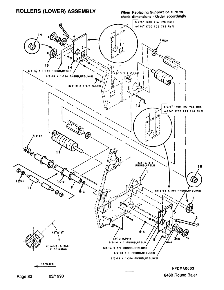
Запчасти Case IH 8460 (082) - ROLLERS, LOWER, ASSEMBLY (14) - BALE CHAMBER

Схема запчастей Case IH 8460 - (082) - ROLLERS, LOWER, ASSEMBLY (14) - BALE CHAMBER
2
10
3
1
11
18
14
12
6
13
5
16
1
19
4
8
17
15
FIT
1:1
100%

Артикул

Название

Примечание

Количество

1

700109753

BEARING ASSY,97 mm ID x 108 mm OD x 33 mm

BEARING ASSEMBLY - flange

2шт.

2

700107962

STRAP

- brace

2шт.

3

50468

SPHERICAL BEARING,38.1 mm ID x 80 mm OD x 22, 43.66 mm

- spherical

2шт.

4

50575

FLANGE

- bearing

4шт.

5

700107965

SUPPORT

- roller, left (S.N. CFH0016501 thru CFH0017638)

1шт.

700122714

SUPPORT

- roller, left (S.N. CFH0017639 and on)

1шт.

6

700100054

SPACER

4шт.

7

700118654

SHIM

2шт.

8

700118652

WASHER

- wear

2шт.

9

700118649

ROLLER

ASSEMBLY - track, Includes: Ref. 11 and 12

1шт.

10

700116219

SPROCKET ASSY.

RIENK - track

2шт.

11

700118651

SHAFT

- roller, track

1шт.

12

8050825

BEARING, ROLLER, CYL,38.1 mm ID x 80 mm OD x 30.163 mm

- cylindrical

4шт.

13

700114407

CRANK

ROD - guide

2шт.

14

700116120

SUPPORT

- roller, right (S.N. CFH0016501 thru CFH0017638)

1шт.

700122715

SUPPORT

- roller, right (S.N. CFH0017639 and on)

1шт.

15

700110467

BEARING ASSY,44.45 mm ID x 92.44 mm OD x 29 mm

BEARING ASSEMBLY - flange

1шт.

16

700107960

OIL SEAL

RING - grass (S.N. CFH0016501 thru CFH0017638)

2шт.

700122771

SPACER

RING - grass (S.N. CFH0017639 and on)

2шт.

17

700707164

ROLLER

rubber

1шт.

18

712158

SPHERICAL BEARING,2" ID x 100 mm OD

BEARING - spherical

1шт.

19

51318

BEARING

- spherical

1шт.

703959

BOLT,Hex, 1/2" - 13 x 1", Gr 5, Full Thd

1/2-13 x 1 C

4шт.

700013

CARRIAGE BOLT,Sq Nk, 5/16" - 18 x 3/4", Gr 5

5/16-18 x 3/4 RHSNB

2шт.

7700065

CARRIAGE BOLT,Sq Nk, 3/8" - 16 x 3/4", Gr 5

3/8-16 x 3/4 RHSNB

3шт.

700047

BOLT

3/8-16 x 1 RHSNB

3шт.

700054

CARRIAGE BOLT,Sq Nk, 3/8" - 16 x 1 1/4", Gr 5

3/8-16 x 1-1/4 RHSNB

1шт.

7700131

SHROUD,Sq Nk, 1/2" - 13 x 1", Gr 5

1/2-13 x 1 RHSNB

8шт.

68619

BOLT,Round, 1/2" - 13 x 1 1/4", Grade 5

1/2-13 X 1-1/4 RHSNB

8шт.

768226

CARRIAGE BOLT,Sq Nk, 1/2" - 13 x 1 3/4", Gr 5

1/2-13 x 1-3/4 RHSNB

2шт.

Выбрано товаров: 30