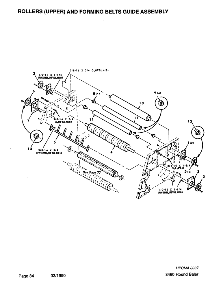
Запчасти Case IH 8460 (084) - ROLLERS, UPPER, AND FORMING BELTS GUIDE ASSEMBLY (14) - BALE CHAMBER

Схема запчастей Case IH 8460 - (084) - ROLLERS, UPPER, AND FORMING BELTS GUIDE ASSEMBLY (14) - BALE CHAMBER
6
2
13
9
1
2
12
4
11
7
2
10
3
11
8
5
FIT
1:1
100%

Артикул

Название

Примечание

Количество

1

700114406

PLATE

SUPPORT - roller

2шт.

2

700109753

BEARING ASSY,97 mm ID x 108 mm OD x 33 mm

BEARING ASSEMBLY - flange

3шт.

3

700107963

SUPPORT

- roller, left

2шт.

4

700707164

ROLLER

- rubber

1шт.

5

700107930

GUIDE

- belt

1шт.

6

700110467

BEARING ASSY,44.45 mm ID x 92.44 mm OD x 29 mm

BEARING ASSEMBLY - flange

1шт.

7

700107964

SUPPORT

- roller, right

1шт.

8

700100927

HUB

- roller

4шт.

9

8050825

BEARING, ROLLER, CYL,38.1 mm ID x 80 mm OD x 30.163 mm

- cylindrical

4шт.

10

700114372

ROLLER

- upper rear

1шт.

11

700116170

ROLLER

- idler

2шт.

12

712158

SPHERICAL BEARING,2" ID x 100 mm OD

BEARING - flange

3шт.

13

51318

BEARING

- flange

1шт.

703199

BOLT,Hex, 3/8" - 16 x 3/4", Gr 5, Full Thd

3/8-16 x 3/4 C

16шт.

7701196

BOLT,Hex, 3/4" - 10 x 1 3/4", Gr 5

3/4-10 x 1-3/4 C

4шт.

68619

BOLT,Round, 1/2" - 13 x 1 1/4", Grade 5

1/2-13 x 1-1/4 RHSNB

16шт.

7883374

SCREW,Hex Washer, 3/8" - 16 x 3/4"

3/8-16 x 3/4 HWHMS

4шт.

Выбрано товаров: 17