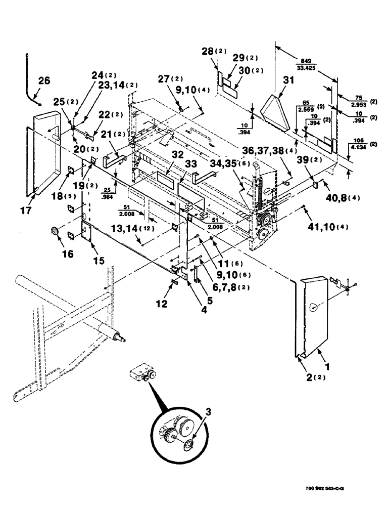
Запчасти Case IH 8460 (9-78) - MESH WRAP KIT, SHIELDS AND DECAL ASSEMBLIES, SERIAL NUMBER CFH0073011 THROUGH CFH0073271 Decals & Attachments

Схема запчастей Case IH 8460 - (9-78) - MESH WRAP KIT, SHIELDS AND DECAL ASSEMBLIES, SERIAL NUMBER CFH0073011 THROUGH CFH0073271 Decals & Attachments
6
9
2
28
24
8
4
40
7
23
14
19
14
8
1
5
9
15
13
41
35
26
27
37
12
10
25
29
16
32
31
34
10
17
18
33
30
22
3
39
20
38
36
11
21
10
FIT
1:1
100%

Артикул

Название

Примечание

Количество

1

700124566

SHIELD

WA - left

1шт.

2

700711948

SPRING

- torsion

2шт.

3

700711189

DECAL

- net - twine

1шт.

4

700125718

SHIELD

1шт.

5

700125893

PLATE

1шт.

6

413-432

BOLT,Hex, 1/4" - 20 x 2", Gr 5

2шт.

7

231-5144

SERRATED NUT,Flg, USR, 1/4"-20

2шт.

8

1703354

NUT

1/4-20 HFTLN GR/G

6шт.

9

409-7612

BOLT,3/8"-16 x 1.09" OAL

3/8-16 X 3/4 HWHMS

10шт.

10

232-5316

FLANGE NUT,Flg, 3/8"-16

3/8-16 HFTLN GR/G

14шт.

11

700711334

FASTENER

- push on

6шт.

12

700130846

HINGE

1шт.

13

256873

BOLT,Hex Serr, 5/16" - 18 x 1/2", 5SPL, Full Thd

12шт.

14

232-5315

FLANGE NUT,Flg, 5/16"-18

5/16-18 HFTLN GR/G

14шт.

15

700125719

SHIELD

1шт.

16

727248

GROMMET

- rubber

1шт.

17

700124567

SHIELD

WA - right

1шт.

18

700124551

HINGE

- support

5шт.

19

700124553

PLATE

HOLDDOWN

2шт.

20

432-68

COTTER PIN,3/32" x 1/2"

PIN, SPLIT (COTTER), 3/32" x 1/2"

2шт.

21

700125844

SLEEVE

SUPPORT

2шт.

22

494307C1

LATCH

HOOK - rubber

2шт.

23

121-115

SERRATED BOLT,Hex, 5/16" - 18 x 3/4"

2шт.

24

141-13

CLEVIS PIN,1/4" x 1.594"

1/4 X 1-1/2 CLEVIS PIN

2шт.

25

776674

SUPPORT

ANCHOR

2шт.

26

700711083

HARNESS

- wire

1шт.

27

7025075

BRACKET

2шт.

28

878660

REFLECTOR

- red

2шт.

29

700711322

DECAL

- caution

2шт.

30

700706191

DECAL

- warning, injury

2шт.

31

311858A1

DECAL

SMV EMBLEM

1шт.

32

700711130

DECAL

- notice

1шт.

33

700711129

DECAL

- operational

1шт.

34

433-620

CARRIAGE BOLT,Sq Nk, 3/8" - 16 x 1 1/4", Gr 5

BOLT, CARRIAGE, Short NK, 3/8"-16 x 1 1/4", G5

6шт.

35

231-5146

FLANGE NUT,3/8"-16

6шт.

36

440-1106

SCREW,Cross Pan Hd, #10-24 x 3/8"

4шт.

37

492-11010

LOCK WASHER,#10

WASHER, LOCK, #10

4шт.

38

225-14110

NUT,#10-24

4шт.

39

700710930

PAD

2шт.

40

440-12512

SCREW,Cross Pan Hd, 1/4"-20 x 3/4"

4шт.

41

434-616

CARRIAGE BOLT,Sht Sq Nk, 3/8" - 16 x 1", Gr 5

3/8-16 X 1 RHSNB

4шт.

Выбрано товаров: 41