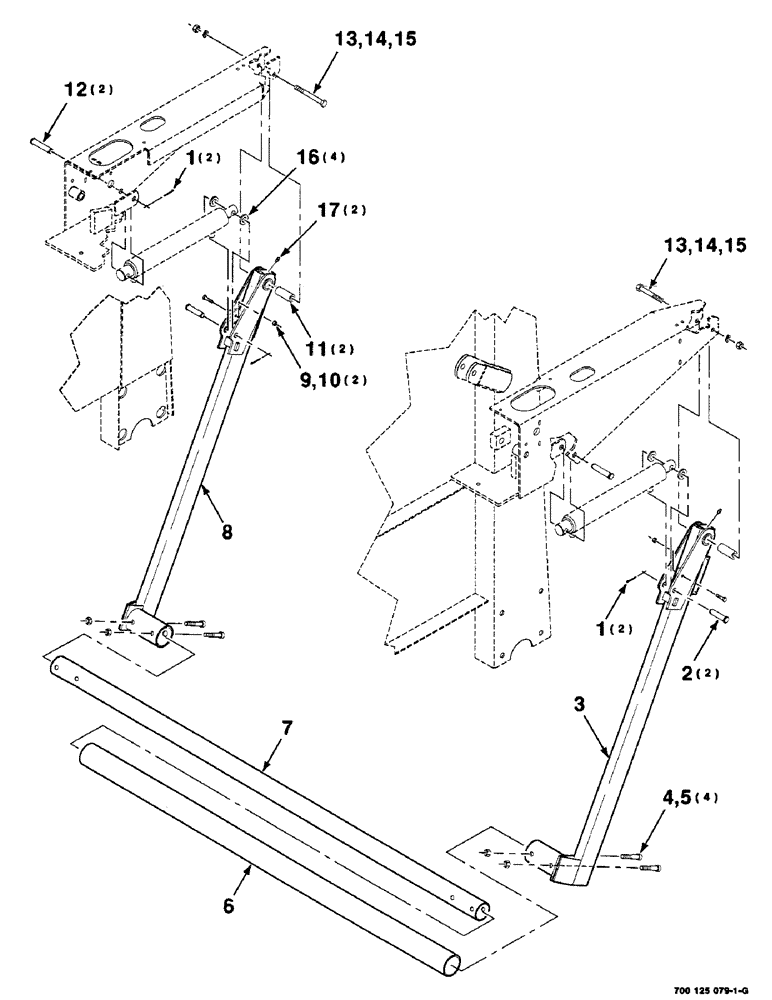
Запчасти Case IH 8465 (5-16) - EJECTOR ASSEMBLY (16) - BALE EJECTOR

Схема запчастей Case IH 8465 - (5-16) - EJECTOR ASSEMBLY (16) - BALE EJECTOR
15
1
12
15
14
5
14
9
3
11
6
7
4
1
17
10
8
16
13
13
2
FIT
1:1
100%

Артикул

Название

Примечание

Количество

1

432-1020

COTTER PIN,5/32" x 1 1/4"

PIN, SPLIT (COTTER), 5/32" x 1 1/4"

4шт.

2

700708068

CLEVIS PIN,15.77mm OD x 68.66mm L

5/8 X 2-1/2 CLEVIS PIN

2шт.

3

700118714

STRUT

WA - left

1шт.

4

61-35052

HEX SOC SCREW,1/2"-13 x 3 1/4"

1/2-13 X 3-1/4 HSHCS SPL

4шт.

5

230-4118

LOCK NUT,1/2"-13, GA

1/2-13 HTLN GR/B

4шт.

6

700125052

ROLLER

- ejector

1шт.

7

700125053

ROLLER

TUBE - ejector

1шт.

8

700122477

STRUT

WA - right

1шт.

9

413-520

BOLT,Hex, 5/16" - 18 x 1-1/4", Gr 5

5/16-18 X 1-1/4 C

2шт.

10

230-4115

LOCK NUT,5/16"-18, GA

5/16-18 HTLN GR/B

2шт.

11

700115943

TUBE,25.4 mm OD, 61 mm Length

2шт.

12

763227

BRACKET

5/8 X 3 CLEVIS PIN

2шт.

13

413-860

BOLT,Hex, 1/2" - 13 x 3-3/4", Gr 5

2шт.

14

80679

LOCK WASHER,1/20.507 CST ZND

WASHER, LOCK, 1/2"

2шт.

15

425-108

NUT,1/2" - 13, Gr 5

NUT, 1/2"-13, G5

2шт.

16

396-21066

WASHER,16.66mm ID x 33.33mm OD x 4.27mm Thk

- 5/8" bolt size 21/32" x 1 5/16" x .150", HDN

4шт.

17

86636814

LUBE NIPPLE,1/4"-28 x .52" lg

NIPPLE, LUBE, 1/4"-28 x .52" lg

2шт.

Выбрано товаров: 17