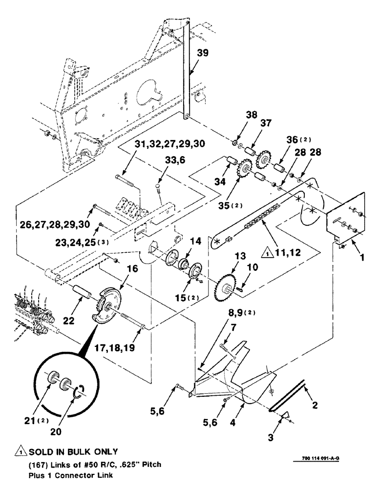
Запчасти Case IH 8465T (3-08) - PICKUP DRIVE ASSEMBLY, LEFT, SERIAL NUMBER CFH0074012 AND LATER Pickup

Схема запчастей Case IH 8465T - (3-08) - PICKUP DRIVE ASSEMBLY, LEFT, SERIAL NUMBER CFH0074012 AND LATER Pickup
12
26
38
25
30
9
6
23
11
7
4
17
19
28
28
16
14
6
8
28
34
3
31
22
5
24
20
36
33
35
39
32
5
1
21
13
30
15
29
2
37
27
10
18
29
6
27
FIT
1:1
100%

Артикул

Название

Примечание

Количество

1

700114164

SHIELD

- pickup, drive

1шт.

2

700710929

SHIELD

- hay

1шт.

3

700125150

RETAINER

- left

1шт.

4

700114135

DEFLECTOR

- wa, left

1шт.

5

121-115

SERRATED BOLT,Hex, 5/16" - 18 x 3/4"

2шт.

6

231-5145

SERRATED NUT,Flg, USR, 5/16"-18

NUT, Flg, USR, 5/16"-18

3шт.

7

409-7512

BOLT,Hex Flg, 5/16" - 18 x 3/4", Spcl

Hex Flg, 5/16-18 x 3/4", Serr

1шт.

8

434-416

CARRIAGE BOLT,Sht Sq Nk, 1/4" - 20 x 1", Gr 5

1/4-20 X 1 RHSNB

2шт.

9

231-5144

SERRATED NUT,Flg, USR, 1/4"-20

2шт.

10

Q3914

KEY,Gib, 1/4" Sq x 1 1/2"

1/4 X 1-1/2 GIB KEY

1шт.

11

1791D

CHAIN (AG),#50, 192 Links x 15.88mm = 3048mm

CHAIN - roller, #50 (10 foot bulk)

1шт.

12

47530

LINK, CONNECTING

LINK - connector, #50

1шт.

13

700109639

SPROCKET ASSY.

SPROCKET - 50B35 tooth

1шт.

14

51292

SPHERICAL BEARING,1.25" ID x 72 mm OD x 19 mm

1шт.

15

617863R1

FLANGED BEARING

- bearing

2шт.

16

700114166

PULLEY

SHEAVE ASSEMBLY (includes items 20 and 21)

1шт.

17

414-12128

BOLT,Hex, 3/4" - 16 x 8", Gr 5

3/4-10 X 8 C

1шт.

18

492-11075

LOCK WASHER,3/4"

3/4"

1шт.

19

425-1012

NUT,3/4"-10, G5

1шт.

20

100-21175

SNAP RING,1.75", Int, #175

Ring, Snap, 1.75", Int, #175

1шт.

21

T39594

BALL BEARING,0.7505" ID x 1.7805" OD x 0.61"

BEARING

2шт.

22

700114171

TUBE,38.1 mm OD, 135.5 mm Length

- pickup, pivot

1шт.

23

434-616

CARRIAGE BOLT,Sht Sq Nk, 3/8" - 16 x 1", Gr 5

3/8-16 X 1 RHSNB

3шт.

24

492-11038

LOCK WASHER,3/8"

3шт.

25

425-106

NUT,3/8"-16, Cl 5

3шт.

26

7870603

BOLT,Sq Nk, 5/8" - 11 x 5 1/2", Gr 5

5/8-11 X 5-1/2 RHSNB

1шт.

27

425-1410

JAM NUT,Jam, 5/8"-11, G5

5/8-11 HEX JAM NUT

2шт.

28

396-21066

WASHER,16.66mm ID x 33.33mm OD x 4.27mm Thk

- 5/8" bolt size 21/32" x 1 5/16" x .150", HDN

3шт.

29

492-11062

BEARING WASHER,5/8"

WASHER, LOCK, 5/8"

2шт.

30

425-1010

NUT,5/8"-11, G5

2шт.

31

413-1088

BOLT,Hex, 5/8" - 11 x 5-1/2", Gr 5

5/8-11 X 5-1/2 C

1шт.

32

495-21069

WASHER,5/8"

5/8 WIDE PLAIN WASHER

1шт.

33

433-512

CARRIAGE BOLT,Sq Nk, 5/16" - 18 x 3/4", Gr 5

1шт.

34

6610844

SPACER

1шт.

35

211623C91

SPROCKET

- idler, 17 tooth

2шт.

36

700114929

TUBE,31.75 mm OD, 41 mm Length

SPACER

2шт.

37

6156871

SPACER

1шт.

38

378521

SPACER

1шт.

39

700114170

STRAP

1шт.

Выбрано товаров: 39