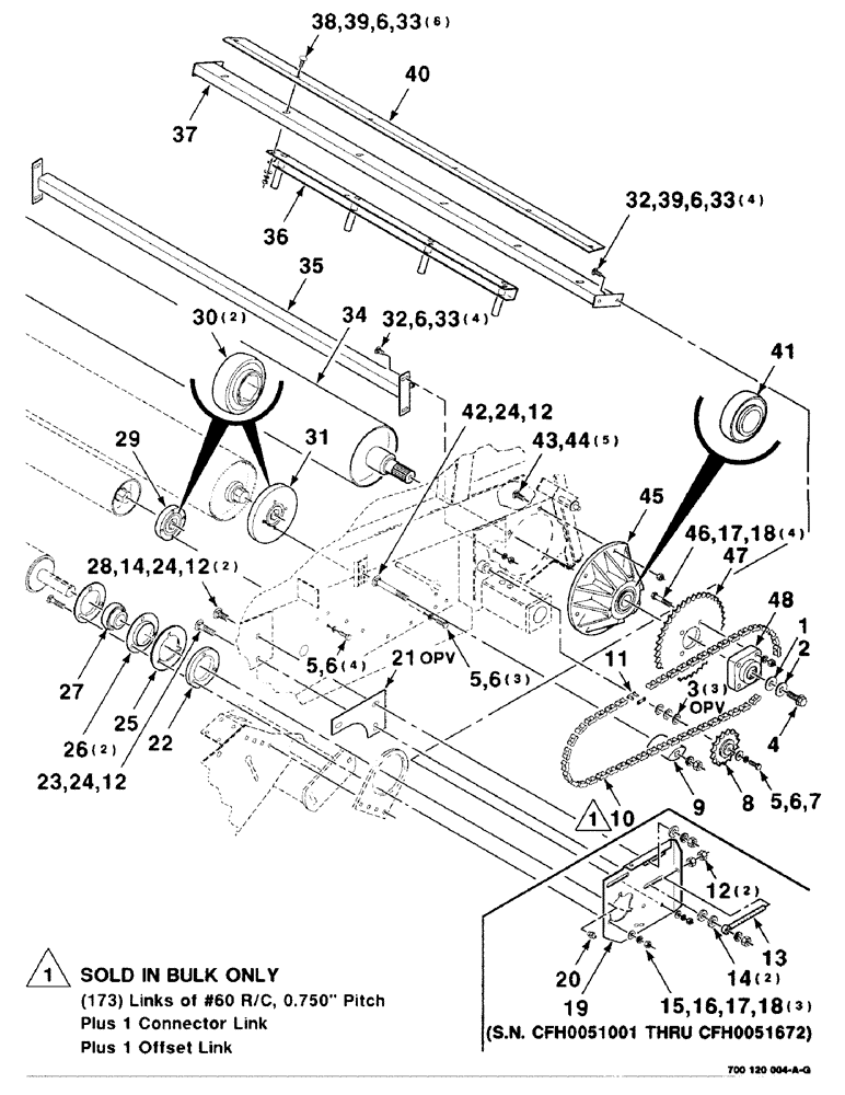
Запчасти Case IH 8480 (2-10) - ROLLER AND DRIVE ASSEMBLY, LOWER, LEFT Driveline

Схема запчастей Case IH 8480 - (2-10) - ROLLER AND DRIVE ASSEMBLY, LOWER, LEFT Driveline
45
40
12
7
41
47
31
6
4
17
15
25
21
16
1
28
33
37
6
27
24
24
26
46
18
14
39
30
43
36
10
20
5
5
17
14
6
38
8
24
11
33
5
6
32
42
6
3
13
6
2
9
12
39
12
19
33
44
23
29
48
35
12
22
32
34
18
FIT
1:1
100%

Артикул

Название

Примечание

Количество

1

700120270

WASHER

- special

1шт.

2

700711557

WASHER

1/2 HARDENED WIDE PLAIN WASHER

1шт.

3

52233

BUSHING

5/8 X 14 GAUGE NRMB

3шт.

4

8701237

BOLT

1/2-13 X 1-1/2 HFS GR8

1шт.

5

413-516

BOLT,Hex, 5/16" - 18 x 1", Gr 5

C Hex, 5/16"-18 x 1", G5, Full Thd

8шт.

6

492-11031

LOCK WASHER,5/16"

WASHER, LOCK, 5/16"

22шт.

7

495-61034

WASHER,0.34" ID x 0.88" OD x 0.06" Thk

5/16 WIDE PLAIN WASHER

1шт.

8

541857R92

SPROCKET,15T

IDLER - sprocket 15 tooth

1шт.

9

700709424

TIGHTENER

SLIDE - chain

1шт.

10

611362R91

CHAIN (AG)

CHAIN - roller #60 (10 foot bulk)

1шт.

11

241-1416

LINK

- connector, #60 R/C

1шт.

12

425-108

NUT,1/2" - 13, Gr 5

NUT, 1/2"-13, G5

6шт.

13

700715225

EYEBOLT,1/2" - 13 x 6"

1/2-13 EYE-BOLT

1шт.

14

495-21056

WASHER,1/2"

1/2 HARDENED PLAIN WASHER

4шт.

15

433-628

CARRIAGE BOLT,Sq Nk, 3/8" - 16 x 1 3/4", Gr 5

3/8-16 X 1-3/4 RHSNB

3шт.

16

496-11041

WASHER,13/32" x 13/16" x .065", HDN

3/8 HARDENED PLAIN WASHER

3шт.

17

492-11038

LOCK WASHER,3/8"

7шт.

18

425-106

NUT,3/8"-16, Cl 5

7шт.

19

700122939

SUPPORT

- left

1шт.

20

86636814

LUBE NIPPLE,1/4"-28 x .52" lg

1/4-28 X 45 DEGREE ZERK

1шт.

21

700126728

SHIM

1шт.

22

700119327

SPACER

- pivot

1шт.

23

433-832

CARRIAGE BOLT,Sq Nk, 1/2" - 13 x 2", Gr 5

1/2-13 X 2 RHSNB

1шт.

24

80679

LOCK WASHER,1/20.507 CST ZND

WASHER, LOCK, 1/2"

4шт.

25

700119326

FLANGE

1шт.

26

T27207

FLANGED BEARING

FLANGE - bearing

2шт.

27

517645R11

COLLAR

BEARING - spherical (Includes collar)

1шт.

For ref # 27 for the bearing try a 571588r92

1шт.

28

433-820

CARRIAGE BOLT,Sq Nk, 1/2" - 13 x 1 1/4", Gr 5

1/2-13 X 1-1/4 RHSNB

2шт.

29

700120267

COLLAR

ASSEMBLY (Includes Item 30)

1шт.

30

700709621

SPHERICAL BEARING,31.78mm Hex x 72mm OD x 25mm W

BEARING - spherical (hex bore)

2шт.

31

700120269

COLLAR

ASSEMBLY (Includes Item 30)

1шт.

32

433-512

CARRIAGE BOLT,Sq Nk, 5/16" - 18 x 3/4", Gr 5

8шт.

33

425-105

NUT,5/16"-18, G5

14шт.

34

700709838

ROLLER

WA

1шт.

35

700120184

SCRAPER

WA

1шт.

36

700120200

GUIDE

WA - belt

1шт.

37

700122924

SUPPORT

WA - scraper

1шт.

38

111-237

CARRIAGE BOLT,Short NK, 5/16"-18 x 1", G5

BOLT, CARRIAGE, Short NK, 5/16"-18 x 1", G5

6шт.

39

496-21034

WASHER,11/32" x 11/16" x 0.89", HDN

10шт.

40

700120187

SCRAPER

1шт.

41

1322251C91

COLLAR

BEARING - spherical

1шт.

Ref 41 THIS PART IS ONLY A COLLAR. IF A BEARING IS NEEDED THE PART NUMBER FOR THE BEARING IS 96328C1.

1шт.

42

411-864

CARRIAGE BOLT,Sq Nk, 1/2" - 13 x 4", Gr 2

1/2-13 X 4 RHSNB

1шт.

43

434-616

CARRIAGE BOLT,Sht Sq Nk, 3/8" - 16 x 1", Gr 5

3/8-16 X 1 RHSSNB

5шт.

44

231-4116

NUT,3/8"-16, GB

3/8-16 HTLN GR/B

5шт.

45

700120247

SUPPORT

HOUSING ASSEMBLY (Includes Item 41)

1шт.

46

413-632

BOLT,Hex, 3/8" - 16 x 2", Gr 5

4шт.

47

700120256

SPROCKET ASSY.

SPROCKET - 40 tooth

1шт.

48

700120251

HUB

- splined

1шт.

Выбрано товаров: 50