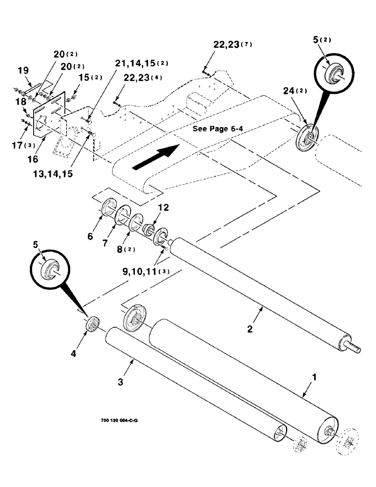
Запчасти Case IH 8480 (2-14) - ROLLER ASSEMBLY, LOWER, RIGHT Driveline

Схема запчастей Case IH 8480 - (2-14) - ROLLER ASSEMBLY, LOWER, RIGHT Driveline
24
12
22
5
20
6
19
3
16
15
23
14
15
20
21
23
22
2
8
15
1
7
5
14
9
4
10
17
13
18
11
FIT
1:1
100%

Артикул

Название

Примечание

Количество

1

700709837

ROLLER

WA

1шт.

2

700122932

ROLLER

(S.N. CFH0051001 thru CFH0051672)

1шт.

2

700126993

ROLLER

WA (S.N. CFH0051673 and later)

1шт.

3

700709833

ROLLER

WA

1шт.

4

700120267

COLLAR

ASSEMBLY (Includes Item 5)

1шт.

5

700709621

SPHERICAL BEARING,31.78mm Hex x 72mm OD x 25mm W

BEARING - spherical

3шт.

6

700119327

SPACER

- pivot

1шт.

7

700119326

FLANGE

1шт.

8

T27207

FLANGED BEARING

FLANGE - bearing

2шт.

9

433-628

CARRIAGE BOLT,Sq Nk, 3/8" - 16 x 1 3/4", Gr 5

3/8-16 X 1-3/4 RHSNB

3шт.

10

492-11038

LOCK WASHER,3/8"

3шт.

11

425-106

NUT,3/8"-16, Cl 5

3шт.

12

517645R11

COLLAR

BEARING - spherical

1шт.

For ref # 12 for the bearing try a 571588r92

1шт.

13

433-832

CARRIAGE BOLT,Sq Nk, 1/2" - 13 x 2", Gr 5

1/2-13 X 2 RHSNB

1шт.

14

80679

LOCK WASHER,1/20.507 CST ZND

WASHER, LOCK, 1/2"

3шт.

15

425-108

NUT,1/2" - 13, Gr 5

NUT, 1/2"-13, G5

5шт.

16

700122940

SUPPORT

- bearing, right

1шт.

17

496-11041

WASHER,13/32" x 13/16" x .065", HDN

3/8 HARDENED PLAIN WASHER

3шт.

18

86636814

LUBE NIPPLE,1/4"-28 x .52" lg

1/4-28 ZERK

1шт.

19

700715225

EYEBOLT,1/2" - 13 x 6"

1/2-13 EYE-BOLT

1шт.

20

495-21056

WASHER,1/2"

1/2 HARDENED PLAIN WASHER

4шт.

21

433-820

CARRIAGE BOLT,Sq Nk, 1/2" - 13 x 1 1/4", Gr 5

1/2-13 X 1-1/4 RHSNB

2шт.

22

413-516

BOLT,Hex, 5/16" - 18 x 1", Gr 5

C Hex, 5/16"-18 x 1", G5, Full Thd

11шт.

23

492-11031

LOCK WASHER,5/16"

WASHER, LOCK, 5/16"

11шт.

24

700120269

COLLAR

ASSEMBLY (Includes Item 5)

2шт.

Выбрано товаров: 26