Запчасти Case IH 8610 (5-02) - ROTOR DRIVE AND SHIELD ASSEMBLY, SERIAL NUMBER CFH0036001 THRU CFH0096511 (64) - CHOPPING

Схема запчастей Case IH 8610 - (5-02) - ROTOR DRIVE AND SHIELD ASSEMBLY, SERIAL NUMBER CFH0036001 THRU CFH0096511 (64) - CHOPPING
3
26
28
20
2
11
5
4
21
23
6
15
12
4
6
10
13
4
25
4
3
16
22
14
8
1
24
17
6
18
27
7
14
4
19
9
2
FIT
1:1
100%

Артикул

Название

Примечание

Количество

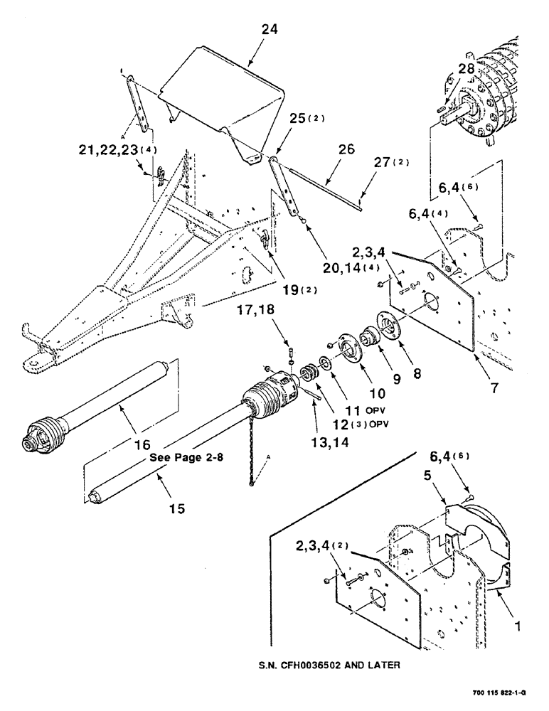
1

700122793

SHIELD

- rotor

1шт.

2

413-828

BOLT,Hex, 1/2" - 13 x 1-3/4", Gr 5

3шт.

3

705541

WASHER,0.53" ID x 1.06" OD x 0.14" Thk

1/2 HARDENED PLAIN WASHER

3шт.

4

231-5348

FLANGE NUT,Flg, 1/2"-13

1/2-13 HFTLN GR/G

19шт.

5

700122790

SHIELD

- upper

1шт.

6

433-820

CARRIAGE BOLT,Sq Nk, 1/2" - 13 x 1 1/4", Gr 5

1/2-13 X 1-1/4 RHSNB

16шт.

7

700117372

PANEL

- end, rotor

1шт.

8

700118628

FLANGE

- bearing

1шт.

9

712158

SPHERICAL BEARING,2" ID x 100 mm OD

BEARING - spherical

1шт.

10

714360

FLANGED BEARING

FLANGE - bearing, inner

1шт.

11

7852866

BUSHING

2 X 18 GAUGE NRMB

1шт.

12

740407

BRUSH, COMMUTATOR

2 X 10 GAUGE NRMB

3шт.

13

413-664

BOLT,Hex, 3/8" - 16 x 4", Gr 5

3/8-16 X 4 C

1шт.

14

232-5316

FLANGE NUT,Flg, 3/8"-16

3/8-16 HFTLN GR/G

5шт.

15

700707932

UNIVERSAL JOINT

DRIVELINE WITH CLUTCH - implement half

1шт.

16

700707931

UNIVERSAL JOINT

DRIVELINE - tractor half

1шт.

17

708081

SET SCREW,Sq Hd, 1/2"-13 x 1 1/4"

1/2-13 X 1-1/4 CPSQHSS

1шт.

18

425-108

NUT,1/2" - 13, Gr 5

NUT, , Hex 1/2"-13, G5

1шт.

19

700706849

LATCH

CLAMP - fastener

2шт.

20

434-616

CARRIAGE BOLT,Sht Sq Nk, 3/8" - 16 x 1", Gr 5

3/8-16 X 1 RHSNB

4шт.

21

340-1108

SCREW,Cross Pan Hd, #10-24 x 1/2"

#10-24 X 1/2 CRPHMS

4шт.

22

492-11010

LOCK WASHER,#10

WASHER, LOCK, #10

4шт.

23

225-14110

NUT,#10-24

4шт.

24

700117332

SHIELD

- driveline

1шт.

25

700117386

SUPPORT

- shield

2шт.

26

700117388

PIN

- pivot

1шт.

27

38-31212

PIN,3/16" x 3/4", Coiled

2шт.

28

6595805

BUCKET TOOTH KEY

1/2 X 1/2 X 4 KEY

1шт.

Выбрано товаров: 28