Запчасти Case IH 8610 (7-10) - CONTAINER ASSEMBLY, SERIAL NUMBER CFH0036001 THRU CFH0036501 (64) - CHOPPING

Схема запчастей Case IH 8610 - (7-10) - CONTAINER ASSEMBLY, SERIAL NUMBER CFH0036001 THRU CFH0036501 (64) - CHOPPING
6
19
14
17
6
14
4
7
3
12
1
19
15
9
11
18
8
2
4
6
20
13
21
22
6
10
16
5
6
FIT
1:1
100%

Артикул

Название

Примечание

Количество

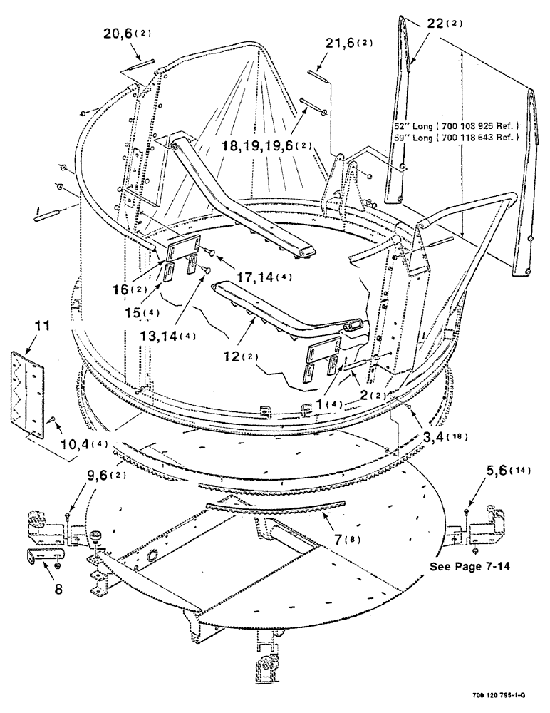
1

38-11624

LOCK PIN,1/4" x 1 1/2", Slotted

PIN, 1/4" x 1 1/2", Slotted

4шт.

2

700117631

PIN

2шт.

3

434-616

CARRIAGE BOLT,Sht Sq Nk, 3/8" - 16 x 1", Gr 5

3/8-16 X 1 RHSNB

18шт.

4

232-5316

FLANGE NUT,Flg, 3/8"-16

3/8-16 HFTLN GR/G

22шт.

5

433-824

CARRIAGE BOLT,Sq Nk, 1/2" - 13 x 1 1/2", Gr 5

1/2-13 X 1-1/2 RHSNB

14шт.

6

231-5348

FLANGE NUT,Flg, 1/2"-13

1/2-13 HFTLN GR/G

22шт.

7

700124866

SEGMENT

SPROCKET (Segment replacement of 28 teeth)

8шт.

8

700115834

STRAP

- adjustable

1шт.

9

433-828

CARRIAGE BOLT,Sq Nk, 1/2" - 13 x 1 3/4", Gr 5

1/2-13 X 1-3/4 RHSNB

2шт.

10

433-620

CARRIAGE BOLT,Sq Nk, 3/8" - 16 x 1 1/4", Gr 5

BOLT, CARRIAGE, Short NK, 3/8"-16 x 1 1/4", G5

4шт.

11

700117319

BLOCK DRIVER

DRIVER - fixed

1шт.

12

700117313

ARM

- driver, bale

2шт.

13

7870132

BOLT,Sq Nk, 5/8" - 11 x 1 1/4", Gr 5

5/8-11 X 1-1/4 RHSNB

4шт.

14

232-53110

FLANGE NUT,Flg, 5/8"-11

5/8-11 HFTLN GR/G

8шт.

15

700117632

PLATE

- backup

4шт.

16

700117318

PLATE

- stop

2шт.

17

433-1024

CARRIAGE BOLT,Sq Nk, 5/8" - 11 x 1 1/2", Gr 5

5/8-11 X 1-1/2 RHSNB

4шт.

18

413-896

BOLT,Hex, 1/2" - 13 x 6", Gr 5

1/2-13 X 6 C

2шт.

19

705541

WASHER,0.53" ID x 1.06" OD x 0.14" Thk

1/2 HARDENED PLAIN WASHER

4шт.

20

413-8120

BOLT,Hex, 1/2" - 13 x 7-1/2", Gr 5

1/2-13 X 7-1/2 B

2шт.

21

413-888

BOLT,Hex, 1/2" - 13 x 5-1/2", Gr 5

.5 X 5.5 UNC GR5 YZD

2шт.

22

700118643

TINE

2шт.

Выбрано товаров: 22