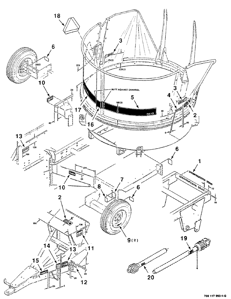
Запчасти Case IH 8610 (9-02) - DECAL LOCATION DIAGRAM, SERIAL NUMBER CFH0036001 THRU CFH0096411 (90) - PLATFORM, CAB, BODYWORK AND DECALS

Схема запчастей Case IH 8610 - (9-02) - DECAL LOCATION DIAGRAM, SERIAL NUMBER CFH0036001 THRU CFH0096411 (90) - PLATFORM, CAB, BODYWORK AND DECALS
1
19
6
17
10
2
20
5
13
3
11
16
2
6
6
4
9
14
18
13
3
8
10
12
15
7
FIT
1:1
100%

Артикул

Название

Примечание

Количество

1

192849A2

DECAL

- Case international

1шт.

2

700706687

DECAL

- warning

2шт.

3

95732C1

DECAL,Case IH Logo

- Case IH

2шт.

4

700707909

DECAL

- arrow

1шт.

5

700710113

DECAL

- Case international (S.N. CFH0036652 and later)

1шт.

700708663

DECAL

- Case international (S.N. CFH0036001 thru CFH0036651)

1шт.

6

7078777

REFLECTOR

- red

3шт.

7

8025777

HYD TUBE

REFLECTOR - amber

1шт.

8

700708947

DECAL

- overlay

1шт.

9

779694

DECAL

- tire pressure

2шт.

10

700708640

DECAL

- caution

2шт.

11

700714229

DECAL

- warning

1шт.

12

700704729

DECAL

- lockout, valve (S.N. CFH0036001 thru CFH0036501)

1шт.

700710579

DECAL

- lockout, valve (S.N. CFH0036502 and later)

1шт.

13

700705309

DECAL

- danger

2шт.

14

700708604

DECAL

- notice

1шт.

15

700708603

DECAL

- caution

1шт.

16

700708662

DECAL

- stripe

1шт.

17

700710114

DECAL

- 8610 (S.N. CFH0036652 and later)

1шт.

700708661

DECAL

- 8610 (S.N. CFH0036001 thru CFH0036651)

1шт.

18

311858A1

DECAL

SMV EMBLEM

1шт.

19

1326528C1

DECAL

- danger

1шт.

20

80672C1

DECAL

- danger

1шт.

Выбрано товаров: 23