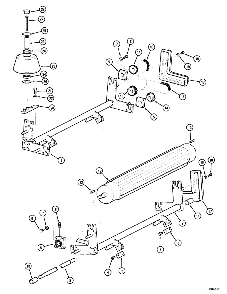
Запчасти Case IH 8640 (2-06) - TOP FRAME, 8630, 8650, ROUND/RECTANGULAR BALE

Схема запчастей Case IH 8640 - (2-06) - TOP FRAME, 8630, 8650, ROUND/RECTANGULAR BALE
13
27
19
14
26
18
10
24
3
26
28
23
11
19
8
5
2
21
16
7
24
6
25
6
17
16
17
13
3
4
5
4
5
20
22
14
18
1
7
9
12
FIT
1:1
100%

Артикул

Название

Примечание

Количество

1

276970A1

FRAME

ASSY., left

1шт.

2

284217A1

FRAME

ASSY., right

1шт.

3

276380A1

WEAR PAD

8шт.

4

840-1620

SCREW,Pan, M6 x 20mm, Cl 4.8

16шт.

5

277483A1

BEARING ASSY,35 mm ID x 44.4 mm

FLANGE ASSY., Includes: 5A

12шт.

5a

NSS

NOT SOLD SEPARAT

BEARING ball, Not Illustrated

1шт.

6

614-12040

BOLT,Hex, M12 x 1.75 x 40mm, Cl 8.8, Full Thd

48шт.

7

895-11012

WASHER,13.5mm ID x 24mm OD x 2.5mm Thk

48шт.

8

219-14

LUBE NIPPLE,1/4" NPTF

1шт.

9

276977A1

SHAFT

drive

2шт.

10

276981A1

BUSHING

SPACER

2шт.

11

276982A1

BUSHING

SPACER

2шт.

12

276974A2

ROLLER

ASSY.

4шт.

13

276644A1

KEY

7 x 8 x 30 mm

6шт.

14

276978A1

SPROCKET ASSY.

15T

4шт.

15

276979A1

SPROCKET ASSY.

15T double

2шт.

16

NSS

NOT SOLD SEPARAT

CHAIN

4шт.

Use 47 Links of 1791D, 1 x 241-1315

1шт.

1791D

CHAIN (AG),#50, 192 Links x 15.88mm = 3048mm

10 ft

1шт.

241-1315

LINK, CONNECTING

No. 50, 5/8P

1шт.

17

276980A1

GUARD

2 Part

2шт.

18

614-10025

BOLT,Hex, M10 x 1.5 x 25mm, Cl 8.8

4шт.

19

282131A1

SPECIAL WASHER

4шт.

20

319085A1

BAR

extension

4шт.

21

614-20050

BOLT,Hex, M20 x 2.5 x 50mm, Cl 8.8, Full Thd

8шт.

22

892-11020

LOCK WASHER,M20

8шт.

23

276714A1

CONE

4шт.

24

3217763R91

BALL BEARING,29.99mm ID x 55mm OD x 13mm W

ball

8шт.

25

276715A1

SPINDLE

SPACER

4шт.

26

895-11020

WASHER,M20 x 37 x 3

22 x 37 x 3 mm

8шт.

27

814-20200

BOLT,Hex, M20 x 2.5 x 200mm, Cl 8.8

M20 x 200; 8.8

4шт.

28

276554A1

PLUG

60 mm

1шт.

Выбрано товаров: 32