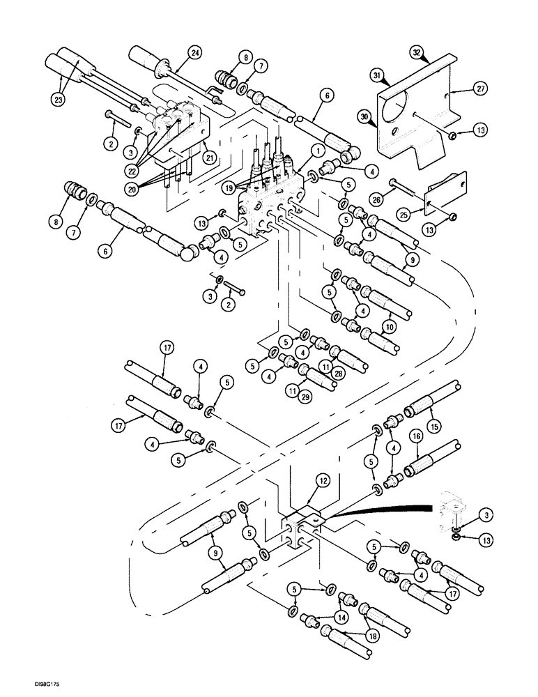
Запчасти Case IH 8640 (2-40) - HYDRAULIC SYSTEM, 8640, 8650, CABLE CONTROL

Схема запчастей Case IH 8640 - (2-40) - HYDRAULIC SYSTEM, 8640, 8650, CABLE CONTROL
5
4
5
5
8
4
6
31
12
5
18
5
23
4
25
14
9
1
27
24
13
8
9
4
13
5
4
13
7
5
11
17
5
17
13
3
28
15
11
29
4
21
5
26
32
20
22
4
5
5
4
2
30
4
3
3
2
19
17
7
4
5
16
10
6
FIT
1:1
100%

Артикул

Название

Примечание

Количество

1

277862A1

VALVE

control

1шт.

2

814-8070

BOLT,Hex, M8 x 1.25 x 70mm, Cl 8.8

3шт.

3

895-11008

WASHER,9mm ID x 16mm OD x 1.6mm Thk

1шт.

4

277034A1

ADAPTER

1шт.

5

277035A1

SEAL

1шт.

6

277033A1

HOSE

ASSY., 2000 mm supply and return

2шт.

7

277037A1

SEAL

1/2 in BSP

4шт.

8

277036A1

COUPLING, BREAK AWAY

2шт.

8a

291354A1

DUST CAP

Not Illustrated

2шт.

9

277893A1

HOSE

ASSY., 350 mm manifold See Figure: 2-88

2шт.

10

277894A1

HOSE

ASSY., 2000 mm hydraulic motor See Figure: 2-24

2шт.

11

277933A1

HOSE

ASSY., 2450 mm valve, diverter #8650 See Figure: 2-44

2шт.

12

277620A1

MANIFOLD

ASSY.

1шт.

13

832-10408

NUT,M8 x 1.25, Cl 8.8

1шт.

14

277171A1

ADAPTER

2шт.

15

277623A1

HOSE

ASSY., 520 mm tilt See Figure: 2-28

1шт.

16

277624A1

HOSE

ASSY., 750 mm tilt See Figures: 2-28 and 2-88

1шт.

17

277888A1

HOSE

ASSY., 2180 mm position See Figure: 2-30

4шт.

18

277626A1

HOSE

ASSY., 2000 mm film tensioner See Figures: 2-64 and 2-72

2шт.

19

277870A1

CABLE SHEATH

sleeve

3шт.

20

277869A1

CABLE

3 mts

3шт.

21

277871A1

BLOCK

1шт.

22

279793A1

HOUSING

3шт.

23

277873A1

CONTROL LEVER

#8640(3), 8650(2)

1шт.

24

277911A1

HANDLE

LEVER control, #8650

1шт.

25

277878A1

ANCHOR

BRACKET

1шт.

26

614-8020

BOLT,Hex, M8 x 1.25 x 20mm

5шт.

27

277875A1

PLATE

SUPPORT

1шт.

28

277889A2

HOSE

ASSY., 2870 mm Lift #8640 See Figure: 2-30

1шт.

29

277891A2

HOSE

ASSY., 3370 mm Lift #8640 See Figure: 2-30

1шт.

30

REF

INSTRUCTION

DECAL See Figure: 2-92

1шт.

31

REF

INSTRUCTION

DECAL See Figure: 2-92

1шт.

32

REF

INSTRUCTION

DECAL See Figure: 2-92

1шт.

Выбрано товаров: 33