Запчасти Case IH 2400 (B-05) - MAIN FRAME AND CONNECTIONS (39) - FRAMES AND BALLASTING

Схема запчастей Case IH 2400 - (B-05) - MAIN FRAME AND CONNECTIONS (39) - FRAMES AND BALLASTING
FIT
1:1
100%

Артикул

Название

Примечание

Количество

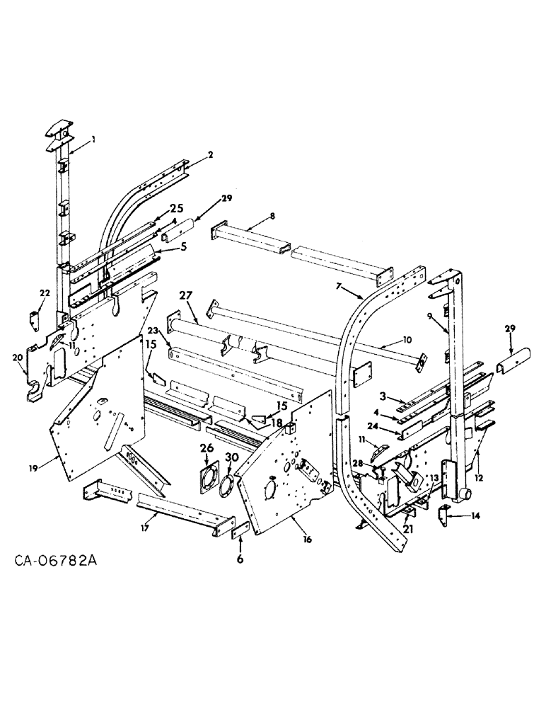
1

219002C93

TUBE

ASSY W/PRODUCT GRAPHIC, vertical tube RH

1шт.

17351R1

CARRIAGE BOLT,Short Sq Nk, 3/8" - 16 x 1", Gr 2

BOLT, 3/8 x 1 znd sq-nk crg

6шт.

482256R1

BEARING LOCK NUT,Flg, USR, 3/8"-16

3/8-16 znd hex lock

6шт.

485734R1

CARRIAGE BOLT,Short NK, 1/2"-13 x 1 1/4", G5, Full Thd

BOLT, 1/2 x 1-1/4 crg type 5

4шт.

465567R1

CARRIAGE BOLT,Sht Sq Nk, 1/2" - 13 x 1 1/2", Gr 5

BOLT, 1/2 x 1-2/ crg type 5

4шт.

180179

BOLT,Hex, 1/2" - 13 x 1 3/4", Gr 5

1/2 x 1-3/4 type 5

8шт.

487374R1

BEARING LOCK NUT,Flg, USR, 1/2"-13

1/2 flange lock

16шт.

210316C2

PRODUCT GRAPHIC

warning

1шт.

2

208410C4

CHANNEL

main frame upper front RH

1шт.

17140R1

CARRIAGE BOLT,Short Nk, 1/2" - 13 x 1 1/4", Gr 2, Full Thd

BOLT, 1/2 x 1-1/4 crg type 1

8шт.

12686R1

CARRIAGE BOLT,Sq Nk, 1/2" - 13 x 1/2", Gr 2, Full Thd

BOLT, CARRIAGE, Short NK, 1/2"-13 x 1 1/2", G2, Full Thd

2шт.

17452R1

BOLT,Hex, 1/2"-13 x 1 1/4", G2

1/2 x 1-1/4 znd hex hd mach

2шт.

18497R1

BOLT,Hex, 1/2"-13 x 1 3/4", G2

1/2 x 1-3/4 type 1

2шт.

487374R1

BEARING LOCK NUT,Flg, USR, 1/2"-13

1/2 flange lock

14шт.

3

218455C2

BAR

rear gear runner

1шт.

4

208417C2

SHIM

rear gate runner

2шт.

18495R1

BOLT,Hex, 3/8" - 16 x 1 1/4", Gr 2

3/8-16 x 1-1/4 znd hex hd mach

2шт.

18779R1

BOLT,Hex, 3/8"-16 x 1 1/2", Gr 2

3/8-16 x 1-1/2 znd hex hd mach

4шт.

120377

NUT,3/8" - 16, Gr 5

8шт.

19031R1

CARRIAGE BOLT,#3, 3/8" - 16 x 1 1/4", Gr 2

BOLT, 3/8 x 1-1/4 plow type 1

8шт.

120382

LOCK WASHER,Helical Spring, 3/8"

WASHER, LOCK, 3/8"

8шт.

482256R1

BEARING LOCK NUT,Flg, USR, 3/8"-16

3/8 flange lock

6шт.

5

218998C92

BRACKET

SUPPORT W/PRODUCT GRAPHIC, gate guide RH

1шт.

6

218386C1

REINFORCEMENT

gear box mounting

1шт.

7

208409C4

CHANNEL

main frame upper front LH

1шт.

8

208396C1

ANCHOR

ASSY, cross beam

1шт.

17351R1

CARRIAGE BOLT,Short Sq Nk, 3/8" - 16 x 1", Gr 2

BOLT, 3/8 x 1 znd sq-nk crg

8шт.

482256R1

BEARING LOCK NUT,Flg, USR, 3/8"-16

3/8 znd hex. lock

8шт.

9

219001C93

TUBE

ASSY W/PRODUCT GRAPHIC, vertical tube LH

1шт.

17351R1

CARRIAGE BOLT,Short Sq Nk, 3/8" - 16 x 1", Gr 2

BOLT, 3/8 x 1 znd sq-nk crg

6шт.

482256R1

BEARING LOCK NUT,Flg, USR, 3/8"-16

3/8-16 znd hex lock

6шт.

485734R1

CARRIAGE BOLT,Short NK, 1/2"-13 x 1 1/4", G5, Full Thd

BOLT, 1/2 x 1-1/4 crg type 5

4шт.

465567R1

CARRIAGE BOLT,Sht Sq Nk, 1/2" - 13 x 1 1/2", Gr 5

BOLT, 1/2 x 1-1/2 crg type 5

4шт.

180179

BOLT,Hex, 1/2" - 13 x 1 3/4", Gr 5

1/2 x 1-3/4 type 5

8шт.

487374R1

BEARING LOCK NUT,Flg, USR, 1/2"-13

1/2 flange lock

16шт.

210316C2

PRODUCT GRAPHIC

warning

1шт.

10

208399C1

ROD

TIE ASSY, rear frame cross

1шт.

17351R1

CARRIAGE BOLT,Short Sq Nk, 3/8" - 16 x 1", Gr 2

BOLT, 3/8 x 1 znd sq-nk crg

4шт.

482256R1

BEARING LOCK NUT,Flg, USR, 3/8"-16

3/8-16 znd hex. lock

4шт.

11

208612C1

SHIELD

lower conveyor

2шт.

12

208367C4

FRAME

ASSY, main LH lower

1шт.

13

210330C1

ANGLE

roll guard

1шт.

154273C1

BOLT,Hex Serr, 3/8" - 16 x 1", Spcl

SCREW, 3/8-16 x 1 lock

2шт.

120382

LOCK WASHER,Helical Spring, 3/8"

WASHER, LOCK, 3/8"

2шт.

120377

NUT,3/8" - 16, Gr 5

2шт.

14

208365C1

ANCHOR

ASSY, spring LH

1шт.

15

218586C1

BAR

deflector

2шт.

18496R1

BOLT,Hex, 1/2"-13 x 1 1/2", G2

1/2 x 1-1/2 type 1

4шт.

204813C1

BOLT,Hex Serr Flg, 1/2" - 13 x 2"

SCREW, 1/2-13 x 2 znd hex-hd flange lock

2шт.

120378

NUT,Hex, 1/2" - 13, Gr 5

NUT, 1/2"-13, G5

2шт.

208770C1

NUT

1/2-13 znd hex lock

6шт.

607895R1

WASHER

.531 x 1.000 x .105

6шт.

16

218996C93

PLATE

ASSY W/PRODUCT GRAPHIC, main frame LH

1шт.

18508R1

CARRIAGE BOLT,Short Nk, 3/8" - 16 x 3/4", Gr 2, Full Thd

BOLT, 3/8 x 3/4 znd sq-nk crg

1шт.

482256R1

BEARING LOCK NUT,Flg, USR, 3/8"-16

3/8-16 znd hex lock

1шт.

17

208319C1

SUPPORT

ASSY, gear box

1шт.

18707R1

CARRIAGE BOLT,Short Sq Nk, 1/2" - 13 x 1", Gr 2

BOLT, 1/2 x 1 znd sq-nk crg

2шт.

17140R1

CARRIAGE BOLT,Short Nk, 1/2" - 13 x 1 1/4", Gr 2, Full Thd

BOLT, 1/2 x 1-1/4 znd sq-nk crg

2шт.

487374R1

BEARING LOCK NUT,Flg, USR, 1/2"-13

1/2-13 znd hex. lock

4шт.

27508R1

SCREW, 7/8-9 x 5 znd dld hex-hd cap

1шт.

427643

SLOTTED NUT,7/8"-9, G5

NUT, 7/8-9 znd slt-hex.

1шт.

103387

COTTER PIN,1/8" x 1 1/2"

Pin, Split (Cotter), 1/8" x 1 1/2"

1шт.

18

214408C1

ANGLE

scraper

3шт.

19

214405C3

PLATE ASSY, main frame upper RH

1шт.

18508R1

CARRIAGE BOLT,Short Nk, 3/8" - 16 x 3/4", Gr 2, Full Thd

BOLT, 3/8 x 3/4 znd sq-nk crg.

1шт.

482256R1

BEARING LOCK NUT,Flg, USR, 3/8"-16

3/8-16 znd hex lock

1шт.

20

208374C4

FRAME ASSY, main RH lower

1шт.

21

214396C1

SUPPORT ASSY.

BLADE, 4 in. tapered roll

1шт.

17433R1

HARDWARE,Hex, 1/2" - 13 x 1", Gr 2

BOLT, 1/2 x 1 type 1

2шт.

487374R1

BEARING LOCK NUT,Flg, USR, 1/2"-13

1/2 flange lock

2шт.

22

208366C1

ANCHOR

ASSY, spring RH

1шт.

23

208412C1

BLADE

SCRAPER, roller

3шт.

17452R1

BOLT,Hex, 1/2"-13 x 1 1/4", G2

1/2 x 1-1/2 znd sq-nk crg

6шт.

208770C1

NUT

1/2-13 znd hex. lock

6шт.

607895R1

WASHER

17/32 x 1 x 11 ga znd

6шт.

24

218997C92

SUPPORT ASSY.

SUPPORT W/PRODUCT GRAPHIC, gate guide LH

1шт.

25

218455C2

BAR

rear gear runner RH, replaces 218577C2

1шт.

26

218387C1

RETAINER

gear box mtg

1шт.

17140R1

CARRIAGE BOLT,Short Nk, 1/2" - 13 x 1 1/4", Gr 2, Full Thd

BOLT, 1/2 x 1-1/4 crg type 1

1шт.

487374R1

BEARING LOCK NUT,Flg, USR, 1/2"-13

1/2 flange lock

1шт.

27

218396C1

SUPPORT

ASSY, main axle

1шт.

28

218127C1

BOLT

adjusting

2шт.

120378

NUT,Hex, 1/2" - 13, Gr 5

NUT, 1/2"-13, G5

4шт.

29

218385C1

SUPPORT

rear gate lock

2шт.

378484R1

HEADED PIN,5/16" x 2"

PIN, 5/16 x 2. hd type 5

2шт.

586591R1

COTTER PIN

PIN, 1/8 QA

2шт.

30

663601R1

SHIM

(or as required)

2шт.

Выбрано товаров: 0