Запчасти Case IH 2400 (B-24) - BELT TIGHTENER (62) - PRESSING - BALE FORMATION

Схема запчастей Case IH 2400 - (B-24) - BELT TIGHTENER (62) - PRESSING - BALE FORMATION
FIT
1:1
100%

Артикул

Название

Примечание

Количество

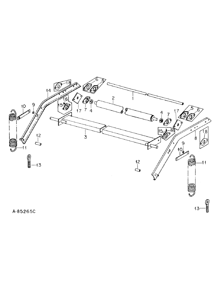
1

208602C2

SPACER

ROD, tie bar

1шт.

26310R1

BOLT,Hex, 3/8" - 16 x 1", Gr 8

3/8 x 1 PHC P/T type 8

2шт.

2

211291C1

TUBE

ASSY, belt tightener, serial No. 4033 and below

2шт.

2

211292C1

TUBE

ASSY, belt tightener, serial No. 4034 and above

2шт.

591715R1

WASHER

1.031 x 1.500 x .054, (or as required)

6шт.

3

208593C1

TUBE

ASSY, tie

1шт.

18508R1

CARRIAGE BOLT,Short Nk, 3/8" - 16 x 3/4", Gr 2, Full Thd

BOLT, 3/8 x 3/4 znd sq-nk crg

4шт.

9411655

LOCK NUT,3/8"-16, GB

NUT, 3/8-16 cad hex. lock

4шт.

4

218423C1

COLLAR

W/SET SCREW, brg locking, serial No. 4033 and below

4шт.

4

211060C1

FLANGE

COLLAR W/SET SCREW, brg locking, serial No. 4034 and above

4шт.

5

(Not used in this application)

1шт.

6

(Not used in this application)

1шт.

7

214490C91

BALL BEARING,25.4mm ID

BEARING ASSY, roller, serial No. 4033 and below

4шт.

16897R1

CARRIAGE BOLT,Short Nk, 5/16" - 18 x 3/4", Gr 2, Full Thd

BOLT, 5/16 x 3/4 crg type 1, serial No. 4034 and above

1шт.

938017R1

FLANGE NUT,Flg, USR, 5/16"-18

5/16 flange lock

8шт.

7

1302001C91

ROLLER BEARING,28.57mm ID

ASSY, roller

4шт.

17351R1

CARRIAGE BOLT,Short Sq Nk, 3/8" - 16 x 1", Gr 2

BOLT, 3/8 x 1 crg type 1

8шт.

482256R1

BEARING LOCK NUT,Flg, USR, 3/8"-16

3/8 flange lock

8шт.

8

208588C2

FRAME

CHANNEL ASSY, bale tightener LH

1шт.

17351R1

CARRIAGE BOLT,Short Sq Nk, 3/8" - 16 x 1", Gr 2

BOLT, 3/8 x 1 znd sq-nk crg

4шт.

482256R1

BEARING LOCK NUT,Flg, USR, 3/8"-16

3/8-16 znd hex. lock

4шт.

9

455150R1

WASHER

SPACER

2шт.

10

208603C1

STOP

ASSY, belt tightener arm

2шт.

11

488238R2

SPRING

belt tightener

2шт.

53718V

WASHER

1-9/32 x 2 x 4 ga

2шт.

432-1640

COTTER PIN,1/4" x 2 1/2"

Split (Cotter), 1/4" x 2 1/2"

2шт.

12

208592C2

SPACER, channel pivot

2шт.

271779

STRIP,Hex, 3/4" - 10 x 4", Gr 5

SCREW, 3/4-10 x 4 znd hex-hd cap

2шт.

280954

NUT,3/4"-10, G5

2шт.

87340

LOCK WASHER,Helical Spring, 0.759" ID, CST, ZND

WASHER, LOCK, 3/4"

2шт.

495-21081

WASHER,3/4"

.812 x 2.00 x .122

4шт.

467750R1

WASHER

25/32 x 1-1/2 x 11 ga znd

2шт.

13

213697C1

BOLT

EYEBOLT

2шт.

124847

COLLAR

5/8-11 znd hex. jam

8шт.

14

208590C2

FRAME

CHANNEL ASSY, bale tightener RH

1шт.

15

219251C91

HOUSING, BEARING

BEARING ASSY, roller, export only, relubricatable bearing used on No. 5 and No. 7 rolls

4шт.

598803R1

CARRIAGE BOLT,Short NK, 5/16"-18 x 1", G5, Full Thd

BOLT, 5/16 x 1 crg type 5

8шт.

938017R1

FLANGE NUT,Flg, USR, 5/16"-18

5/16 flange lock

8шт.

16

87569

LUBE NIPPLE,45 Degree, 1/4" NPT x 4/5" L, Drive

FITTING, 1/4-28 taper drive thd lube

4шт.

17

211057C1

CONNECTOR, ELEC

FLANGE, bearing spacer, serial No. 4034 and above

4шт.

18

210695C1

DISC

FLANGE, bearing spacer, serial No. 4033 and below

8шт.

Выбрано товаров: 41