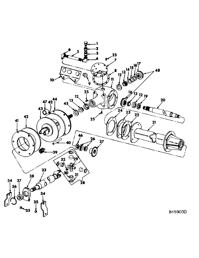
Запчасти Case IH 241 (A-15) - MAIN DRIVE GEAR CASE (14) - MAIN GEARBOX & DRIVE

Схема запчастей Case IH 241 - (A-15) - MAIN DRIVE GEAR CASE (14) - MAIN GEARBOX & DRIVE
FIT
1:1
100%

Артикул

Название

Примечание

Количество

1

153604H1

BREATHER

gear case

1шт.

2

120755

COUPLING,3/8" NPT

3/8, serial No. 501 thru 3710

1шт.

3

12469R1

HYD CONNECTOR

NIPPLE, 3/8 x 4-1/2 pipe, serial No. 501 thru 3710

1шт.

4

119097

ELBOW,90º, 3/8" NPT

3/8 90 deg pipe, serial No. 501 thru 3710

1шт.

5

190699

PIPE,Nipple, 3/8" NPT x 6"

NIPPLE, 3/8 x 6 pipe, serial No. 501 thru 3710

1шт.

6

217-22

ELBOW,90 Degree, 3/8"-18 NPTF, Fem x 3/8"-18 NPTF Male

3/8 90 deg street, serial No. 501 thru 3710

1шт.

7

210442C1

COVER ASSY

COVER, gear case

1шт.

18764R1

HARDWARE,Hex, 5/16"-18 x 3/4", G2

BOLT, 5/16 x 3/4 znd hex-hd mach

6шт.

80681

LOCK WASHER,5/16"

WASHER, LOCK, 5/16"

6шт.

8

663607R1

GASKET

gear case cover

1шт.

9

271928R1

GROMMET

MOUNTING, center bonded

2шт.

180153

BOLT,Hex, 7/16" - 14 x 2", Gr 5

SCREW, 7/16-14 x 2 znd hex-hd cap

2шт.

271501

SOCKET

NUT, 7/16-14 znd hex.

2шт.

23043R1

WASHER

15/32 x 2 x 11 ga znd

2шт.

21226R1

WASHER

1-9/32 x 2 x 11 ga znd

2шт.

10

208453C1

BRACKET

gear box support

1шт.

180173

BOLT,Hex, 1/2" - 13 x 1", Gr 5

2шт.

120384

WASHER,1/2"

LOCK, 1/2"

2шт.

11

548052R1

CASE

PTO gear

1шт.

12

618024R1

BEARING CUP,65.113mm OD x 13.97mm W

Output and input shaft

3шт.

13

618023R91

BEARING ASSY,34.93mm ID x 18.2mm W

BEARING ASSY, output & input shaft cone

3шт.

14

663604R2

SHIM

PTO gear .020

2шт.

15

663605R2

SHIM

PTO gear .007

2шт.

16

663606R2

SHIM

PTO gear .005

2шт.

17

GEAR (NSS), bevel, 15T, order gear set

1шт.

18

GEAR (NSS), bevel, 20T, order gear set

1шт.

19

20108D

SEAL

oil, replaces 663566R91

1шт.

20

208450C1

SHAFT

gear case output

1шт.

453599R1

WASHER

29/32 x 2-1/4

2шт.

427645

SLOTTED NUT,7/8"-14, G5

NUT, 7/8-14 znd slt-hex.

2шт.

137204

COTTER PIN,1/8" x 1 1/2"

PIN, SPLIT (COTTER), 1/8" x 1 1/2"

2шт.

21

204808C1

HOUSING

PTO gear box

1шт.

180147

SCREW,Hex, 7/16" - 14 x 1 1/4", Gr 5

7/16-14 x 1-1/4 znd hex-hd cap

9шт.

180149

LOCK SCREW,Hex, 7/16" - 14 x 1 1/2", Gr 5

BOLT, 7/16 x 1-1/2 type 5

1шт.

482161R1

NUT

7/16-14 znd hex. lock

5шт.

120383

LOCK WASHER,Helical Spring, 7/16"

WASHER, LOCK, 7/16"

5шт.

22

663603R1

SHIM

PTO gear vase barrel .005

2шт.

23

663602R1

SHIM

PTO gear case barrel .007

2шт.

24

663601R1

SHIM

PTO gear case barrel .020

2шт.

25

445673

PIPE PLUG,Sq Hd, 3/8"-18 NPTF

PLUG, 3/8-18 automotive sq-hd drain & filler

3шт.

26

459912R91

BEARING ASSY,1.3755" ID x 2.5635" OD x 0.74"

BEARING ASSY, output shaft

1шт.

27

208451C1

DRIVE SPROCKET

SPROCKET, main drive, 11T

1шт.

28

669564R91

CROSS

KIT ASSY, cross repair

1шт.

29

CROSS, not serviced separately order 669564R91

1шт.

30

669565R91

CAP

CUP ASSY, needle

4шт.

31

661657R1

RING

snap

4шт.

32

80711

LUBE NIPPLE,65 Degree, 1/8" NPT x 7/8" lg

FITTING, 1/8-27 65 deg angle lub

1шт.

33

204278C1

YOKE,2.13" OD

ASSY, tube and stub

1шт.

34

208448C1

STRAP

center brg

2шт.

17452R1

BOLT,Hex, 1/2"-13 x 1 1/4", G2

1/2 x 1-1/4 znd hex-hd mach

2шт.

664573R1

LOCK NUT,1/2"-13, GB

NUT, 1/2-13 hex. lock

2шт.

35

674732R1

SPACER

BUSHING, PTO pedestal

2шт.

607895R1

WASHER

17/32 x 1 x 11 ga znd

2шт.

36

UA20551

RING

propeller shaft brg

1шт.

37

584148R91

BEARING ASSY,35mm ID x 72mm OD x 25mm W

BEARING ASSY, PTO center

1шт.

38

662022R1

BOX

SUPPORT, PTO center brg

1шт.

433163

BOLT,Hex, 1/2" - 13 x 5", Gr 5

SCREW, 1/2 x 5 hex-hd cap

1шт.

9413967

LOCK NUT,1/2"-13, GB

NUT, 1/2-13 cad. hex lock

1шт.

39

M14033

SPRING

slip clutch compression, serial No. 7810 and below

6шт.

39

M1015

SPRING

slip clutch compression, serial No. 7811 and above

6шт.

40

218085C1

SPACER

clutch spring

6шт.

189304

BOLT,Hex, 3/8" - 16 x 3 1/4", Gr 5

SCREW, 3/8-16 x 3-1/4 znd hex-hd cap

6шт.

9411655

LOCK NUT,3/8"-16, GB

NUT, 3/8-16 cad hex. lock

6шт.

20803R1

WASHER

13/32 x 1 x 11 ga znd

6шт.

41

467722R1

PLATE

floating clutch

1шт.

42

474599R2

FACING

drive clutch

2шт.

43

204279C1

YOKE

ASSY, flanged

1шт.

43

208446C91

SHAFT

JOINT ASSY, propeller, includes ref. nos. 28 and 33

1шт.

44

460321R12

SHAFT

ASSY, input

1шт.

453599R1

WASHER

29/32 x 2 x 1/4

1шт.

427645

SLOTTED NUT,7/8"-14, G5

NUT, 7/8-14 znd slt-hex.

1шт.

137304

PIN, 1/8 x 1-1/2 znd cot.

1шт.

45

380922R91

OIL SEAL,42.42mm ID x 69.95mm OD x 12.7mm Thk

oil

1шт.

46

127336H1

SEAL

gear box housing oil

1шт.

47

460538R1

BUSHING

flange yoke

1шт.

48

126756C1

GEAR WHEEL

GEAR SET, replaces 549251R1 & 549252R2

1шт.

Выбрано товаров: 76