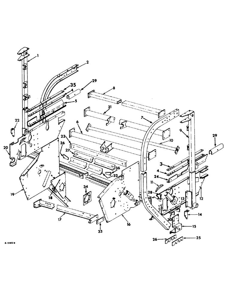
Запчасти Case IH 241 (A-05) - MAIN FRAME (39) - FRAMES AND BALLASTING

Схема запчастей Case IH 241 - (A-05) - MAIN FRAME (39) - FRAMES AND BALLASTING
FIT
1:1
100%

Артикул

Название

Примечание

Количество

1

219002C93

TUBE

ASSY W/PRODUCT GRAPHIC, vertical tube RH

1шт.

17351R1

CARRIAGE BOLT,Short Sq Nk, 3/8" - 16 x 1", Gr 2

BOLT, 3/8 x 1 znd sq-nk crg

6шт.

482256R1

BEARING LOCK NUT,Flg, USR, 3/8"-16

3/8-16 znd hex lock

6шт.

485734R1

CARRIAGE BOLT,Short NK, 1/2"-13 x 1 1/4", G5, Full Thd

BOLT, 1/2 x 1-1/4 crg type 5

4шт.

487374R1

BEARING LOCK NUT,Flg, USR, 1/2"-13

1/2 flange lock

16шт.

180179

BOLT,Hex, 1/2" - 13 x 1 3/4", Gr 5

1/2 x 1-3/4 type 5

8шт.

465567R1

CARRIAGE BOLT,Sht Sq Nk, 1/2" - 13 x 1 1/2", Gr 5

BOLT, 1/2 x 1-1/2 crg type 5

4шт.

210316C2

PRODUCT GRAPHIC

warning

1шт.

2

208410C4

CHANNEL

main frame upper front RH

1шт.

17140R1

CARRIAGE BOLT,Short Nk, 1/2" - 13 x 1 1/4", Gr 2, Full Thd

BOLT, 1/2 x 1-1/4 crg type 1

10шт.

17452R1

BOLT,Hex, 1/2"-13 x 1 1/4", G2

1/2 x 1-1/4 znd hex hd mach

2шт.

18497R1

BOLT,Hex, 1/2"-13 x 1 3/4", G2

1/2 x 1-3/4 type 1

2шт.

487374R1

BEARING LOCK NUT,Flg, USR, 1/2"-13

1/2 flange lock

14шт.

3

218455C2

BAR

rear gear runner LH, replaces 208416C2

1шт.

4

208417C2

SHIM

rear gate runner

2шт.

120377

NUT,3/8" - 16, Gr 5

8шт.

18495R1

BOLT,Hex, 3/8" - 16 x 1 1/4", Gr 2

3/8-16 x 1-1/4 znd hex hd mach

2шт.

18779R1

BOLT,Hex, 3/8"-16 x 1 1/2", Gr 2

3/8-16 x 1-1/2 znd hex hd mach

4шт.

482256R1

BEARING LOCK NUT,Flg, USR, 3/8"-16

3/8 flange lock

6шт.

120382

LOCK WASHER,Helical Spring, 3/8"

WASHER, LOCK, 3/8"

8шт.

19031R1

CARRIAGE BOLT,#3, 3/8" - 16 x 1 1/4", Gr 2

BOLT, 3/8 x 1-1/4 plow type 1

8шт.

5

218998C92

BRACKET

SUPPORT W/PRODUCT GRAPHIC, gate guide RH

1шт.

6

208402C1

TIE ASSY, main axle, serial no. 7810 and below

1шт.

7

208409C4

CHANNEL

main frame upper front LH

1шт.

8

208396C1

ANCHOR

ASSY, cross beam

1шт.

17351R1

CARRIAGE BOLT,Short Sq Nk, 3/8" - 16 x 1", Gr 2

BOLT, 3/8 x 1 znd sq-nk crg

8шт.

482256R1

BEARING LOCK NUT,Flg, USR, 3/8"-16

3/8-16 znd hex lock

8шт.

9

219001C93

TUBE

ASSY W/PRODUCT GRAPHIC, vertical tube LH

1шт.

17351R1

CARRIAGE BOLT,Short Sq Nk, 3/8" - 16 x 1", Gr 2

BOLT, 3/8 x 1 znd sq-nk crg

6шт.

482256R1

BEARING LOCK NUT,Flg, USR, 3/8"-16

3/8-16 znd hex lock

6шт.

485734R1

CARRIAGE BOLT,Short NK, 1/2"-13 x 1 1/4", G5, Full Thd

BOLT, 1/2 x 1-1/4 crg type 5

4шт.

487374R1

BEARING LOCK NUT,Flg, USR, 1/2"-13

1/2 flange lock

16шт.

180179

BOLT,Hex, 1/2" - 13 x 1 3/4", Gr 5

1/2 x 1-3/4 type 5

8шт.

465567R1

CARRIAGE BOLT,Sht Sq Nk, 1/2" - 13 x 1 1/2", Gr 5

BOLT, 1/2 x 1-1/2 crg type 5

4шт.

210316C2

PRODUCT GRAPHIC

warning

1шт.

10

208399C1

ROD

TIE ASSY, rear frame cross

1шт.

17351R1

CARRIAGE BOLT,Short Sq Nk, 3/8" - 16 x 1", Gr 2

BOLT, 3/8 x 1 znd sq-nk crg

4шт.

482256R1

BEARING LOCK NUT,Flg, USR, 3/8"-16

3/8-16 znd hex lock

4шт.

11

208612C1

SHIELD

lower conveyor

2шт.

12

208367C1

FRAME

ASSY, main LH lower

1шт.

13

210330C1

ANGLE

roll guard

1шт.

154273C1

BOLT,Hex Serr, 3/8" - 16 x 1", Spcl

SCREW, 3/8-16 x 1 lock

2шт.

120377

NUT,3/8" - 16, Gr 5

2шт.

120382

LOCK WASHER,Helical Spring, 3/8"

WASHER, LOCK, 3/8"

2шт.

14

208365C1

ANCHOR

ASSY, spring LH

1шт.

15

208413C2

BRACKET

ASSY, idler adj, serial no. 7810 and below

1шт.

18494R1

BOLT,Hex, 3/8" - 16 x 1", Gr 2

3/8-16 x 1 znd hex-hd mach

6шт.

482256R1

BEARING LOCK NUT,Flg, USR, 3/8"-16

3/8-16 znd hex lock

6шт.

619856R1

WASHER

13/32 x 1 x 16 ga (or as required)

3шт.

16

219073C91

FRAME

PLATE ASSY W/PRODUCT GRAPHIC, main frame upper LH, serial no. 7810 and below

1шт.

16

218996C93

PLATE

ASSY W/PRODUCT GRAPHIC, main frame LH, serial no. 7811 and above

1шт.

18508R1

CARRIAGE BOLT,Short Nk, 3/8" - 16 x 3/4", Gr 2, Full Thd

BOLT, 3/8 x 3/4 znd sq-nk crg

1шт.

482256R1

BEARING LOCK NUT,Flg, USR, 3/8"-16

3/8-16 znd hex lock

1шт.

17

208319C1

SUPPORT

ASSY, gear box

1шт.

18707R1

CARRIAGE BOLT,Short Sq Nk, 1/2" - 13 x 1", Gr 2

BOLT, 1/2 x 1 znd sq-nk crg

2шт.

17140R1

CARRIAGE BOLT,Short Nk, 1/2" - 13 x 1 1/4", Gr 2, Full Thd

BOLT, 1/2 x 1-1/4 znd sq-nk crg

2шт.

487374R1

BEARING LOCK NUT,Flg, USR, 1/2"-13

1/2-13 znd hex lock

4шт.

27508R1

SCREW, 7/8-9 x 5 znd dld hex-hd cap

1шт.

427643

SLOTTED NUT,7/8"-9, G5

NUT, 7/8-9 znd slt hex

1шт.

103387

COTTER PIN,1/8" x 1 1/2"

Pin, Split (Cotter), 1/8" x 1 1/2"

1шт.

18

208407C1

REINFORCEMENT, gear box mounting, serial no. 7810 and below

1шт.

180175

BOLT,Hex, 1/2" - 13 x 1 1/4", Gr 5

SCREW, 1/2-13 x 1-1/4 znd hex-hd cap

2шт.

487374R1

BEARING LOCK NUT,Flg, USR, 1/2"-13

1/2-13 znd hex lock

2шт.

19

208380C2

FRAME

PLATE ASSY, main frame upper RH, serial no. 7810 and below

1шт.

19

214405C3

PLATE ASSY, main frame upper RH, serial no. 7811 and above

1шт.

18508R1

CARRIAGE BOLT,Short Nk, 3/8" - 16 x 3/4", Gr 2, Full Thd

BOLT, 3/8 x 3/4 znd sq-nk crg.

1шт.

482256R1

BEARING LOCK NUT,Flg, USR, 3/8"-16

3/8-16 znd hex lock

1шт.

20

208374C4

FRAME ASSY, main RH lower

1шт.

21

(Not used in this application)

1шт.

22

208366C1

ANCHOR

ASSY, spring RH

1шт.

23

208412C1

BLADE

SCRAPER, roller

3шт.

17452R1

BOLT,Hex, 1/2"-13 x 1 1/4", G2

1/2 x 1-1/2 znd sq-nk crg

6шт.

208770C1

NUT

1/2-13 znd hex lock

6шт.

607895R1

WASHER

17/32 x 1 x 11 ga znd

6шт.

24

218997C92

SUPPORT ASSY.

SUPPORT W/PRODUCT GRAPHIC, gate guide LH

1шт.

25

214351C1

BAR

upper roll support (or as req.), serial No. 7810 and below

1шт.

26

214352C1

BAR

upper roll support (or as req.), serial No. 7810 and below

2шт.

27

208780C1

ANGLE

scraper, serial No. 5866 through 7810

3шт.

18764R1

HARDWARE,Hex, 5/16"-18 x 3/4", G2

BOLT, 5/16 x 3/4 type 1

9шт.

938017R1

FLANGE NUT,Flg, USR, 5/16"-18

5/16 flange lock

9шт.

28

218127C1

BOLT

adjusting

2шт.

120378

NUT,Hex, 1/2" - 13, Gr 5

NUT, 1/2"-13, G5

4шт.

29

218385C1

SUPPORT

rear gate lock

2шт.

378484R1

HEADED PIN,5/16" x 2"

PIN, 5/16 x 2. hd type 5

2шт.

586591R1

COTTER PIN

PIN, 1/8 QA

2шт.

30

214396C1

SUPPORT ASSY.

BLADE, 4 in. tapered roll, serial No. 7811 and above

1шт.

17433R1

HARDWARE,Hex, 1/2" - 13 x 1", Gr 2

BOLT, 1/2 x 1 type 1

2шт.

487374R1

BEARING LOCK NUT,Flg, USR, 1/2"-13

1/2 flange lock

2шт.

31

218396C1

SUPPORT

ASSY, main axle, serial No. 7811 and above

1шт.

32

214408C1

ANGLE

scraper, serial No. 7811 and above

3шт.

33

218386C1

REINFORCEMENT

REINFORCMENT, gearbox mounting, serial No. 7811 and above

1шт.

34

218387C1

RETAINER

gear box mtg, serial No. 7811 and above

1шт.

17140R1

CARRIAGE BOLT,Short Nk, 1/2" - 13 x 1 1/4", Gr 2, Full Thd

BOLT, 1/2 x 1-1/4 crg type 1

1шт.

487374R1

BEARING LOCK NUT,Flg, USR, 1/2"-13

1/2 flange lock

1шт.

35

218455C2

BAR

rear gear runner RH, replaces 208416C2

1шт.

36

218586C1

BAR

deflector, serial No. 7811 and above

2шт.

204813C1

BOLT,Hex Serr Flg, 1/2" - 13 x 2"

SCREW, 1/2-13 x 2 znd hex-hd flange lock

2шт.

120378

NUT,Hex, 1/2" - 13, Gr 5

NUT, 1/2"-13, G5

2шт.

208770C1

NUT

1/2-13 znd hex lock

6шт.

18496R1

BOLT,Hex, 1/2"-13 x 1 1/2", G2

1/2 x 1-1/2 type 1

4шт.

607895R1

WASHER

.531 x 1.000 x .105

6шт.

Выбрано товаров: 0