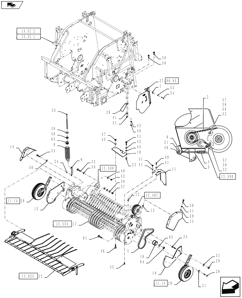
Запчасти Case IH RB454 (13.340) - 1.8M DUAL CAM WIDE PICKUP & STUFFER FEEDER, NORTH AMERICA (13) - FEEDER

Схема запчастей Case IH RB454 - (13.340) - 1.8M DUAL CAM WIDE PICKUP & STUFFER FEEDER, NORTH AMERICA (13) - FEEDER
13.925
42
54
53
31
23
58
30
32
40
9
40
57
51
7
45
12
57
59
52
2
39
27
28
31
36
20
64
45
50
39
25
34
14
26
6
13
5
30
38
12
65
4
47
19
35
22
62
57
17
11
43
10
41
21
61
20
41
58
15
32
51
18
31
41
29
1
30
39
24
46
39
33
48
8
41
32
13.407
14.52 2
13.500
13.500
08.95
13.334
11.14
11.14
14.52 1
FIT
1:1
100%

Артикул

Название

Примечание

Количество

1

47325

CLIP

Snap

1шт.

2

854233

KIT,60-HE, 62 Links x 19.05mm = 1181.1mm

Roller, 60HE, 62 Pitches

1шт.

4

86566303

SPRING

1шт.

5

183356

EYEBOLT,3/8" - 16 x 10" L

G2, 3/8"-16 x 10-1/8"

1шт.

6

87050048

ROCKER

1шт.

7

87028682

CHAIN (AG)

Roller, RC50, 100 Pitches

1шт.

8

86630851

SPRING

2шт.

9

87040006

LINK ASSY.

2шт.

10

86631100

FLAP

2шт.

11

87055817

SHIELD

1шт.

12

86610198

INSERT,M6 x 1

Threaded, M6

11шт.

13

86626278

SHIELD

Upper, LH

1шт.

14

87055752

SHIELD

Upper, RH

1шт.

15

86625649

SHIELD

Lower, RH

1шт.

17

0C

ORDER COMPONENTS

1.8 Dual Cam Pickup

1шт.

18

86613200

IDLER,89mm OD x 47.7mm W

Eccentric, Nylon

1шт.

19

86626383

SHIELD

Lower, LH

1шт.

20

0C

ORDER COMPONENTS

Pickup Tire & Arm

2шт.

21

495-11041

WASHER,0.406" ID x 0.812" OD x 0.065" W

1шт.

22

0C

ORDER COMPONENTS

Windguard

1шт.

23

86610200

THREADED INSERT,M8 x 1.25

M8

4шт.

24

705996

BUSHING

7/8" L

2шт.

25

86632865

BOLT,444.50mm

1/2"-13 x 17-1/2" L

2шт.

26

9706693

BOLT,M12 x 60mm, Cl 8.8

2шт.

27

0C

ORDER COMPONENTS

Shield, Stuffer Feeder

1шт.

28

87017232

SHIELD

1шт.

29

9804279

FLANGE NUT,Hex, M12, Cl 8

2шт.

30

844-6020

BOLT,Hvy Hex, M6 x 20mm, Cl 8.8

20шт.

31

140046

BELLEVILLE WASHER,M12 Bolt Size x 27mm OD x 1.8mm Thk

4шт.

32

614-12040

BOLT,Hex, M12 x 1.75 x 40mm, Cl 8.8, Full Thd

4шт.

33

844-10040

BOLT,Hvy Hex, M10 x 40mm, Cl 8.8

2шт.

34

80043480

BOLT

2шт.

35

9706703

CARRIAGE BOLT,Sht Sq Nk, M6 x 1 x 20mm, Cl 8.8, Full Thd

1шт.

36

86507486

CARRIAGE BOLT,M8 x 1.25 x 20mm, Cl 8.8

4шт.

38

844-10030

BOLT,Hvy Hex, M10 x 30mm, Cl 8.8

1шт.

39

65319

WASHER,13.1mm ID x 25.4mm OD x 3.68mm Thk

15шт.

40

495-21044

WASHER,3/8"

6шт.

41

322357

BELLEVILLE WASHER,M6 Bolt Size x 14mm OD x 1.3mm Thk

21шт.

42

322358

BELLEVILLE WASHER,M8 Bolt Size x 18mm OD x 1.4mm Thk

2шт.

43

140045

BELLEVILLE WASHER,M10 Bolt Size x 22mm OD x 1.6mm Thk

1шт.

45

80664

WASHER,0.38" ID x 0.88" OD x 0.08" Thk

6шт.

46

425-106

NUT,3/8"-16, Cl 5

2шт.

47

86629542

NUT,M8 x 1.25, Cl 8.8

4шт.

48

825-2410

FLANGE NUT,M10 x 1.5, Flg, Cl 8

1шт.

50

425-288

FLANGE NUT,Flg, 1/2"-13, G5

2шт.

51

825-2406

FLANGE NUT,M6 x 1, Cl 8.8

2шт.

52

832-46410

NUT,M10 x 1.5, Cl 8

2шт.

53

493-21020

LOCK WASHER,Int Tooth, #10

1шт.

54

275-5458

SELF-TAP SCREW,Hex Hd, #10 x 1/2"

1шт.

56

844-8030

BOLT,Hex, M8 x 1.25 x 30mm, Cl 8.8

4шт.

57

832-46412

NUT,M12 x 1.75, Cl 8

4шт.

58

703960

WASHER

1-1/4" OD, Hardened

3шт.

59

495-21031

WASHER,1/4"

8шт.

61

811-16050

CARRIAGE BOLT,Sht Sq Nk, M16 x 2 x 50mm, Cl 8.8

1шт.

62

495-11066

WASHER,5/8", SAE

1шт.

64

832-46416

NUT,M16 x 2, Cl 8

1шт.

65

86631096

SPRING NUT

Spring

2шт.

Выбрано товаров: 57