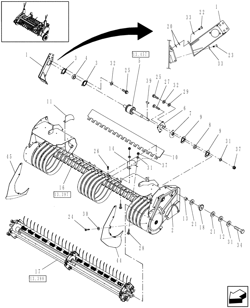
Запчасти Case IH RB454 (13.396) - 1.8M WIDE PICKUP W/ ROTOR & CLUTCH, EUROPE & R.O.W. (13) - FEEDER

Схема запчастей Case IH RB454 - (13.396) - 1.8M WIDE PICKUP W/ ROTOR & CLUTCH, EUROPE & R.O.W. (13) - FEEDER
27
3
31
32
8
3
20
23
45
44
31
17
22
33
24
21
5
26
25
1
18
2
34
37
29
13.457
4
9
6
1
14
12
25
11
39
9
31
7
21
16
32
33
13
10
30
37
13.398
28
13.397
FIT
1:1
100%

Артикул

Название

Примечание

Количество

1

87653851

LIFT ARM

1шт.

2

86552479

CHAIN,RC50, 100 Links x 15.88mm = 1587.5mm

1шт.

MAINTENANCE PART

1шт.

3

87106572

FLANGE

2шт.

MAINTENANCE PART

1шт.

4

84484181

BALL BEARING,31.75mm ID x 62mm OD x 18mm W

1шт.

4

84484181GV

BEARING ASSY

Value, Ball Bearing

1шт.

MAINTENANCE PART

1шт.

5

0C

ORDER COMPONENTS

Overrun Clutch

1шт.

87745673

1шт.

6

87654729

PLATE

1шт.

7

38260

COLLAR

1шт.

8

574844

BALL BEARING,25.4mm ID x 52mm OD x 15mm W

1шт.

MAINTENANCE PART

1шт.

9

86603075

FLANGE,Bearing, 52.01 mm ID x 95.3 mm OD x 8.7 mm

2шт.

MAINTENANCE PART

1шт.

10

87050285

FLOOR,260mm W x 1150mm L, Polyurethane

1шт.

MAINTENANCE PART

1шт.

11

87654801

SHIELD

RH

1шт.

12

87654824

WASHER

1шт.

13

87654833

SPACER

1шт.

14

87654836

SHIELD

LH

1шт.

16

0C

ORDER COMPONENTS

1.8M Rotor Wide Pickup

1шт.

87744324

1шт.

17

0C

ORDER COMPONENTS

Reel, 1.8M Rotor Wide Pickup

1шт.

87643434

1шт.

18

87725037

SPROCKET

17T RC50

1шт.

MAINTENANCE PART

1шт.

20

131405

SHIM

4шт.

21

86611401

WASHER,25.53mm ID x 31.24mm OD x 1.65mm Thk

4шт.

22

9706687

BOLT,M12 x 1.75 x 30mm, Cl 8.8

2шт.

23

86629541

BOLT,Hex, M12 x 1.75 x 40mm, Cl 8.8

4шт.

24

9804257

FLANGE BOLT,Hex, M6 x 1.0 x 25mm, Cl 8.8, Full Thd

6шт.

25

9804262

BOLT,M10 x 39.2mm, Cl 8.8

8шт.

26

87034817

SELF-TAP SCREW,HWH, 5/16" - 18 x 3/4"

34шт.

MAINTENANCE PART

1шт.

27

120038

CARRIAGE BOLT,Rnd Head, M8 x 1.25 x 30mm, Cl 8.8, Full Thd

3шт.

28

86619060

CARRIAGE BOLT,M8 x 1.25 x 16mm, Cl 8.8

2шт.

29

140017

WASHER,M10 x 20mm OD x 2mm Thk

4шт.

30

322357

BELLEVILLE WASHER,M6 Bolt Size x 14mm OD x 1.3mm Thk

6шт.

31

322358

BELLEVILLE WASHER,M8 Bolt Size x 18mm OD x 1.4mm Thk

6шт.

32

140045

BELLEVILLE WASHER,M10 Bolt Size x 22mm OD x 1.6mm Thk

6шт.

33

140046

BELLEVILLE WASHER,M12 Bolt Size x 27mm OD x 1.8mm Thk

6шт.

34

43128

BOLT,M8 x 1.25 x 30mm, Cl 8.8

1шт.

37

9804277

FLANGE NUT,Hex, M8 x 1.25, Cl 8

5шт.

39

80768

WOODRUFF KEY,#15, 1/4" x 1"

1шт.

44

87053734

GUARD

LH

1шт.

45

84324676

GUARD

RH

1шт.

Выбрано товаров: 48