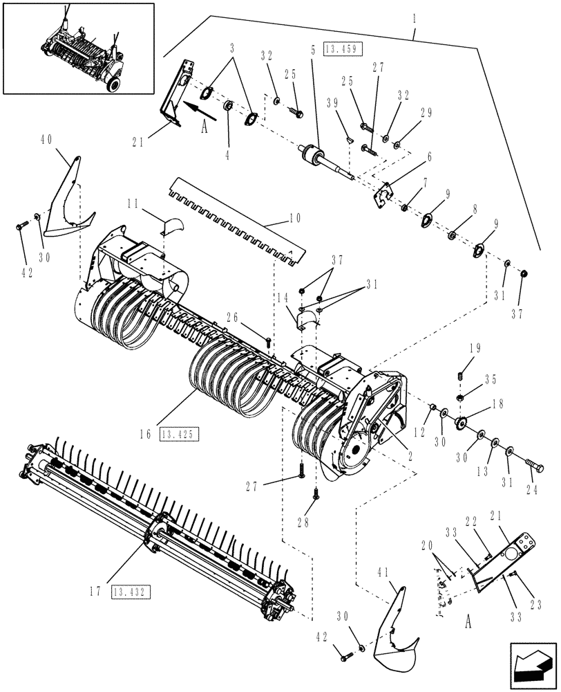
Запчасти Case IH RB454 (13.429) - 2M WIDE PICKUP W/ ROTOR & CLUTCH, NORTH AMERICA (13) - FEEDER

Схема запчастей Case IH RB454 - (13.429) - 2M WIDE PICKUP W/ ROTOR & CLUTCH, NORTH AMERICA (13) - FEEDER
13.432
8
35
23
27
5
27
4
32
1
18
42
28
6
32
3
33
19
22
29
11
7
21
41
31
42
9
30
33
2
25
14
9
26
12
17
37
40
21
16
13
10
31
30
39
30
25
37
20
30
24
31
13.425
13.459
FIT
1:1
100%

Артикул

Название

Примечание

Количество

1

0C

ORDER COMPONENTS

ROTOR, 2M Dual Cam Pickup

1шт.

2

87028682

CHAIN (AG)

Roller, RC50, 100 Pitches

1шт.

MAINTENANCE PART

1шт.

3

165385

FLANGE,62 mm ID x 112.7 mm OD x 9.53 mm

1шт.

MAINTENANCE PART

1шт.

4

617668R92

BEARING ASSY,1.2505" ID x 62 mm OD x 0.9375"

Ball

1шт.

MAINTENANCE PART

1шт.

5

0C

ORDER COMPONENTS

Overrun Clutch

1шт.

6

87042087

PLATE

1шт.

7

455102R21

COLLAR

Locking, Includes: Set Screw

1шт.

8

214366C91

BALL BEARING,25.40mm ID x 52mm OD

Ball

1шт.

MAINTENANCE PART

1шт.

9

86603075

FLANGE,Bearing, 52.01 mm ID x 95.3 mm OD x 8.7 mm

2шт.

MAINTENANCE PART

1шт.

10

87050285

FLOOR,260mm W x 1150mm L, Polyurethane

Plastic, Also Requires: Ref. 26

1шт.

Installed Between Unattached Pickup Guards & Pickup Frame with Ref. 26.

1шт.

MAINTENANCE PART

1шт.

11

87045714

SHIELD

RH

1шт.

12

87654833

SPACER

1шт.

13

58225

WASHER,10.32mm ID x 31.8mm OD x 3.45mm Thk

1шт.

14

87045713

SHIELD

1шт.

16

0C

ORDER COMPONENTS

2M Wide Pickup

1шт.

17

0C

ORDER COMPONENTS

2M Pickup Reel

1шт.

18

87397998

SPROCKET

17T, RC 50, Standard

1шт.

Prior to P.I.N. Y8N038893 for RB564 Only

1шт.

MAINTENANCE PART

1шт.

18

87055082

SPROCKET

18T, RC 50, Optional

1шт.

Increases Pickup Reel Speed

1шт.

MAINTENANCE PART

1шт.

18

87602188

SPROCKET

17T, No Set Screw Required

1шт.

P.I.N. & After Y8N038894 for RB564 Only

1шт.

MAINTENANCE PART

1шт.

19

300483

SET SCREW,M10 x 25mm

2шт.

Prior to P.I.N. Y8N038893 for RB564 Only

1шт.

20

131405

SHIM

.025"

4шт.

21

87045521

LIFT ARM

LH

1шт.

21

87646330

ARM

Lift, RH

1шт.

Refer to Figure 13.465

1шт.

22

614-12030

BOLT,Hex, M12 x 1.75 x 30mm, Cl 8.8, Full Thd

2шт.

23

614-12040

BOLT,Hex, M12 x 1.75 x 40mm, Cl 8.8, Full Thd

4шт.

24

43128

BOLT,M8 x 1.25 x 30mm, Cl 8.8

1шт.

25

844-10030

BOLT,Hvy Hex, M10 x 30mm, Cl 8.8

6шт.

26

87034817

SELF-TAP SCREW,HWH, 5/16" - 18 x 3/4"

34шт.

MAINTENANCE PART

1шт.

27

811-8030

CARRIAGE BOLT,Sht Sq Nk, M8 x 1.25 x 30mm, Cl 8.8

3шт.

28

811-8016

CARRIAGE BOLT,Sht Sq Nk, M8 x 1.25 x 16mm, Cl 8.8

2шт.

29

495-21044

WASHER,3/8"

4шт.

30

245531

WASHER,25.53mm ID x 31.24mm OD x 1.65mm Thk

3шт.

31

322358

BELLEVILLE WASHER,M8 Bolt Size x 18mm OD x 1.4mm Thk

5шт.

32

140045

BELLEVILLE WASHER,M10 Bolt Size x 22mm OD x 1.6mm Thk

6шт.

33

140046

BELLEVILLE WASHER,M12 Bolt Size x 27mm OD x 1.8mm Thk

6шт.

35

825-1410

NUT,M10, Cl 8

2шт.

Prior to P.I.N. Y8N038893 for RB564 Only

1шт.

37

825-2408

FLANGE NUT,M8 x 1.25, Flg, Cl 8

3шт.

39

126-24

WOODRUFF KEY,#15, 1/4" x 1"

1шт.

40

84324676

GUARD

RH

1шт.

Optional for Improved Feeding

1шт.

41

87053734

GUARD

LH

1шт.

Optional for Improved Feeding

1шт.

42

844-6020

BOLT,Hvy Hex, M6 x 20mm, Cl 8.8

6шт.

Выбрано товаров: 60