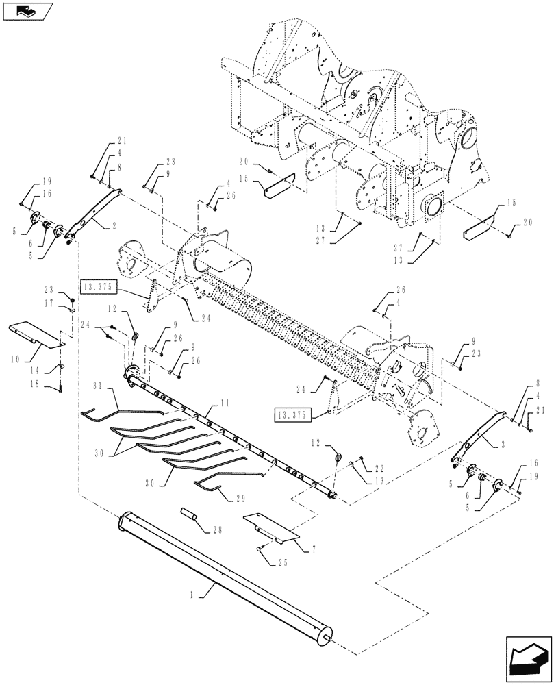
Запчасти Case IH RB454 (13.925[02]) - 1.8M WIDE PICKUP, ROLLER WINDGUARD, NORTH AMERICA, YCN 174406 & AFTER (13) - FEEDER

Схема запчастей Case IH RB454 - (13.925[02]) - 1.8M WIDE PICKUP, ROLLER WINDGUARD, NORTH AMERICA, YCN 174406 & AFTER (13) - FEEDER
13.375
15
4
26
25
5
23
4
20
9
23
12
30
24
1
19
9
9
3
13
26
14
27
5
6
18
23
22
11
21
17
19
5
16
4
12
5
24
13
24
29
6
home
8
26
30
20
27
4
8
16
13
26
15
28
21
10
31
9
7
2
13.375
FIT
1:1
100%

Артикул

Название

Примечание

Количество

1

87532588

ROLLER,146mm OD x 2109.3mm L

1шт.

2

84252172

ARM

1шт.

3

84134986

ARM

1шт.

4

80702

WASHER,0.44" ID x 1" OD x 0.08" Thk

4шт.

5

86603075

FLANGE,Bearing, 52.01 mm ID x 95.3 mm OD x 8.7 mm

4шт.

6

325103

BALL BEARING,25mm ID x 52mm OD x 15mm W

2шт.

7

87046827

PLATE

1шт.

8

133095

SPACER,10.32mm ID x 15.85mm OD x 7.9mm L

2шт.

9

86603107

NUT

4шт.

10

87049394

PLATE

1шт.

11

87054239

WINDGUARD

1шт.

12

87056822

PIN

2шт.

13

140045

BELLEVILLE WASHER,M10 Bolt Size x 22mm OD x 1.6mm Thk

8шт.

14

87051581

CLAMP

2шт.

15

84300312

STOP

2шт.

16

322358

BELLEVILLE WASHER,M8 Bolt Size x 18mm OD x 1.4mm Thk

6шт.

17

322357

BELLEVILLE WASHER,M6 Bolt Size x 14mm OD x 1.3mm Thk

2шт.

18

120100

BOLT,M6 x 20mm, Cl 8.8

2шт.

19

9671714

FLANGE BOLT,Hex, M8 x 1.25 x 25mm, Cl 8.8

6шт.

20

9804261

BOLT,Hex, M10 x 25mm, Cl 8.8, Full Thd

4шт.

21

9804262

BOLT,M10 x 39.2mm, Cl 8.8

2шт.

22

9804278

FLANGE NUT,M10 x 1.5, Cl 8

4шт.

23

9804276

FLANGE NUT,Hex, M6 x 1, Cl 8

2шт.

24

374892

CARRIAGE BOLT,M10 x 1.5 x 40mm, Cl 8.8

4шт.

25

86512447

CARRIAGE BOLT,Short Square Neck, M10 x 60mm, Class 8.8

4шт.

26

100037

LOCK NUT,M10 x 1.5, Cl 8

6шт.

27

100016

NUT,M10 x 1.5, Cl 8

4шт.

28

86621502

CLIP

5шт.

29

87050886

FINGER

LH

1шт.

30

87050884

FINGER

Middle

3шт.

31

87050885

FINGER

RH

1шт.

Выбрано товаров: 31