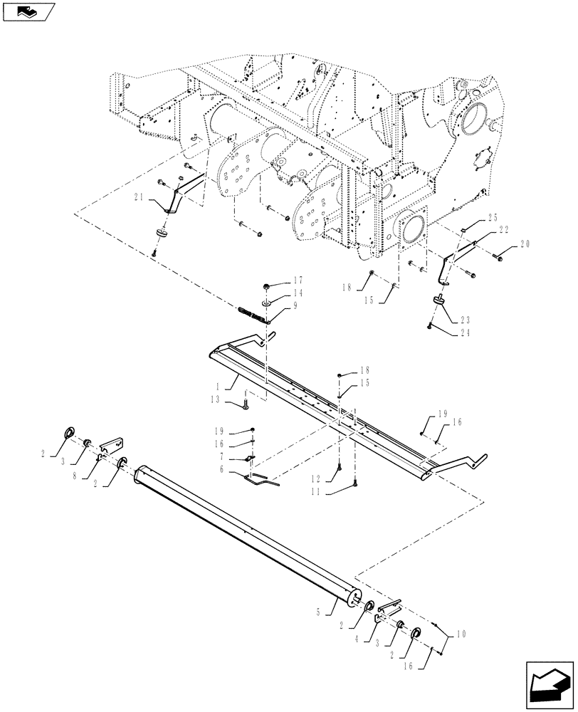
Запчасти Case IH RB454 (13.956) - 2M WIDE PICKUP, ROLLER WINDGUARD, EUROPE & R.O.W. (13) - FEEDER

Схема запчастей Case IH RB454 - (13.956) - 2M WIDE PICKUP, ROLLER WINDGUARD, EUROPE & R.O.W. (13) - FEEDER
1
24
16
16
5
16
20
22
2
18
19
2
10
4
3
17
9
11
6
2
19
15
13
3
12
18
home
15
14
21
25
23
7
2
8
FIT
1:1
100%

Артикул

Название

Примечание

Количество

1

87040291

WINDGUARD

1шт.

2

86603075

FLANGE,Bearing, 52.01 mm ID x 95.3 mm OD x 8.7 mm

4шт.

3

325103

BALL BEARING,25mm ID x 52mm OD x 15mm W

2шт.

4

87039203

ARM

1шт.

5

47393437

ROLLER,146mm OD x 2270mm L

1шт.

6

87040022

FINGER

3шт.

7

86637855

PLATE

3шт.

8

87039204

END PLATE

1шт.

9

87027237

CHAIN,18 Links x 37.2mm = 670mm L

2шт.

10

9804258

BOLT,Hex, M8 x 1.25 x 20mm, Cl 8.8

12шт.

11

86507486

CARRIAGE BOLT,M8 x 1.25 x 20mm, Cl 8.8

6шт.

12

43138

BOLT,Hex, M10 x 1.5 x 20mm, Cl 8.8

2шт.

13

86512446

CARRIAGE BOLT,M10 x 1.5 x 30mm, Cl 8.8

2шт.

14

80702

WASHER,0.44" ID x 1" OD x 0.08" Thk

2шт.

15

140045

BELLEVILLE WASHER,M10 Bolt Size x 22mm OD x 1.6mm Thk

2шт.

16

322358

BELLEVILLE WASHER,M8 Bolt Size x 18mm OD x 1.4mm Thk

18шт.

17

100037

LOCK NUT,M10 x 1.5, Cl 8

2шт.

18

100016

NUT,M10 x 1.5, Cl 8

2шт.

19

9804277

FLANGE NUT,Hex, M8 x 1.25, Cl 8

12шт.

20

9804262

BOLT,M10 x 39.2mm, Cl 8.8

4шт.

21

47402554

STOP

LH

1шт.

22

47402558

STOP

RH

1шт.

23

87602893

BUMPER,6.4mm ID x 38mm OD x 19mm Thk

2шт.

24

43117

SCREW,Hex, M6 x 1.0 x 30mm, Cl 8.8

2шт.

25

9804276

FLANGE NUT,Hex, M6 x 1, Cl 8

2шт.

Выбрано товаров: 25