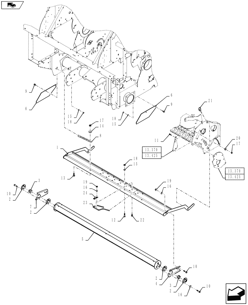
Запчасти Case IH RB454 (13.957) - 2M PICKUP, ROLLER WINDGUARD, NORTH AMERICA YCN174406 & AFTER (13) - FEEDER

Схема запчастей Case IH RB454 - (13.957) - 2M PICKUP, ROLLER WINDGUARD, NORTH AMERICA YCN174406 & AFTER (13) - FEEDER
13.370
13
15
4
14
home
9
18
10
16
16
23
18
2
11
18
15
24
6
8
15
21
17
2
10
3
20
10
17
7
5
2
22
16
19
9
12
19
1
6
3
2
13.425
13.425
13.370
FIT
1:1
100%

Артикул

Название

Примечание

Количество

1

87040291

WINDGUARD

1шт.

2

86603075

FLANGE,Bearing, 52.01 mm ID x 95.3 mm OD x 8.7 mm

4шт.

3

325103

BALL BEARING,25mm ID x 52mm OD x 15mm W

3шт.

4

87039203

ARM

LH

1шт.

5

47393437

ROLLER,146mm OD x 2270mm L

1шт.

6

47360456

STOP

2шт.

7

87039204

END PLATE

RH

1шт.

8

87027237

CHAIN,18 Links x 37.2mm = 670mm L

2шт.

9

9804261

BOLT,Hex, M10 x 25mm, Cl 8.8, Full Thd

4шт.

10

9804258

BOLT,Hex, M8 x 1.25 x 20mm, Cl 8.8

12шт.

11

374892

CARRIAGE BOLT,M10 x 1.5 x 40mm, Cl 8.8

2шт.

12

43138

BOLT,Hex, M10 x 1.5 x 20mm, Cl 8.8

2шт.

13

86512446

CARRIAGE BOLT,M10 x 1.5 x 30mm, Cl 8.8

2шт.

14

140017

WASHER,M10 x 20mm OD x 2mm Thk

2шт.

15

140045

BELLEVILLE WASHER,M10 Bolt Size x 22mm OD x 1.6mm Thk

6шт.

16

322358

BELLEVILLE WASHER,M8 Bolt Size x 18mm OD x 1.4mm Thk

18шт.

17

100037

LOCK NUT,M10 x 1.5, Cl 8

4шт.

18

100016

NUT,M10 x 1.5, Cl 8

6шт.

19

9804277

FLANGE NUT,Hex, M8 x 1.25, Cl 8

12шт.

20

44612

SPACER

2шт.

21

86508947

LINCH PIN,18.8mm OD

2шт.

22

86507486

CARRIAGE BOLT,M8 x 1.25 x 20mm, Cl 8.8

6шт.

23

87040022

FINGER

3шт.

24

86637855

PLATE

3шт.

Выбрано товаров: 24