Запчасти Case IH RB454 (18.77) - DIA KIT, 2M STUFFER ROLLER WINDGUARD, NORTH AMERICA (18) - ACCESSORIES

Схема запчастей Case IH RB454 - (18.77) - DIA KIT, 2M STUFFER ROLLER WINDGUARD, NORTH AMERICA (18) - ACCESSORIES
12
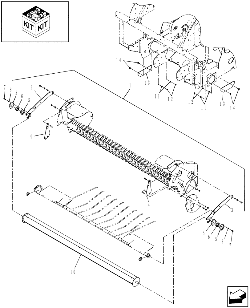
10
1
14
3
13
8
12
2
6
5
8
5
11
14
4
13
11
7
4
7
5
6
5
FIT
1:1
100%

Артикул

Название

Примечание

Количество

1

84247858

DIA KIT, HARVESTER

Windguard, 2.0M Stuffer Units

1шт.

Refer to Installation Instructions for Correct Assembly Procedure

1шт.

2

84252172

ARM

RH

1шт.

3

84134986

ARM

LH

1шт.

4

84252192

SUPPORT

2шт.

5

86603075

FLANGE,Bearing, 52.01 mm ID x 95.3 mm OD x 8.7 mm

4шт.

6

325103

BALL BEARING,25mm ID x 52mm OD x 15mm W

2шт.

7

9671714

FLANGE BOLT,Hex, M8 x 1.25 x 25mm, Cl 8.8

6шт.

8

322358

BELLEVILLE WASHER,M8 Bolt Size x 18mm OD x 1.4mm Thk

6шт.

9

84275018

INSTRUCTION

Installation

1шт.

10

47393437

ROLLER,146mm OD x 2270mm L

Windguard

1шт.

11

140045

BELLEVILLE WASHER,M10 Bolt Size x 22mm OD x 1.6mm Thk

4шт.

12

100016

NUT,M10 x 1.5, Cl 8

4шт.

13

84300312

STOP

Upper

2шт.

14

9804261

BOLT,Hex, M10 x 25mm, Cl 8.8, Full Thd

4шт.

Выбрано товаров: 15