Запчасти Case IH RB454 (SECTION 07[RB454]) - PICTORIAL INDEX, HYDRAULICS (00) - GENERAL

Схема запчастей Case IH RB454 - (SECTION 07[RB454]) - PICTORIAL INDEX, HYDRAULICS (00) - GENERAL
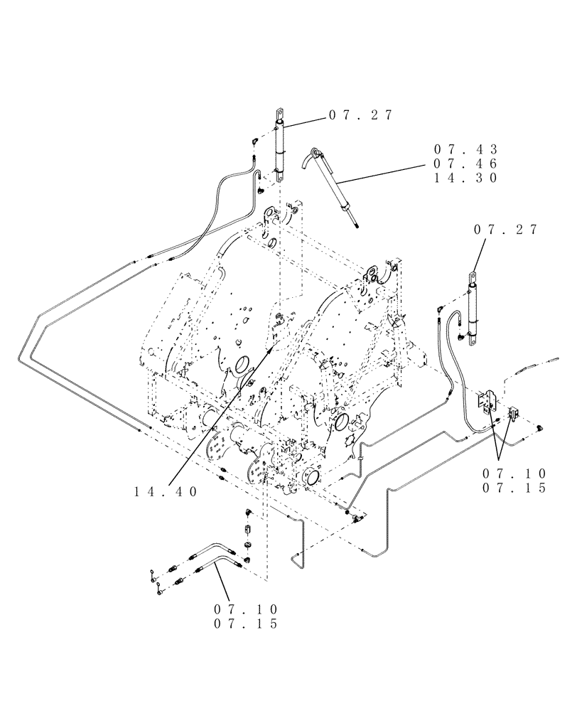
07.27
14.40
14.30
07.43
07.15
07.10
07.15
07.10
07.27
07.46
FIT
1:1
100%

Артикул

Название

Примечание

Количество

07.10

HYDRAULICS, NORTH AMERICA

1шт.

07.15

HYDRAULICS, EUROPE & R.O.W.

1шт.

07.27

HYDRAULICS CYLINDER, TAILGATE LIFT

1шт.

07.43

HYDRAULICS, BALE TENSION CYLINDERS

1шт.

07.46

HYDRAULICS, BALE TENSION, SINGLE CYLINDER

1шт.

14.30

BELT TENSION

1шт.

14.40

TAILGATE LATCH

1шт.

Выбрано товаров: 7