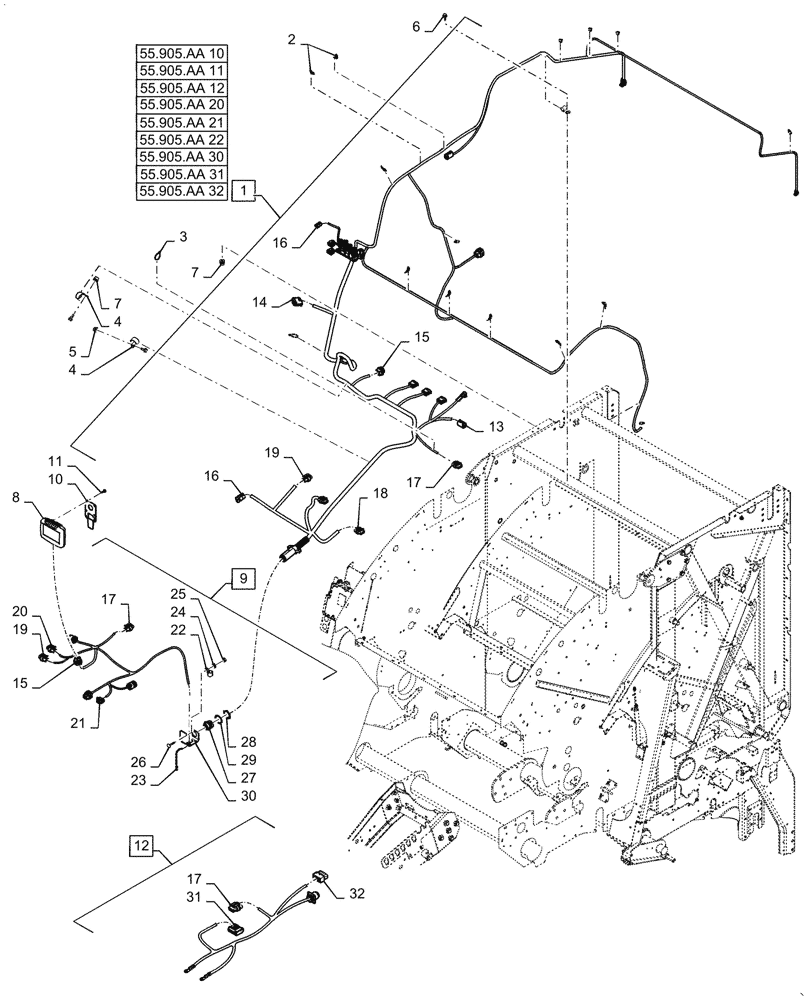
Запчасти Case IH RB455 (55.905.AA[02]) - VAR - 726967, 726969 - ISOBUS, ELECTRIC SYSTEM CONTROL, LH (55) - ELECTRICAL SYSTEMS

Схема запчастей Case IH RB455 - (55.905.AA[02]) - VAR - 726967, 726969 - ISOBUS, ELECTRIC SYSTEM CONTROL, LH (55) - ELECTRICAL SYSTEMS
55.905.aa 12
27
7
16
7
4
19
17
22
31
25
28
30
15
1
24
16
20
8
10
4
3
17
18
2
19
23
11
12
17
21
6
13
32
5
26
29
14
55.905.aa 11
15
55.905.aa 30
55.905.aa 31
55.905.aa 32
9
55.905.aa 22
55.905.aa 20
55.905.aa 21
55.905.aa 10
FIT
1:1
100%

Артикул

Название

Примечание

Количество

1

47462454

WIRE HARNESS

ISOBUS, Incl 13 - 19, Serial Range: -YFN188618

1шт.

1

47655927

WIRE HARNESS

ISOBUS, Incl 13 - 19, Serial Range: YFN188619-YGN190460

1шт.

1

47938509

WIRE HARNESS

ISOBUS, Incl 13 - 19, Start Serial: YGN190461

1шт.

2

84292754

CLIP,Cable Tie W/ Fir Tree, 5mm OD x 203mm OAL

5шт.

3

86566989

CABLE TIE,208mm L

9шт.

4

86628564

CLAMP,31.7mm, Coat, 10.3mm Bolt Hole, P Type

3шт.

5

9804277

FLANGE NUT,Hex, M8 x 1.25, Cl 8

2шт.

6

9804258

BOLT,Hex, M8 x 1.25 x 20mm, Cl 8.8

3шт.

7

86610200

THREADED INSERT,M8 x 1.25

2шт.

8

47585461

DISPLAY

Intel View III

1шт.

8

47585461R

REMAN-ELECT MONITOR

Intel View III

1шт.

8

47585461C

CORE-MONITOR

Return Number

1шт.

8

47514034

DISPLAY

Intel View IV

1шт.

8

47514034R

REMAN-ELECT MONITOR

Reman Intel View IV

1шт.

8

47514034C

CORE-MONITOR

Core Return Number

1шт.

9

47520895

WIRE HARNESS

Incl 15, 17, 19 - 30

1шт.

10

47691332

MOUNTING PLATE

1шт.

11

87742364

SCREW,Pan Torx, M6 x 16mm, Cl 8.8

4шт.

12

47538417

WIRE HARNESS

Optional, from Battery to Power Connector, Incl 17, 30 - 31

1шт.

13

87537164

WIRE HARNESS

ANZ Light Harnerss Jumper

1шт.

14

84279864

ELEC CONNECTOR

1шт.

15

82017871

RELAY,12V, 20A

2шт.

16

84058092

CONTACT HOUSING,120 Ohm Resistor

2шт.

17

83933689

FUSE,10A, Red

3шт.

18

87717080

FUSE,15A, Blue

15 Amp

1шт.

19

83932926

FUSE,25A

2шт.

20

87693742

FUSE,5A

5 Amp

1шт.

21

87601142

ELEC CONNECTOR,Female, 6 Cavities

1шт.

22

87612756

CLAMP,25.4mm, Coat, 7.1mm Bolt Hole, P Type

1шт.

23

617887

HOOK

1шт.

24

322357

BELLEVILLE WASHER,M6 Bolt Size x 14mm OD x 1.3mm Thk

1шт.

25

9804276

FLANGE NUT,Hex, M6 x 1, Cl 8

1шт.

26

9706703

CARRIAGE BOLT,Sht Sq Nk, M6 x 1 x 20mm, Cl 8.8, Full Thd

1шт.

27

767456

PLUG

1шт.

28

87696184

NUT

1шт.

29

84607513

LOCK WASHER

1шт.

30

787868

BRACKET

1шт.

31

84157159

FUSE,40A, Maxi, Orange

1шт.

32

47545581

ROCKER SWITCH

On/Off

1шт.

Выбрано товаров: 0