Запчасти Case IH RB455 (60.220.BD [04]) - VAR - 726805 - 1.8M PICKUP, FLOTATION (60) - PRODUCT FEEDING

Схема запчастей Case IH RB455 - (60.220.BD [04]) - VAR - 726805 - 1.8M PICKUP, FLOTATION (60) - PRODUCT FEEDING
10
1
1
4
7
3
10
8
7
2
6
7
5
10
10
9
2
FIT
1:1
100%

Артикул

Название

Примечание

Количество

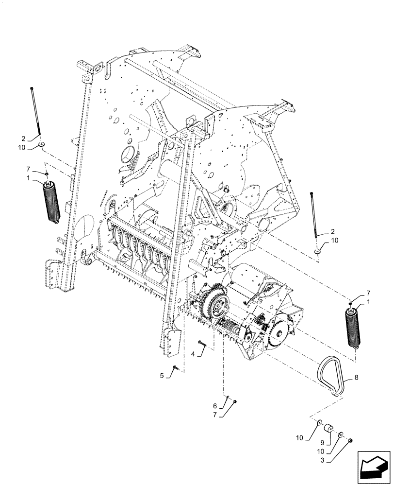
1

84472287

SPRING

Assembly, Flotation

2шт.

2

84423031

THREADED ROD,M12 x 1.75 x 541mm L

2шт.

3

100038

NUT,M12 x 1.75, Cl 8

1шт.

4

300662

CARRIAGE BOLT,Sht Sq Nk, M12 x 1.75 x 80mm, Cl 8.8

1шт.

5

9804268

BOLT,Hex, M12 x 40mm, Cl 8.8, Full Thd

8шт.

6

140046

BELLEVILLE WASHER,M12 Bolt Size x 27mm OD x 1.8mm Thk

8шт.

7

9804279

FLANGE NUT,Hex, M12, Cl 8

10шт.

8

84300121

CHAIN,RC80, 44 Links x 25.4mm = 1117.6mm

RC80, 44 Pitches, Incl 11

1шт.

9

84351002

IDLER,13.2mm ID x 60mm OD x 48mm L

1шт.

10

29684

WASHER,13.5mm ID x 50.8mm OD x 5.52mm Thk

4шт.

11

84356440

LINK,25.4mm Pitch

1шт.

Not Illustrated

1шт.

Выбрано товаров: 12