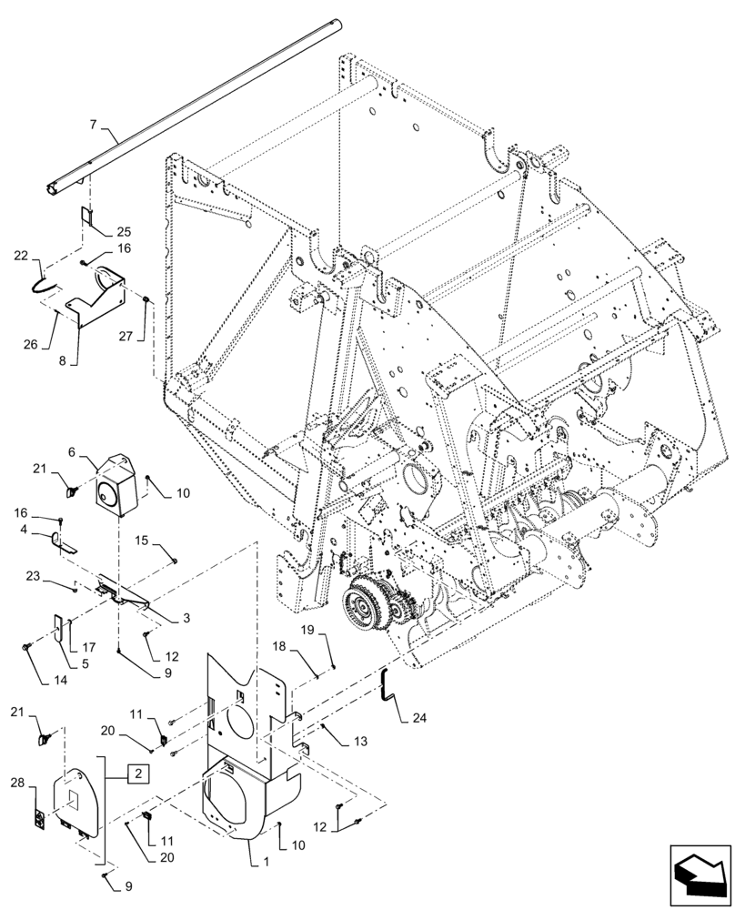
Запчасти Case IH RB455 (60.260.BL[07]) - VAR - 726574 - ROTOR, MANUAL REVERSER (60) - PRODUCT FEEDING

Схема запчастей Case IH RB455 - (60.260.BL[07]) - VAR - 726574 - ROTOR, MANUAL REVERSER (60) - PRODUCT FEEDING
26
7
28
9
22
12
21
20
6
20
4
14
17
16
15
5
10
3
19
2
8
21
11
13
24
23
9
1
18
10
27
11
16
25
12
FIT
1:1
100%

Артикул

Название

Примечание

Количество

1

84480490

SHIELD

1шт.

2

47561688

DOOR

1шт.

3

47575848

ANGLE

1шт.

4

87014172

STOP

1шт.

5

87014170

LATCH

1шт.

6

84596268

SHIELD

1шт.

7

47509866

ADJUSTING WRENCH

1шт.

8

47446579

MOUNT

2шт.

9

9804255

BOLT,Hex, M6 x 1 x 16mm, Full Thd, Cl 8.8

8шт.

10

9804276

FLANGE NUT,Hex, M6 x 1, Cl 8

8шт.

11

9840986

CLIP

2шт.

12

9804258

BOLT,Hex, M8 x 1.25 x 20mm, Cl 8.8

6шт.

13

9804277

FLANGE NUT,Hex, M8 x 1.25, Cl 8

2шт.

14

9670066

FLANGE BOLT,Hex, M12 x 30mm, Cl 8.8

1шт.

15

100038

NUT,M12 x 1.75, Cl 8

1шт.

16

9671714

FLANGE BOLT,Hex, M8 x 1.25 x 25mm, Cl 8.8

5шт.

17

721

WASHER,13.5mm ID x 22.2mm OD x 1.36mm Thk

1шт.

18

80684

LOCK WASHER,4.9mm ID x 8.48mm OD x 1.19mm Thk

2шт.

19

87304

NUT,#10-24

4шт.

20

84821

SCREW,Truss HD, #10 - 24 x 1/2"

4шт.

21

9705390

LATCH

2шт.

22

197559

CHAIN,9" L

1шт.

23

86629542

NUT,M8 x 1.25, Cl 8.8

1шт.

24

NH291525

EDGE

.39 x .52

1шт.

Cut to Fit Required

1шт.

25

647695

PIN,7.94mm OD

1шт.

26

130003

COTTER PIN,3mm OD x 30mm OAL

1шт.

27

86610201

INSERT,M8

4шт.

28

84004734

WARNING DECAL

1шт.

Выбрано товаров: 29