Запчасти Case IH RB455 (62.140.AC[05]) - FRAME ROLLS (62) - PRESSING - BALE FORMATION

Схема запчастей Case IH RB455 - (62.140.AC[05]) - FRAME ROLLS (62) - PRESSING - BALE FORMATION
8
22
11
9
1
18
14
16
3
4
15
19
10
20
7
9
17
2
8
16
8
16
21
16
5
12
6
13
10
8
FIT
1:1
100%

Артикул

Название

Примечание

Количество

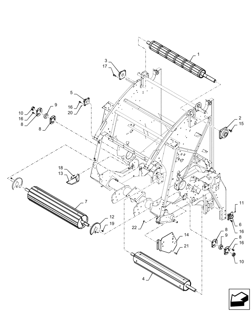
1

84423609

ROLL

Drive

1шт.

Roll Belt 450

1шт.

1

47465709

ROLL

Drive

1шт.

Roll Belt 460

1шт.

2

86978595

BEARING ASSY

1шт.

Roll Belt 450

1шт.

2

86590752

BEARING ASSY

1шт.

Roll Belt 460

1шт.

3

86609558

BEARING ASSY,45mm ID

1шт.

4

84568012

ROLL

Floor

1шт.

5

86590753

BEARING ASSY

1шт.

6

86610638

BEARING ASSY,45mm ID

1шт.

7

84471018

ROLL,254mm OD x 1475mm L

Fixed

1шт.

8

86548973

FLANGE

4шт.

9

52443

BALL BEARING,38.1mm ID x 79.99mm OD x 22mm W

2шт.

10

52444

COLLAR,38.2mm ID x 60.33mm OD x 18.3mm Thk

2шт.

11

80721

LUBE NIPPLE,1/4"-28 x 45 Degree

1шт.

12

47536123

SHIELD

2шт.

13

47362437

FILLER

1шт.

14

47536134

PLATE

LH

1шт.

Roll Belt 450

1шт.

14

47536132

PLATE

LH

1шт.

Roll Belt 460

1шт.

Roll Belt 460

1шт.

15

9804271

BOLT,Hex, M16 x 40mm, Cl 8.8, Full Thd

4шт.

16

9670066

FLANGE BOLT,Hex, M12 x 30mm, Cl 8.8

16шт.

17

9804268

BOLT,Hex, M12 x 40mm, Cl 8.8, Full Thd

4шт.

18

9671714

FLANGE BOLT,Hex, M8 x 1.25 x 25mm, Cl 8.8

2шт.

19

86531147

BOLT,Hex, M10 x 16mm, Cl 8.8, Full Thd

4шт.

20

80714

LUBE NIPPLE,1/4"-28 NPT x .54" lg

1шт.

21

9804261

BOLT,Hex, M10 x 25mm, Cl 8.8, Full Thd

3шт.

22

9804278

FLANGE NUT,M10 x 1.5, Cl 8

1шт.

Roll Belt 460

1шт.

Выбрано товаров: 33