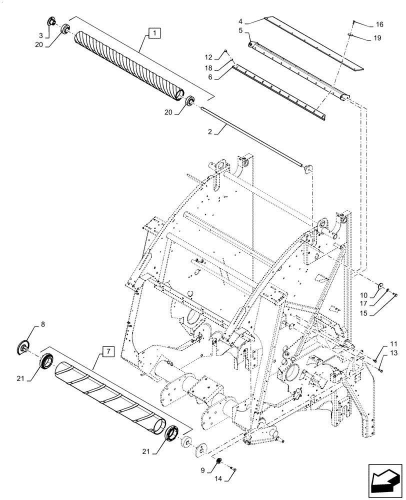
Запчасти Case IH RB455 (62.140.AC[08]) - LOOPED FOLLOWER, ROLL, BACKWRAP ROLL AND SCRAPER, YGN193202 AND PRIOR (62) - PRESSING - BALE FORMATION

Схема запчастей Case IH RB455 - (62.140.AC[08]) - LOOPED FOLLOWER, ROLL, BACKWRAP ROLL AND SCRAPER, YGN193202 AND PRIOR (62) - PRESSING - BALE FORMATION
1
13
11
17
5
12
9
21
10
7
20
14
3
8
6
4
16
21
19
20
15
18
2
FIT
1:1
100%

Артикул

Название

Примечание

Количество

1

84600591

ROLL

Backwrap, Incl 20

1шт.

2

9823371

SHAFT

1шт.

3

86521602

SUPPORT

2шт.

4

87385929

RUBBER STRIP,1140mm L x 112mm W x 7.5mm Thk

1шт.

5

84322929

ANGLE

1шт.

6

84322928

SCRAPER

1шт.

7

86565880

ROLLER

Sledge Follower, Incl 21

1шт.

8

86553395

SUPPORT

2шт.

9

87398962

HUB,12.5mm ID x 47.42mm OD x 13.2mm L

2шт.

10

29684

WASHER,13.5mm ID x 50.8mm OD x 5.52mm Thk

2шт.

11

43138

BOLT,Hex, M10 x 1.5 x 20mm, Cl 8.8

2шт.

12

9804258

BOLT,Hex, M8 x 1.25 x 20mm, Cl 8.8

11шт.

13

43140

BOLT,Hex, M10 x 1.5 x 30mm, Cl 8.8

2шт.

14

412087

BOLT,Hex, M12 x 1.75 x 45mm, Cl 10.9, Full Thd

2шт.

15

43260

BOLT,Hex, M12 x 1.75 x 30mm, Cl 10.9, Full Thd

2шт.

16

280519

SELF-TAP SCREW,Hex, 5/16" - 12 x 1"

8шт.

17

65319

WASHER,13.1mm ID x 25.4mm OD x 3.68mm Thk

2шт.

18

322358

BELLEVILLE WASHER,M8 Bolt Size x 18mm OD x 1.4mm Thk

11шт.

19

322

WASHER,8.73mm ID x 42.07mm OD x 3.43mm Thk

8шт.

20

84259867

BALL BEARING,38.1mm ID x 80mm OD x 22mm W

2шт.

21

86553396

BEARING ASSY,30.23mm ID x 90mm OD x 30.2mm W, SQUARE BORE

2шт.

Выбрано товаров: 21