Запчасти Case IH RB455 (62.140.AQ[03]) - VAR - 726813, 727097 - BALE TENSION TAKE UP ARM AND ONE SPRING WITH LOOP ROLL, SINGLE HYD. CYLINDER, YFN188618 AND PRIOR (62) - PRESSING - BALE FORMATION

Схема запчастей Case IH RB455 - (62.140.AQ[03]) - VAR - 726813, 727097 - BALE TENSION TAKE UP ARM AND ONE SPRING WITH LOOP ROLL, SINGLE HYD. CYLINDER, YFN188618 AND PRIOR (62) - PRESSING - BALE FORMATION
18
20
4
5
10
14
10
15
21
24
25
9
23
35.540.ai 05
26
28
13
1
12
9
7
27
4
5
16
22
8
35.540.ai 05
20
3
18
6
2
17
18
19
11
FIT
1:1
100%

Артикул

Название

Примечание

Количество

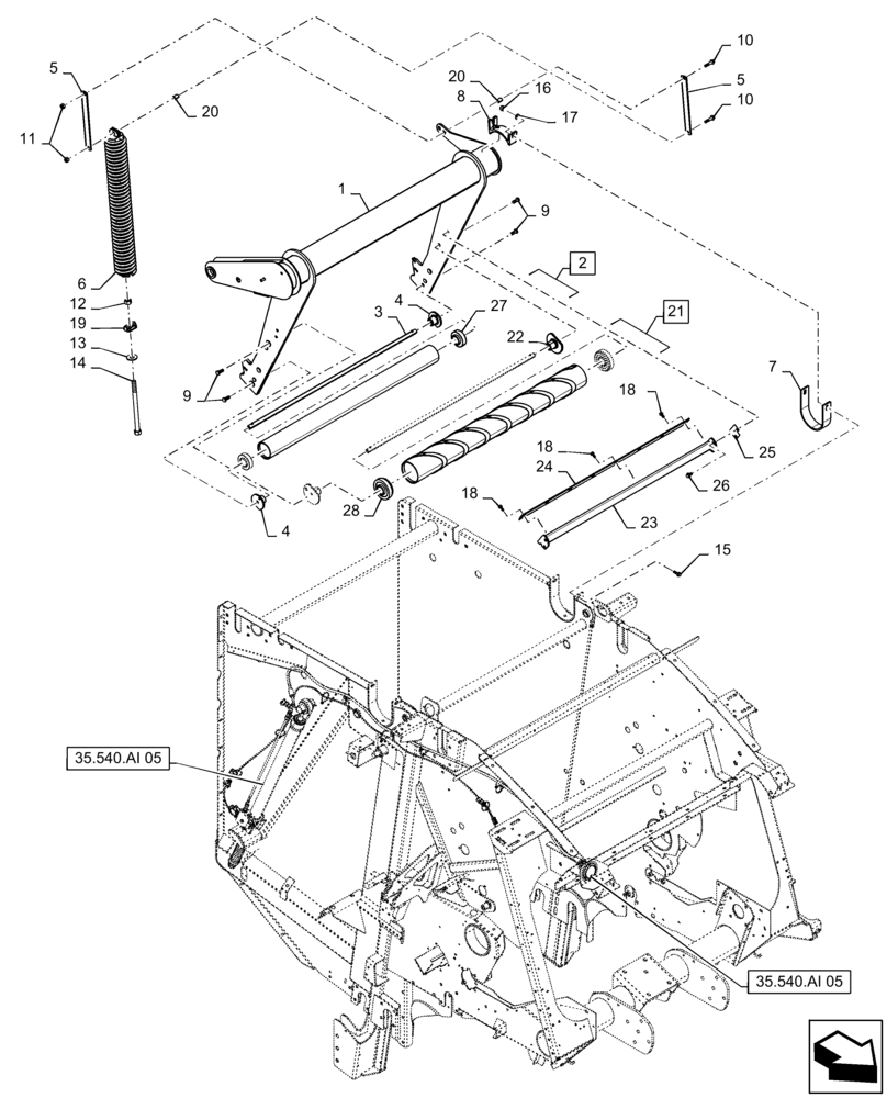
1

47689083

ARM

Take Up

1шт.

2

84356720

ROLL,88.9mm OD x 1142mm L

Front Serpentine, Incl 27

1шт.

3

9823372

SHAFT,1135mm L

1шт.

4

86521602

SUPPORT

2шт.

5

9829481

CONNECTING LINK

2шт.

6

87654704

SPRING

1шт.

7

9617265

BAND

2шт.

8

9617266

BEARING CAP,145.6 mm OD

2шт.

9

86627635

BOLT,Hex, M12 x 1.75 x 30mm, Cl 10.9

4шт.

10

9804264

FLANGE BOLT,M10 x 50mm, 26mm Thd, Cl 8.8

2шт.

11

100037

LOCK NUT,M10 x 1.5, Cl 8

2шт.

12

280954

NUT,3/4"-10, G5

1шт.

13

86511191

WASHER,0.81" ID x 2" OD x 0.15" Thk

1шт.

14

633038

THREADED ROD,3/4" - 10 x 11-1/2" L

1шт.

15

9804268

BOLT,Hex, M12 x 40mm, Cl 8.8, Full Thd

4шт.

16

87364

WASHER,0.53" ID x 1.06" OD x 0.1" Thk

4шт.

17

100038

NUT,M12 x 1.75, Cl 8

4шт.

18

9804258

BOLT,Hex, M8 x 1.25 x 20mm, Cl 8.8

10шт.

19

625098

PIVOT

1шт.

20

768624

SPACER

2шт.

21

47512225

ROLL

Rear Loop, Incl 28

1шт.

22

86516322

SUPPORT

2шт.

23

87040645

ANGLE

1шт.

24

9845575

SCRAPER BLADE

1шт.

25

47527692

SHIM,54mm OD x 0.4mm Thk

2шт.

26

86050286

FLANGE BOLT,M10 x 20mm, Cl 8.8

4шт.

27

84259867

BALL BEARING,38.1mm ID x 80mm OD x 22mm W

2шт.

28

47504953

BEARING HOUSING,73mm ID x 106.1mm OD x 30mm Thk

Incl 27

2шт.

Выбрано товаров: 28