Запчасти Case IH RB455 (62.140.AQ[11]) - VAR - 726813 - BALE TENSION TAKE UP ARM AND ONE SPRING, SINGLE HYD. CYLINDER, MANUAL CONTROL, SILAGE ,YGN193203 AND AFTER (62) - PRESSING - BALE FORMATION

Схема запчастей Case IH RB455 - (62.140.AQ[11]) - VAR - 726813 - BALE TENSION TAKE UP ARM AND ONE SPRING, SINGLE HYD. CYLINDER, MANUAL CONTROL, SILAGE ,YGN193203 AND AFTER (62) - PRESSING - BALE FORMATION
10
9
27
3
8
4
4
13
32
19
28
27
14
17
2
31
21
33
25
1
5
20
21
16
29
30
10
28
4
11
24
34
62.140.ar 02
31
35.540.ai 05
11
23
15
13
7
15
6
12
26
22
18
FIT
1:1
100%

Артикул

Название

Примечание

Количество

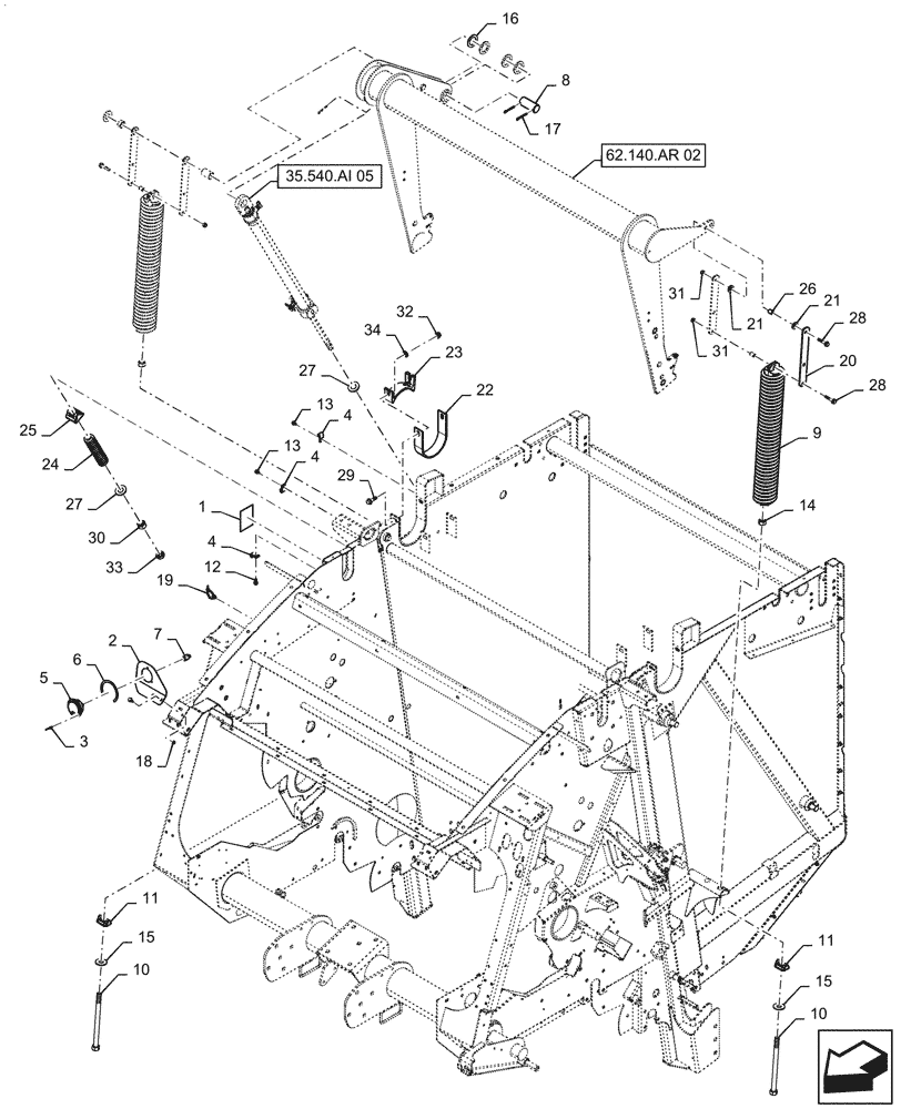
1

84134373

DECAL

1шт.

2

84399830

SUPPORT

1шт.

3

425520

RIVET,Pop, 3.96mm OD x 10.4mm L

3шт.

4

86010402

CLAMP,12.7mm, Coat, 10.3mm Bolt Hole, P Type

3шт.

5

84384411

PRESSURE GAUGE,3000 PSI, 1/4" NPT

1шт.

6

84603728

DECAL

1шт.

7

241971

HYD CONNECTOR,9/16"-18, 37 Degree x 1/4"-18, Fem Pipe

1шт.

8

86515940

PIN,38.1mm OD x 91.5mm L

1шт.

9

87654704

SPRING

1шт.

10

633038

THREADED ROD,3/4" - 10 x 11-1/2" L

1шт.

11

625098

PIVOT

1шт.

12

9804258

BOLT,Hex, M8 x 1.25 x 20mm, Cl 8.8

3шт.

13

381014

SCREW,Flng, M8 x 16mm

2шт.

14

280954

NUT,3/4"-10, G5

1шт.

15

86511191

WASHER,0.81" ID x 2" OD x 0.15" Thk

1шт.

16

28581

WASHER,38.9mm ID x 60.3mm OD x 3.5mm Thk

4шт.

17

87400

COTTER PIN,3/16" x 2"

2шт.

18

86629542

NUT,M8 x 1.25, Cl 8.8

2шт.

19

84292754

CLIP,Cable Tie W/ Fir Tree, 5mm OD x 203mm OAL

1шт.

20

47888240

LINK,296mm L

2шт.

21

52828

WASHER

2шт.

22

9617265

BAND

2шт.

23

9617266

BEARING CAP,145.6 mm OD

2шт.

24

9846489

SPRING,Compression, 1.81" OD x 9.44" L

1шт.

25

226131

PIVOT

1шт.

26

768624

SPACER

2шт.

27

257163

WASHER,25.4mm ID x 50.8mm OD x 4.17mm Thk

2шт.

28

9804264

FLANGE BOLT,M10 x 50mm, 26mm Thd, Cl 8.8

2шт.

29

9804268

BOLT,Hex, M12 x 40mm, Cl 8.8, Full Thd

4шт.

30

9849647

NUT,7/8"-9, G5

1шт.

31

100037

LOCK NUT,M10 x 1.5, Cl 8

2шт.

32

86619803

FLANGE NUT

4шт.

33

87314

JAM NUT,Jam, 7/8"-9, G2

1шт.

34

87364

WASHER,0.53" ID x 1.06" OD x 0.1" Thk

4шт.

Выбрано товаров: 34