Запчасти Case IH RB455 (68.180.BB[01]) - TWINE KNIFE, P.I.N. YGN190998 AND PRIOR (68) - TYING/WRAPPING

Схема запчастей Case IH RB455 - (68.180.BB[01]) - TWINE KNIFE, P.I.N. YGN190998 AND PRIOR (68) - TYING/WRAPPING
13
8
8
14
4
5
9
12
9
6
1
9
6
11
7
8
home
2
10
3
FIT
1:1
100%

Артикул

Название

Примечание

Количество

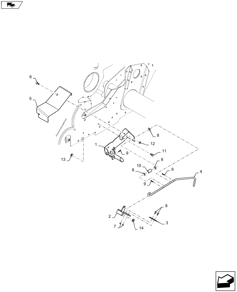
1

47438703

SUPPORT

1шт.

2

84300403

MOUNT

1шт.

3

617945

KNIFE SECTION

Twine

1шт.

4

84235144

ROD

1шт.

5

47501977

SHIELD

1шт.

6

86512439

CARRIAGE BOLT,M6 x 16mm, Cl 8.8

4шт.

7

353308

NUT,M6 x 1.0, Cl 8

2шт.

8

378244

WASHER,10.5mm ID x 24mm OD x 2mm Thk

3шт.

9

80756

COTTER PIN,1/8" x 3/4"

3шт.

10

226829

SPRING,Compression, 19.05mm OD x 77.72mm OD

1шт.

11

9804258

BOLT,Hex, M8 x 1.25 x 20mm, Cl 8.8

3шт.

12

9804276

FLANGE NUT,Hex, M6 x 1, Cl 8

2шт.

13

9804277

FLANGE NUT,Hex, M8 x 1.25, Cl 8

1шт.

14

86622500

WASHER,13.49mm ID x 22.2mm OD x 1.36mm Thk

1шт.

Выбрано товаров: 0