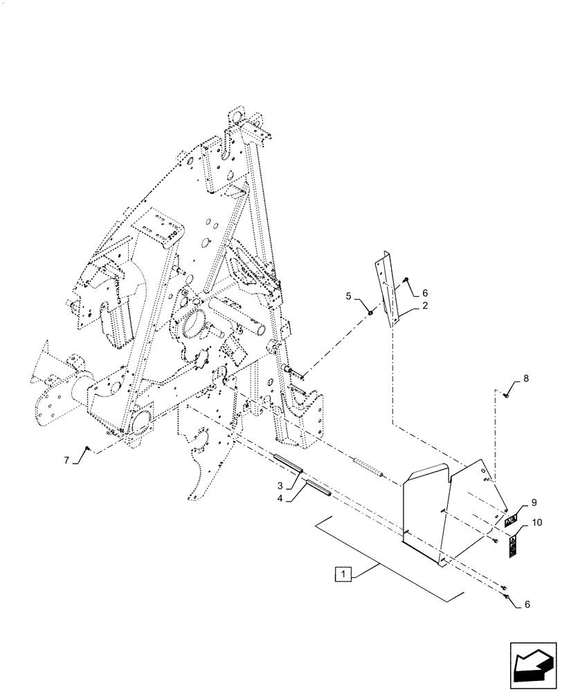
Запчасти Case IH RB455 (90.119.AB[01]) - VAR - 722000 - ROTOR SHIELD, LH (90) - PLATFORM, CAB, BODYWORK AND DECALS

Схема запчастей Case IH RB455 - (90.119.AB[01]) - VAR - 722000 - ROTOR SHIELD, LH (90) - PLATFORM, CAB, BODYWORK AND DECALS
1
6
4
6
7
9
3
5
2
8
10
FIT
1:1
100%

Артикул

Название

Примечание

Количество

1

47561748

SHIELD

Incl 9, 10

1шт.

2

47448361

SHIELD

1шт.

3

84572953

SHAFT

2шт.

4

47505101

SHAFT

1шт.

5

86610200

THREADED INSERT,M8 x 1.25

4шт.

6

9804258

BOLT,Hex, M8 x 1.25 x 20mm, Cl 8.8

7шт.

7

86507486

CARRIAGE BOLT,M8 x 1.25 x 20mm, Cl 8.8

3шт.

8

86050286

FLANGE BOLT,M10 x 20mm, Cl 8.8

2шт.

9

47361323

DANGER DECAL

1шт.

10

47361283

DANGER DECAL

1шт.

Выбрано товаров: 10