Качественные детали и логистика
Оригинальные и аналоговые запчасти с доставкой по России, Казахстану и Беларуси
©2022 PartSell ООО "Система" ИНН 2463123282 ОГРН 1212400004838
Центральный офис: г. Красноярск, Академика Киренского, д.87, пом.4
Телефон: 8 (800) 777-65-74 Email: zakaz@partsell.ru
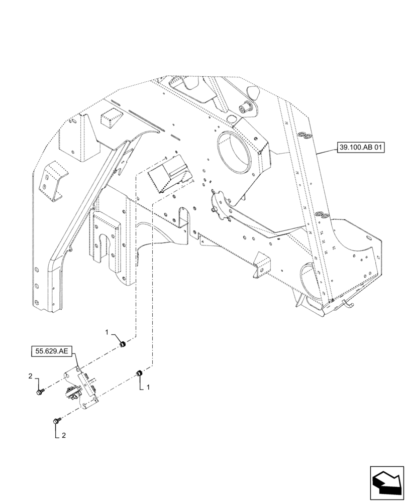
(55.629.AE[01]) - BALE SHAPE SENSOR MOUNTING PARTS
№
Артикул
Название
Примечание
Количество
1
0C
ORDER COMPONENTS
Bale Shape Sensor
2шт.
2
9804258
BOLT,Hex, M8 x 1.25 x 20mm, Cl 8.8
8шт.
3
86610200
THREADED INSERT,M8 x 1.25
Выбрано товаров: 0