Запчасти Case IH RB455A (88.068.02[02]) - DIA KIT, DELUXE NET, STATIONARY ROLL & BRAKE TENSION (88) - ACCESSORIES

Схема запчастей Case IH RB455A - (88.068.02[02]) - DIA KIT, DELUXE NET, STATIONARY ROLL & BRAKE TENSION (88) - ACCESSORIES
88.068.02 04
20
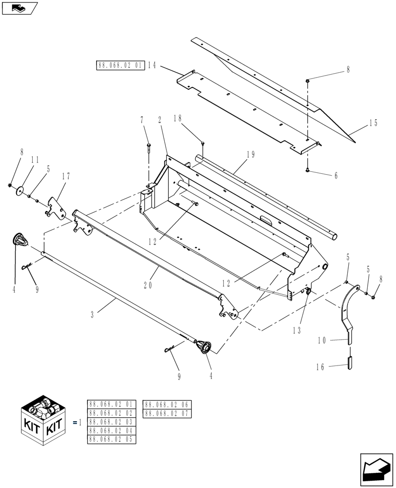
1
16
11
8
9
6
5
2
4
19
15
18
13
8
5
14
7
12
17
3
12
9
10
5
8
4
88.068.02 07
home
88.068.02 06
88.068.02 01
88.068.02 01
88.068.02 03
88.068.02 05
88.068.02 02
FIT
1:1
100%

Артикул

Название

Примечание

Количество

1

84134336

DIA KIT, HARVESTER

Standard Net

1шт.

Refer to Installation Instructions for Correct Assembly Procedure

1шт.

Includes: Parts Shown on Figures 88.068.02 01 thru 07.

1шт.

2

84234803

SUPPORT

1шт.

3

84234804

SUPPORT TUBE

Net

1шт.

4

9823255

GUIDE

2шт.

5

698748

BUSHING,10.3mm ID x 15.88mm OD x 9.53mm L

4шт.

6

120041

CARRIAGE BOLT,M10 x 20mm, Cl 8.8

5шт.

7

9804265

FLANGE BOLT,Hex, M10 x 60mm, Cl 8.8

1шт.

8

9804278

FLANGE NUT,M10 x 1.5, Cl 8

11шт.

9

86511448

COTTER PIN,0.148" Dia x 3.31" L

2шт.

10

84360520

ARM

1шт.

11

87036420

WASHER,0.41" ID x 2.5" OD x 0.15" Thk

1шт.

12

9804263

BOLT,M10 x 49.2mm, Cl 8.8

2шт.

13

270184

LINCH PIN,6.35mm OD

1шт.

14

84365484

PANEL SUPPORT

1шт.

15

84361221

PROTECTION PLATE

1шт.

16

219838

HANDLE GRIP

1шт.

17

84374942

PLATE

2шт.

18

87039762

SELF-TAP SCREW,Hex Wash Hd, 5/16"-18 x 5/8"

1шт.

19

86542665

PAD

1шт.

20

84234805

ARM

Net Brake

1шт.

Выбрано товаров: 22